在很多的电子产品中,用到瓷片电容是很多的,但是大多数的人都不知道高压瓷片电容作用以及高压瓷片电容规格是多少,下面,小编为大家介绍一下。
瓷片电容图片
高压瓷片电容就是以陶瓷材料为介质的圆板电容器,在“瓷片”电容器中一般DC50v以下叫低压,DC100V~500V为中高压,DC1000v~6000v和为高压,安规Y电容也是属于高压,DC6000v以上为超高压。
瓷片电容图片
高压瓷片电容作用具有耐磨直流高压的特点,适用于高压旁路和耦合电路中,其中的低耗损高压圆片具有较低的介质损耗,特别适合在电视接收机和扫描等电路中使用。
电力变压器健康状态多参量感知与智能评估
时间:2026-03-05
充电桩微电网系统及应用场景
时间:2026-03-05
新型电力系统构建要点分析
时间:2026-03-05
PT柜和计量柜的区别 PT柜常见的几个配置方案
时间:2026-03-05
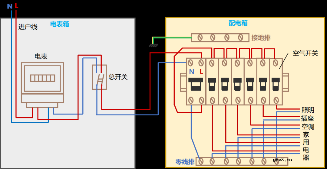
为什么会跳闸?家庭电路图结构详解
时间:2026-03-05
电力专用纵向加密认证网关工作原理
时间:2026-03-05
电力专用纵向加密认证网关应用
时间:2026-03-05
新型电力系统面临的发展要求和挑战
时间:2026-03-05
新型电力系统的智能装备关键技术
时间:2026-03-05
安科瑞光伏电站绝缘阻抗异常排查方案
时间:2026-03-05
玻璃釉电容器的结构与特点
时间:2026-03-05
关于STM32WL LSE 添加反馈电阻后无法起振的...
时间:2026-03-05
电阻的标称阻值和允许偏差
时间:2026-03-05
浅谈高压贴片电容分类与性能参数
时间:2026-03-05
聚四氟乙烯电容器的结构与特点
时间:2026-03-05
漆膜电容器的结构与特点
时间:2026-03-05
复合介质电容器的结构与特点
时间:2026-03-05
瓷介电容器的结构与特点
时间:2026-03-05
电解电容器的结构与特点
时间:2026-03-05
电解电容的型号
时间:2026-03-05