DS8型380V,5-10A,25A直接接入式三相三线制电度
电工基础2026-03-04
DS8型380V,5-10A,25A直接接入式三相三线制电度表接线图
DS8型380V,5A电流互感式三相三线制电度表接线图
电工基础2026-03-04
DS8型380V,5A电流互感式三相三线制电度表接线图
DT8型5-10A,25A三相四线制有功电度表接线图
电工基础2026-03-04
DT8型5-10A,25A三相四线制有功电度表接线图
DT8型40-80A直接接入式电度表接线图
电工基础2026-03-04
DT8型40-80A直接接入式电度表接线图
DX8型100V,5A万用互感式三相三线60度无功电度表接线
电工基础2026-03-04
DX8型100V,5A万用互感式三相三线60度无功电度表接线图
DX8型380V,5A电流互感式无功电度表接线图
电工基础2026-03-04
DX8型380V,5A电流互感式无功电度表接线图
DZD-D31型电气转换接线电路图
电工基础2026-03-04
DZD-D31型电气转换接线电路图
JDJ型电压互感器接线图
电工基础2026-03-04
JDJ型电压互感器接线图
MF52型万用电表接线线路图
电工基础2026-03-04
MF52型万用电表接线线路图
MG31-2交流钳形电流的接线图
电工基础2026-03-04
MG31-2交流钳形电流的接线图
XWD100型电子自动记录仪接线图
电工基础2026-03-04
XWD100型电子自动记录仪接线图
单相电度表测有功功率顺入接线图
电工基础2026-03-04
单相电度表测有功功率顺入接线图
单相电度表作测三相用电器的有功功率电度表接线图
电工基础2026-03-04
单相电度表作测三相用电器的有功功率电度表接线图
电工常用图形符号与文字符对照表
电工基础2026-03-04
电工常用图形符号与文字符对照表
交流电流表的接线方法电路图
电工基础2026-03-04
交流电流表的接线方法电路图
交流与直流两用电压表的接线方法图
电工基础2026-03-04
交流与直流两用电压表的接线方法图
DS8型380V,5-10A,25A直接接入式三相三线制...
时间:2026-03-04
DS8型380V,5A电流互感式三相三线制电度表接...
时间:2026-03-04
DT8型5-10A,25A三相四线制有功电度表接线图
时间:2026-03-04
DT8型40-80A直接接入式电度表接线图
时间:2026-03-04
DX8型100V,5A万用互感式三相三线60度无功电...
时间:2026-03-04
DX8型380V,5A电流互感式无功电度表接线图
时间:2026-03-04
DZD-D31型电气转换接线电路图
时间:2026-03-04
JDJ型电压互感器接线图
时间:2026-03-04
MF52型万用电表接线线路图
时间:2026-03-04
MG31-2交流钳形电流的接线图
时间:2026-03-04
三相异步电动机原理
时间:2026-03-04
电动机单线远程正反转控制电路图
时间:2026-03-04
三相异步电动机的七种调速方式
时间:2026-03-04
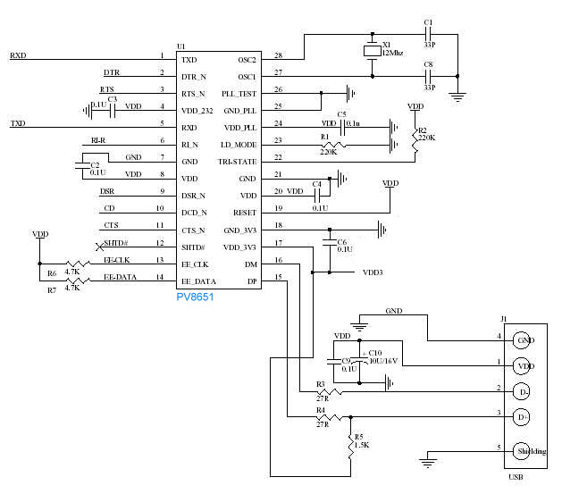
USB转232电路图
时间:2026-03-04
用按钮点动控制电动机起停的电路图
时间:2026-03-04
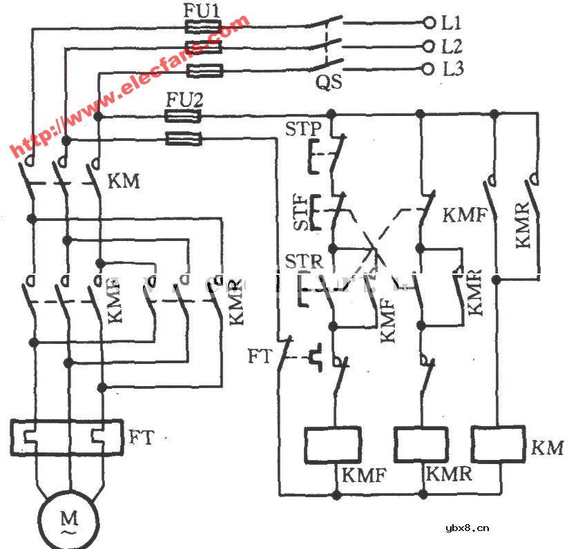
由三个接触器组成的电动机正反转控制电路图
时间:2026-03-04
防止相间短路的电动机正反转控制电路图
时间:2026-03-04
直流电动机能耗制动电路图
时间:2026-03-04
三相异步电动机的拆装详讲
时间:2026-03-04
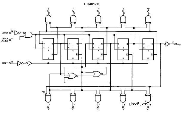
cd4017工作原理及应用电路图
时间:2026-03-04