
































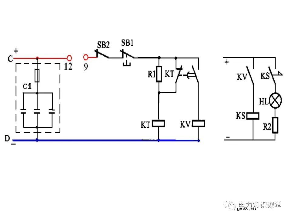
直流系统正常运行时,SM置于“母线”位置,R+=R- ,又R1=R2,所以电桥平衡,在KRD线圈中只有很小的不平衡电流,因此继电器KRD不会动作。当某一极母线的绝缘电阻下降至低于允许值时,电桥失去平衡,当KRD线圈中流过的电流足够大时,KRD动作,其常开触点闭合,启动KM,发预告信号。






编辑:黄飞
相关热词:#智能电网
如何从SYZ参数提取电容C和电感L—双端口
时间:2026-03-05
10kV箱式变压器的巡视作业过程 为什么要对箱...
时间:2026-03-05
一文告诉你如何驱动MOS管
时间:2026-03-05
共振才是EMI问题的最大本质
时间:2026-03-05
反激开关电源:RCD吸收电路
时间:2026-03-05
反激电源X:MOS管的栅极供电
时间:2026-03-05
反激电源:反射电压
时间:2026-03-05
变电所二次系统基础知识:变电站二次系统有...
时间:2026-03-05
永磁同步电机控制系统仿真—逆变器模型(1)
时间:2026-03-05
如何消除电源走线引起的引线电感影响?
时间:2026-03-05
配电变压器的工作原理和作用
时间:2026-03-05
低压配电柜进出线方式和接线步骤
时间:2026-03-05
无人机光伏电站智能巡检系统的优势和功能分...
时间:2026-03-05
低压配电柜的防护措施和防护等级
时间:2026-03-05
配电箱的接地规范要求和注意事项
时间:2026-03-05
配电箱的接线方法和接线规范要求
时间:2026-03-05
以太网工业总线控制典型微电网系统方案
时间:2026-03-05
中线安防保护器对电网中三次谐波的治理
时间:2026-03-05
什么是单母线接线?主接线的普遍规律
时间:2026-03-05
智能家居终端在智能电网中如何更安全、舒适...
时间:2026-03-05