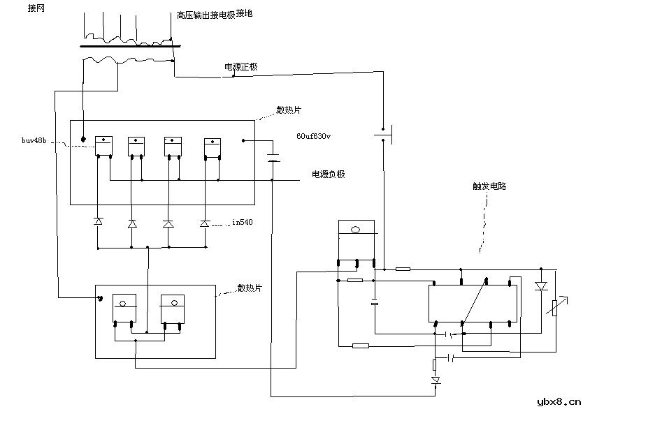
脉冲电子捕鱼器,初级线圈采用2.5的铜线绕60圈次级1.5线绕160圈处次并绕方向相反负极相连初级20圈抽头接小散热片电容可用两个30uf600v并联

相关热词:#捕鱼器
稳压二极管的选用和代换
时间:2026-03-04
瞬间抑制二极管(TVS)/瞬间抑制二极管(TVS)是...
时间:2026-03-04
TVS器件的电特性有哪些
时间:2026-03-04
TVS器件的主要电参数有哪些?
时间:2026-03-04
TVS二极管的分类/应用,TVS二极管的特点/选用...
时间:2026-03-04
快恢复二极管,快恢复二极管是什么意思
时间:2026-03-04
快恢复二极管的结构/特点/检测方法
时间:2026-03-04
快恢复二极管参数大全
时间:2026-03-04
快恢复二极管的作用是什么?
时间:2026-03-04
阶跃恢复二极管,阶跃恢复二极管是什么意思
时间:2026-03-04
三相异步电动机原理
时间:2026-03-04
电风扇红外遥控器2
时间:2026-03-04
由三个接触器组成的电动机正反转控制电路图
时间:2026-03-04
电动机单线远程正反转控制电路图
时间:2026-03-04
三相异步电动机的拆装详讲
时间:2026-03-04
三相异步电动机的七种调速方式
时间:2026-03-04
USB转232电路图
时间:2026-03-04
焊机工作原理方框图
时间:2026-03-04
碰焊机的原理及种类
时间:2026-03-04
电度表的工作原理
时间:2026-03-04