

用传递函数验证一下,发现这里的“阻尼系数”定义为我们的阻尼系数ξ除以谐振频率ω。
总结一下,“三要素”是四个非独立参量中的三个:

妙啊!这个方法可以用来快速验算!
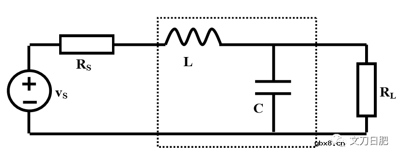
如图所示,已知信源内阻为50Ω,负载电阻也是50Ω,请设计一个具有群延时最大平坦特性/幅度最大平坦特性的二阶低通LC滤波器,其3dB带宽为1MHz,请给出虚框表示的LC低通滤波器中电感和电容的具体数值。(过程不限,直接写出来即可)

填空题的话就不用写传函啦~一眼就能看出ω和ξ哦!
互感器基础知识大全 电流互感器和电压互感器...
时间:2026-03-05
绝缘电阻试验原理及目的分析
时间:2026-03-05
继电保护及安全自动装置设计要求
时间:2026-03-05
电力系统有哪些故障?电力系统不对称故障如...
时间:2026-03-05
全面揭晓电力系统短路故障问题
时间:2026-03-05
锂离子储能电站系统构成、安全预警与保护技...
时间:2026-03-05
如何防止过电压对变电设备的危害(避雷器、...
时间:2026-03-05
高压开关长什么样?有什么种类?
时间:2026-03-05
电力系统负荷的基本概念及分类
时间:2026-03-05
分享一种MOS管及其外围电路设计方案
时间:2026-03-05
玻璃釉电容器的结构与特点
时间:2026-03-05
表贴电容的分类
时间:2026-03-05
关于STM32WL LSE 添加反馈电阻后无法起振的...
时间:2026-03-05
RI-80F型高压高阻玻璃釉膜电阻分压器
时间:2026-03-05
电阻的标称阻值和允许偏差
时间:2026-03-05
高压电容怎么测好坏_如何提高高压电容寿命
时间:2026-03-05
电容屏也有区别?自电容屏和互电容屏有什么...
时间:2026-03-05
一文读懂,电容器的工作旅程
时间:2026-03-05
如何绕制电感与选择磁芯减小寄生电容
时间:2026-03-05
浅谈高压贴片电容分类与性能参数
时间:2026-03-05