当前位置:首页 > 电工基础 > 正文

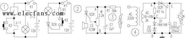
单向可控硅应用电路

来源:网络  发布者:电工基础  发布时间:2026-03-04 18:33
单向可控硅应用电路

单向可控硅应用电路

单向可控硅应用电路

单向可控硅应用电路

相关热词:#可控硅

热门文章
三相异步电动机原理三相异步电动机原理

时间:2026-03-04

电风扇红外遥控器2电风扇红外遥控器2

时间:2026-03-04

由三个接触器组成的电动机正反转控制电路图由三个接触器组成的电动机正反转控制电路图

时间:2026-03-04

电动机单线远程正反转控制电路图电动机单线远程正反转控制电路图

时间:2026-03-04

三相异步电动机的拆装详讲三相异步电动机的拆装详讲

时间:2026-03-04

三相异步电动机的七种调速方式三相异步电动机的七种调速方式

时间:2026-03-04

USB转232电路图USB转232电路图

时间:2026-03-04

焊机工作原理方框图焊机工作原理方框图

时间:2026-03-04

碰焊机的原理及种类碰焊机的原理及种类

时间:2026-03-04

电度表的工作原理电度表的工作原理

时间:2026-03-04