超外差收音机,首先把接收到不同频率的电台信号,都变成固定的中频信号(我国规定中频信号是465kHZ),由中频放大器进行放大,然后进行检波,这样就克服了直放式收音机在接收不同频率的时候灵敏度不均匀的缺点。而且固定频率的中频信号既便于放大又便于调谐因此超外差式收音机具有灵敏度高、选择性好的特点。这也是超外差收音机名称的由来。

为了分析方便,超外差式收音机的工作过程可以画成方框图,如图1-1所示。从图1-1所示可以看出,接收天线将广播电台播发出的高频调幅波,经过输入电路接收下来,通过变频级把外来的高频调幅波信号频率变换成一个介于低频与高频之间的固定频率即:465kHZ,然后由中频放大级将变频后的中频信号进行大,再经检波级检出音频讯号,为了获得足够大的输出音量,需要经前置放大级和低频功率放大级加以放大来推动扬声器。我们通常将从天线到检波级为止的电路部分称为高频部分,而将从检波级到扬声器为止的电路部分称为低频部分。

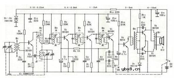
当调幅信号感应到B1及C1组成的天线调谐回路,选出我们所需要的电台信号(f1)进入V1(9018H)三级管基极;本振信号在高出f1频率一个中频的f2 (f2=f1+465 kHZ),例如:f1=700 kHZ
则f2=700 kHZ+465 kHZ,这个信号输入到V1发射极,由V1三极管进行变频,通过B3选出465KHZ的中频信号,经V2和V3进行两级中频放大,然后进入V4检波管,检出音频信号经V5(9014)进行低频放大,再由V6、V7组成的功率放大器进行功率放大,进而推动扬声器发出选择的电台播音。
图中D1、D2(IN4148) 组成1.3V±0.1V稳压电路,来固定变频级、一中放级、二中放级、低放级的基极电压,进而稳定各级的工作电流,以保持灵敏度。由V4(9018)三极管的一个PN结用作检波。R1、 R4 、R6、 R10分别为V1、 V2、 V3 、V5的工作点调整电阻。R11为V6、 V7功率放大级的工作点调整电阻。R8为中放的反馈电阻,B3、 B4、 B5为中周(内置谐振电容),既是放大器的交流负载又是中频选频器,起交流负载及阻抗匹配作用。
直放式收音机电路电路简单,一般只用1——4只晶体管和一些基本元件。
易于安装调试,成本低,但它的灵敏度低,选择性不太好。
这是一个典型的直放式晶体管单管收音机电路。
L1和C1(C1a)组成调谐电路,用于调谐电台信号;其中的C1a可以省略。
在调谐电路中谐振的电台信号经耦合电容C2加到三极管Q1的基极,被由Q1、R1、EP和C3组成的放大电路放大,在放大的过程中利用Q1发射结的非线性特性同时进行检波,最后放大后的信号经耳机EP放出声音。
电路中,R1的作用是为Q1提供直流偏置,以便使其能正常工作。C3的作用是滤除检波后信号中残留的高频载波信号。
图中L1用纱包线绕70圈,在64圈处抽头;R1的阻值由实验确定。

直放式收音机在高频信号检波以前不改变频率。比如900KHz的电台信号由天线接收,被调谐放大,检波,频率一直是900KHz,不变。
超外差机是把电台信号变成一个固定频率的中频信号,再放大检波。比如收音机天线收到900KHz信号,收音机内部的本地振荡器会产生一个频率为1355KHz的信号。由两信号差频产生455KHz的中频,把中频信号放大,再检波。
超外差收音机的好处是在整个接收频率范围内信号的放大量是一致的,容易做高增益,所以超外差机的灵敏度高,但是直放式收音机的音质一般较好。
突破人形机器人控制器性能瓶颈:高效稳定的...
时间:2026-03-05
一文讲懂开关电源的阻尼振荡
时间:2026-03-05
使用过滤器电容器和诱导器来抑制受辐射的EM...
时间:2026-03-05
智能硬件遭遇销量困局 看社区O2O如何破解
时间:2026-03-05
物联网新时代,关于安全的5大错误认知
时间:2026-03-05
智能停车场一体化控制器方案简述
时间:2026-03-05
ZigBee应用于智能家居是否存在严重漏洞?
时间:2026-03-05
推动物联网发展,供电是基础设备的生命线
时间:2026-03-05
楼宇对讲走向标准化 四大发展方向明确
时间:2026-03-05
最帅“黑”科技:让普通手机可扫描3D
时间:2026-03-05
瞬间抑制二极管(TVS)/瞬间抑制二极管(TVS)是...
时间:2026-03-04
稳压二极管的选用和代换
时间:2026-03-04
什么是霍尔传感器
时间:2026-03-05
什么是气敏器件
时间:2026-03-05
高级封装,高级封装是什么意思
时间:2026-03-04
什么是CSP封装
时间:2026-03-04
数字比较器,数字比较器是什么意思
时间:2026-03-04
常用整流二极管型号大全
时间:2026-03-04
单向可控硅的工作原理
时间:2026-03-04
S/HS固态继电器原理简介
时间:2026-03-04