实验原理:
单相全桥整流器的输入是单相交流电源,输出是直流电压,采用双闭环控制方式。外环为直流电压的控制回路,用来控制输出电压的稳定,内环为电感电流回路,用来调整输入电压与输入电流同相位,达到单位功率因数的效果。

单相全桥整流器的电流回路模型可以采用上几期的逆变器模型,其控制方块图的设计如下图所示。

电流环设计:
电流回路控制器采用反馈与前馈控制并用,假设输入电流可以与输入电压同相位达到单位功率并网,前向控制信号可以消除输入电压为电流回路的扰动。因此,电流回路的控制回路为:

根据上图可以看出电流环的带宽是由K1决定,一般情况下电流环带宽为开关频率的十分之一到五分之一。
整流器的电流命令是外环的电压回路的输出。为了保证输入电流与输入电压同相位从而将电压环的输出乘以与输出电压同相位的单位正弦波作为电流环的电流命令。
电压环设计:

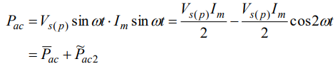
交流侧的输入功率为:

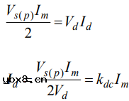
基于有功功率平衡可知,

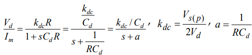
直流侧由电容充电可知:

考虑到电路中的二次谐波分量,电压外环的带宽需要远小于120Hz以保证输出电流低失真,但是带宽过小电压环的动态响应太差。因此,最佳的带宽一般定在20Hz,使之兼顾电压响应速度与输入电流失真。
选择type II型控制器后可参考电流环设置进行计算参数K、Z与P。

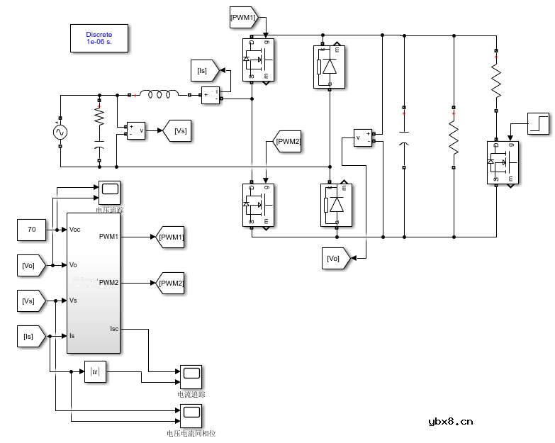
实验效果:



总 结:
经过上述的仿真结果可以看到输入电压电流可以做到同相输入,直流侧的电压纹波频率为交流侧输入电压频率的两倍。经过以上对单相全桥整流器的讲解有助于学生进行学习了解双闭环全桥整流器的设计流程。
仿真效果图:


突破人形机器人控制器性能瓶颈:高效稳定的...
时间:2026-03-05
一文讲懂开关电源的阻尼振荡
时间:2026-03-05
使用过滤器电容器和诱导器来抑制受辐射的EM...
时间:2026-03-05
智能硬件遭遇销量困局 看社区O2O如何破解
时间:2026-03-05
物联网新时代,关于安全的5大错误认知
时间:2026-03-05
智能停车场一体化控制器方案简述
时间:2026-03-05
ZigBee应用于智能家居是否存在严重漏洞?
时间:2026-03-05
推动物联网发展,供电是基础设备的生命线
时间:2026-03-05
楼宇对讲走向标准化 四大发展方向明确
时间:2026-03-05
最帅“黑”科技:让普通手机可扫描3D
时间:2026-03-05
关于STM32WL LSE 添加反馈电阻后无法起振的...
时间:2026-03-05
玻璃釉电容器的结构与特点
时间:2026-03-05
表贴电容的分类
时间:2026-03-05
绝缘电阻表原理_绝缘电阻表的作用
时间:2026-03-05
绝缘电阻用什么来测量_绝缘电阻测量方法
时间:2026-03-05
气敏电阻的型号命名方法是怎样的
时间:2026-03-05
国巨片式电阻缺货涨价之应对方案 你要知道电...
时间:2026-03-05
RI-80F型高压高阻玻璃釉膜电阻分压器
时间:2026-03-05
电阻的标称阻值和允许偏差
时间:2026-03-05
穿芯电容的形式_穿芯电容应用
时间:2026-03-05