当前位置:首页 > 电工基础 > 正文

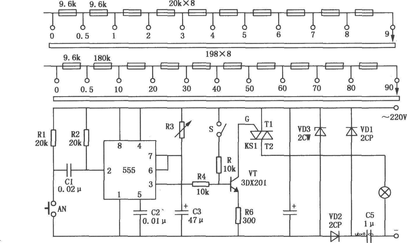
555无触点暗房定时器

来源:网络  发布者:电工基础  发布时间:2026-03-04 21:04
555无触点暗房定时器

555无触点暗房定时器

555无触点暗房定时器

相关热词:#无触点