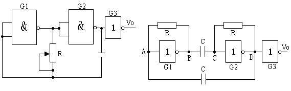
对称型多谐振荡器电路图
图A 非对称型多谐振荡器 图B 对称型多谐振荡器
如上图B所示,设刚开始t=0时接通电源,电容尚未充电,此时电路的状态为第一暂稳态。随着时间的增长,电容不断充电,VA不断增大,直到阀值电压VT时,电路发生下述正反馈过程:
而后,电容充满电后开始放电,电路又发生下述正反馈过程:

其中,当G1截止G2导通的瞬间,电路为第二暂稳态。如此,电路将不停地在两个暂稳态之间往复振荡。
由于电路完全对称,电容器的充放电时间常数相同,故输出为对称的方波。改变R和C的值,可改变输出信号的振荡频率。如输出端加一非门,可实现输出波形整形。
一般取R≤1KΩ,当R=1KΩ,C=100pf~100uf时,f=nHz~nMHz,脉冲宽度tw1= tw2=0.7RC,T=1.4RC。
相关热词:#振荡
源极,什么是源极,源极是什么意思
时间:2026-03-04
摩尔定律,摩尔定律是什么意思
时间:2026-03-04
PN结,PN结是什么意思?
时间:2026-03-04
pn结原理是什么
时间:2026-03-04
pn结的形成/多晶硅中PN结是怎样形成的?
时间:2026-03-04
PN结温度传感器及测温电路原理
时间:2026-03-04
什么是PN结型温度传感器及其原理是什么?
时间:2026-03-04
PN结温度传感器工作原理是什么?
时间:2026-03-04
二极管,二极管是什么意思
时间:2026-03-04
肖特基二极管,什么是肖特基二极管,肖特基二...
时间:2026-03-04
三相异步电动机原理
时间:2026-03-04
电风扇红外遥控器2
时间:2026-03-04
由三个接触器组成的电动机正反转控制电路图
时间:2026-03-04
电动机单线远程正反转控制电路图
时间:2026-03-04
三相异步电动机的拆装详讲
时间:2026-03-04
三相异步电动机的七种调速方式
时间:2026-03-04
USB转232电路图
时间:2026-03-04
焊机工作原理方框图
时间:2026-03-04
碰焊机的原理及种类
时间:2026-03-04
电度表的工作原理
时间:2026-03-04