
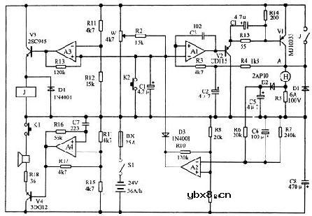
一种简单而实用的电动自行车调速控制电路。电路如上图所示,电路中使用运算放大器LM324或四比较器LM339作功能控制,调速原理采用了调频式电压反馈稳速方案。当电机负荷加重时转速下降,A点的电压下降,经R4将此电压反馈给A1,使振荡频率增高,流经电机的平均电流增加,使电机速度上升达到稳速目的。调整W改变了A1的参考电压,实现了电机的调速。由V1、R1、C组成的激励控制电路可使V1工作在脉冲电流100A时仍能获得很低的饱和压降和陡峭的输出波形上下沿。D2、R5、A2等组成保护电路,对异常大电流或电瓶过放电情况均可断电保护。A2接成施密特比较器,当异常大电流超过50A时A2翻转,输出低电平,通过D3将A1负输人、A3正输人拉到地电位,此时A1输出高电平V1关闭,V3输出低电平,继电器接点断开,停止向电机供电。为了对电瓶过放电情况进行保护,A2基准电压采用浮动方式供给,电瓶电压越低,基准电压也越低,对电机最大工作电流限制点越低,防止电瓶在欠电情况下的大电流放电。A3、J组成调速、全速自动转换电路,A3为比较器,当调速电位器W滑臂电压超过A1基准电压时,A3输出高电平,J吸合,短路V1,调速电路停止工作,电路向电机提供最大的功率。A4、V4等组成喇叭电路。K1为喇叭按钮,K2刹车微动开关,刹车同时,微动开关动作,A1负输入,A3正输人接到地,电路停止向电机供电.
相关热词:#电动
东芝牌RAC-45NHE型空调机电路图
时间:2026-03-04
杜鹃牌XPB2-3型洗衣机电路图
时间:2026-03-04
干衣机电路图
时间:2026-03-04
古桥牌KC-30DE型牌窗式空调机电路图
时间:2026-03-04
好乐牌KC-42R型窗式空调机电路图
时间:2026-03-04
佳乐牌KCS-12型窗式空调机电路图
时间:2026-03-04
江南牌KC-20型窗式空调器电路图
时间:2026-03-04
江南牌KCD-31型窗式空调器电路图
时间:2026-03-04
金羚牌XQB30-5型全自动洗衣机电路图
时间:2026-03-04
日产AW B310B型洗衣机控制器电路图
时间:2026-03-04
三相异步电动机原理
时间:2026-03-04
电度表的工作原理
时间:2026-03-04
电动机单线远程正反转控制电路图
时间:2026-03-04
三相异步电动机的拆装详讲
时间:2026-03-04
三相异步电动机的七种调速方式
时间:2026-03-04
USB转232电路图
时间:2026-03-04
电风扇红外遥控器2
时间:2026-03-04
由三个接触器组成的电动机正反转控制电路图
时间:2026-03-04
东芝牌RAC-45NHE型空调机电路图
时间:2026-03-04
半球牌调温电炉电路图
时间:2026-03-04