当前位置:首页 > 电工问答 > 正文

压力传感器,压力传感器是什么意思

来源:网络  发布者:电工基础  发布时间:2026-03-04 21:25
压力传感器,压力传感器是什么意思 压力传感器的定义 压力传感器,是指以膜片装置(不锈钢膜片、硅酮膜片等)为媒介,用感压元件对气体和液体的压力进行测量,并转换成电气信号输出的设备。

压力传感器,压力传感器是什么意思

压力传感器的定义

压力传感器,是指以膜片装置(不锈钢膜片、硅酮膜片等)为媒介,用感压元件对气体和液体的压力进行测量,并转换成电气信号输出的设备。

原理 半导体电阻抗扩散压力传感器是在薄片表面形成半导体变形压力,通过外力(压力)使薄片变形而产生压电阻抗效果,从而使阻抗的变化转换成电信号。 静电容量型压力传感器,是将玻璃的固定极和硅的可动极相对而形成电容,将通过外力(压力)使可动极变形所产生的静电容量的变化转换成电气信号。 (E8Y的动作原理便是静电容量方式,其他机种采用半导体方式)。

半导体形变压力计的结构

压电效果的定义

术语解说

是以大气压为标准来表示的压力大小。

比大气压高的压力称为“正压”,比大气压低的称为“负 压”。

绝对压力

以绝对真空为标准表示的压力大小。

差压(相对压)

相对于任意的比较压力(标准压)表示的压力大小。

 

是指大气的压力。标准大气压(1atm)相当于高度为760mm的水银柱产生的压力。

真空

是指比大气压低的压力状态。

检测压力范围

可使用传感器的检测压力范围。

耐压力

恢复到检测压力时,不会引起性能下降的可承受压力。

重复精度(ON/OFF输出)

在一定温度(23℃)下,增减压力时,在检测压力的全部值中除去反运行的压力值后的动作点压力变动值。

在一定温度(23℃)下,从全部值中除去施加零压力及额定输出时的输出电流规格值(4mA、20mA)中的偏离值。

单位用%F.S.表示。

直线性(线性)

模拟输出相对于检测压力,几乎呈直线性变化,但与理想直线有若干偏离。这种偏离相对于全部值用%来表示。

压力传感器,压力传感器是什么意思 磁滞现象(线性)

在零电压和额定电压下,在各输出电流(或电压)值间划出理想直线,求得实测电流(或电压)值和理想电流(或电压)值间的误差值。求得压力上升时的误差值和压力下降时的误差,在全部的电流(或电压)中除去这些差的绝对值的最大值后的值。单位用%F.S.表示。

磁滞现象(ON/OFF输出)

指从压力的全部值中除去输出的ON点压力和OFF点压力之差后的值。

  非腐蚀性气体

是指空气中所含的物质(氮气、二氧化碳等)和惰性气体(氩、氖等)。

计量法

在1993年11月1日实施的新计量法中,除生物体内压力的测量外,禁止使用Torr。

此外,从1999年9月30日起开始禁用kgf/m2和mHg(血压测量除外)、mH2O。

压力单位转换表

 

kgf/cm2

mmHg

mmH2O

Pa

1kgf/cm2

1

735.559

1.000028×104

0.0980665M

1mmHg

1.3595×10-3

1

1.3595×10

0.133322k

1mmH2O

0.99997×10-4

7.356×10-2

1

0.00980665k

1Pa(N/m2)

1.0197×10-5

7.5006×10-3

0.10197

1

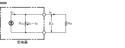
输出阻抗 1. 电压输出型的输出阻抗的测量方法

压力传感器,压力传感器是什么意思 Ro:输出阻抗 Rx:负载电阻 Eo:输出电压(

端子打开时) lx:负载电流(连接负载Zx时)

在图1中,连接负载电阻(Rx)时的流过的电流为

根据公式(1)求输出阻抗(Ro)为

然后,测定输出开放时的电压(Eo)。接着测定连接负载电阻(例如转换器的容许负载电路的最小值)时的电压(Ex)。将测得的Eo和Ex值以及连接的负载电阻值(Rx)代入公式(2)中,计算出转换器的输出阻抗(Ro)。

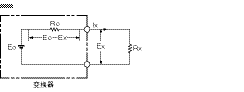
2. 电流输出型的输出阻抗的测量方法

在图2中,连接负载电阻(Rx)时的输出端子电压(Ex)为

Ex = IxRx =(Io=Ix)Ro …(3)

根据公式(3)求输出阻抗(Ro)为

然后,测量输出短路时的电流(Io)。

压力传感器,压力传感器是什么意思 Ro:输出阻抗 Rx:负载电阻 lo:输出电流(端子短路时) lx:输出电流(连接负载Rx时) Ex:输出电压(连接负载Rx时)

接着,测定连接负载电阻(例如转换器容许负载电阻的最大值)时的电流(Ix)。将测定时的Io和Ix值以及连接的负载电阻值(Rx)代入公式(4)中,计算出转换器的输出阻抗(Ro)。 此外,这里介绍的转换器的输出阻抗是正常动作时的值。

3. 理想的输出阻抗

一般来说,为了使转换器的负载变动造成的影响尽量减少,应尽量使电压输出型转换器的输出阻抗保持为最小值,即接近0Ω。

此外,电流输出型的转换器则与此相反,需要更大的值,即保持无限大的输出阻抗。

4. 使用阻抗的计算示例

模拟电压

压力传感器

压力传感器,压力传感器是什么意思

 

 

负载

 

Ro=100 Ω

 

Rx=1k Ω 以上

Rx

误差

1k Ω

约10%

10k Ω

约1%

共通注意事项 ★各商品的注意事项,请参见各商品的「 请正确使用 」。
警告

不能作为冲压的安全装置或其他人体保护用安全装置使用。

产品与安全性无关,主要用于工件和作业者的检测用途。

安全要点
关于耐压力

请不要施加超过额定耐压力的压力。

若施加了耐压力以上的压力,可能引起破损。

关于使用环境

请避免在有可燃性和爆炸性气体的环境下使用。

关于电源电压

使用时请不要超过使用电压范围。若施加了使用电压范围以上的电压,则可能引起破裂或烧毁。

关于负载短路

请避免使负载短路。否则可能引起破裂或烧毁。

关于误布线

请避免对电源的极性等进行错误布线。

否则可能引起破裂或烧毁。

使用注意事项
使用对应非腐蚀性气体的产品作为适用流体时,请使用经过空气过滤器的,已去除水分?油分的气体。 请勿从导压部插入针等物品。否则会使压力元件破损,无法进行正常动作。 请避免与高压线、动力线并列设置。 安装时,请避免使超声波振动直接碰到传感器。 请勿在导线及接插件部分施加30N以上的拉伸力。 导线的延长在10m以内。详细内容请参见前页(1380页)的输出阻抗项。 更多传感器知识http://www.elecfans.com/yuanqijian/sensor/