小毛病引起大问题之笔记本高压板电路
接触笔记本就要认识本本的所有,今天我们要说的就是笔记本电脑高压板。大家可不要小看高压板哦,很多时候爱机出问题后,朋友们都以为是这或那的毛病,其实也许就是高压板坏了,还要害的大家乱找!
高压电源板负责给LCD的灯管供电,它将直流低压电源变换为高频高压电源以点亮灯管,属于功率变换器件,容易发热,也比较容易坏。有很多客户的屏暗了,以为屏坏了,或是主机出了毛病,其实就是一个小小的高压板坏了!
高压板就是一个开关电源,只不过相对于普通的开关电源来说,它少了后级的整流滤波部分,而侧重于高频高压的变换。它将主板上的低压直流电(一般是十几V,或是5v)通过开关变为高频交变电流,然后通过高频变压器升压,以达到点亮灯管的电压。
高压板的电源和信号来自于主板,一般有这么几根线与主板相连:电源V+,电源地G,开关信号S,亮度信号F(有的没有)。当电脑开机后,电源供电,开关信号S启动开关振荡电路,开关管进行工作,变压器进行电压提升,点亮灯管。
因此,高压板上的易坏器件就是这么几个:振荡电路、开关管、变压器。
需要说明的是,维修过程中,很多屏暗现象并不是由于高压板本身引起的,有的是由于与主板的连线损坏,导致屏暗。有的是主板本身损坏,不能给高压板供电。所以大家在遇到屏暗现象的时候一定要注意!
光伏控制器简介
时间:2026-03-06
PLC现场安装和维护的注意事项介绍
时间:2026-03-06
继电器的工作原理以及驱动电路解析
时间:2026-03-06
三菱PLC功能指令介绍(二)
时间:2026-03-06
三菱PLC辅助继电器和定时器介绍
时间:2026-03-06
HTCC:半导体封装的理想方式
时间:2026-03-06
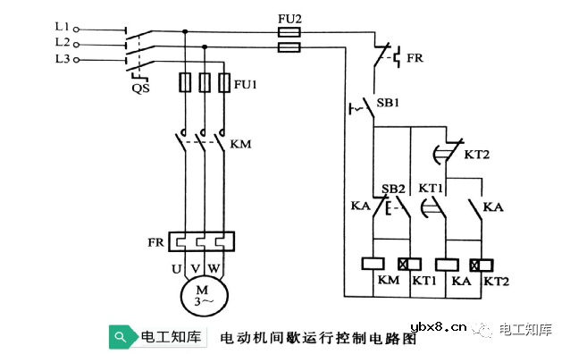
电动机间歇运行控制电路分析
时间:2026-03-06
Y-△降压启动电路的原理及故障查找方法
时间:2026-03-06
设计诀窍可帮助您设计UPS或其他电池储能系统
时间:2026-03-06
谐波变压器的特点
时间:2026-03-06
什么是追踪缓存/转接卡?
时间:2026-03-06
瞬间抑制二极管(TVS)/瞬间抑制二极管(TVS)是...
时间:2026-03-04
什么是EPIC
时间:2026-03-06
什么是联合并行处理二级缓存?
时间:2026-03-06
什么是Speculative execution/SQRT?
时间:2026-03-06
什么是霍尔传感器
时间:2026-03-05
双向二极管起什么作用?
时间:2026-03-04
分组码,分组码 是什么意思
时间:2026-03-05
半导体材料的主要种类有哪些?
时间:2026-03-04
高级封装,高级封装是什么意思
时间:2026-03-04