晶闸管(可控硅)应用详细介绍
| 一. | 参数说明 | |||||||||||||||||||||||||||||||||
| 1. | 参数表中所给出的数据,ITSM、I2t、dv/dt、di/dt指的是元件所能满足的最小值, Qr、VTM、VTO、rT指元件可满足(不超过)的最大值。 | |||||||||||||||||||||||||||||||||
| 2. | 通态平均电流额定值ITAV(IFAV) | |||||||||||||||||||||||||||||||||
| ITAV(IFAV)指在双面冷却条件下,保证散热器温度55℃时,允许元件流过的最大正弦半波电流平均值。ITAV(IFAV)对应元件额定有效值IRMS=1.57 ITAV。实际使用中,若不能保证散热器温度低于55℃或散热器与元件接触热阻远大于规定值,则元件应降额使用。 | ||||||||||||||||||||||||||||||||||
| 3. | 晶闸管通态电流上升率di/dt | |||||||||||||||||||||||||||||||||
| 参数表中所给的为元件通态电流上升率的临界重复值。其对应不重复测试值为重复值的2倍以上,在使用过程中,必须保证元件导通期任何时候的电流上升率都不能超过其重复值。 | ||||||||||||||||||||||||||||||||||
| 4. | 晶闸管使用频率 | |||||||||||||||||||||||||||||||||
晶闸管可工作的最大频率由其工作时的电流脉冲宽度tp,关断时间tq以及从关断后承受正压开始至其再次开通的时间tV决定。fmax=1/(tq+tp+tV)。根据工作频率选取元件时必须保证元件从正向电流过零至开始承受正压的时间间隔tH>tq,并留有一定的裕量。随着工作频率的升高,元件正向损耗Epf和反向恢复损耗Epr随之升高,元件通态电流须降额使用。 | ||||||||||||||||||||||||||||||||||
| 二. | 元件的选择 | |||||||||||||||||||||||||||||||||
| 正确地选择晶闸管、整流管等电力电子器件对保证整机设备的可靠性及降低设备成本具有重要意义。元件的选择要综合考虑其使用环境、冷却方式、线路型式、负载性质等因素,在保证所选元件各参数具有裕量的条件下兼顾经济性。由于电力电子器件的应用领域十分广泛,具体应用形式多种多样,下面仅就晶闸管元件在整流电路和单项中频逆变电路中的选择加以说明。 | ||||||||||||||||||||||||||||||||||
| 1. | 整流电路器件选择 | |||||||||||||||||||||||||||||||||
| 工频整流是晶闸管元件最常用的领域之一。元件选用主要考虑其额定电压和额定电流。 | ||||||||||||||||||||||||||||||||||
| (1) | 晶闸管器件的正反向峰值电压VDRM和VRRM:应为元件实际承受最大峰值电压UM的2-3倍,即VDRM/RRM=(2-3)UM。各种整流线路对应的UM值见表1。 | |||||||||||||||||||||||||||||||||
| (2) | 晶闸管器件的额定通态电流IT(AV):晶闸管的IT(AV)值指的是工频正弦半波平均值,其对应的有效值ITRMS=1.57IT(AV)。为使元件在工作过程中不因过热损坏,流经元件的实际有效值应在乘以安全系数1.5-2后才能等于1.57IT(AV)。假设整流电路负载平均电流为Id,流经每个器件的电流有效值为KId,则所选器件的额定通态电流应为:
IT(AV)=(1.5-2)KId / 1.57=Kfd*Id Kfd为计算系数。对于控制角α=0O时,各种整流电路下的Kfd值见表1。选择元件IT(AV)值还应考虑元件散热方式。一般情况下风冷比水冷相同元件的额定电流值要低;自然冷却情况下,元件的额定电流要降为标准冷却条件下的三分之一。 | |||||||||||||||||||||||||||||||||
| 表1:整流器件的最大峰值电压UM及通态平均电流计算系数Kfd | ||||||||||||||||||||||||||||||||||
| ||||||||||||||||||||||||||||||||||
| 注:U2为主回路变压器二次相电压有效值;单项半波电感负载电路带续流二极管。 | ||||||||||||||||||||||||||||||||||
| 2. | 中频逆变元件的选择 | |||||||||||||||||||||||||||||||||
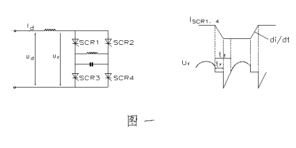
| 一般400HZ以上的工作条件下,应考虑使用KK器件;频率在4KHz以上时,可考虑使用KA器件。这里主要介绍一下并联逆变电路中元件的选择(见图一)。 | ||||||||||||||||||||||||||||||||||
| ||||||||||||||||||||||||||||||||||
| (1) | 元件正向和反向峰值电压VDRM、VRRM | |||||||||||||||||||||||||||||||||
| 元件正向和反向峰值电压应取其实际承受最大正、反向峰值电压的1.5-2倍。假设逆变器直流输入电压为Ud,功率因数为cosψ则:
VDRM/RRM=(1.5-2)πUd /(2cosψ) | ||||||||||||||||||||||||||||||||||
| (2) | 元件的额定通态电流IT(AV) | |||||||||||||||||||||||||||||||||
| 考虑到元件在较高频率下工作时,其开关损耗非常显著,元件的额定通态电流应按实际流过其有效值I的2-3倍来考虑,即
IT(AV)=(2-3)I/1.57 假设逆变器直流输入电流为Id,则所选器件IT(AV)为 IT(AV)=(2-3)×Id/(1.57 ) | ||||||||||||||||||||||||||||||||||
| (3) | 关断时间tq | |||||||||||||||||||||||||||||||||
| 并联逆变线路中,KK元件的关断时间选择要根据触发引前时间tf和换流时间tr来决定。一般取:
| ||||||||||||||||||||||||||||||||||
| tq=(tf-tr)× |
|
|||||||||||||||||||||||||||||||||
| (当功率因数为0.8时tf约为周期的十分之一,tr按元件di/dt小于或等于100A/μS来确定) | ||||||||||||||||||||||||||||||||||
| 在频率较高时,可通过减小换流时间tr,并适当牺牲功率因数增加tf的方法来选择具有合适tq值的元件 | ||||||||||||||||||||||||||||||||||
| 以上简略介绍了整流和逆变工作条件下元件的选择。在许多情况下,除了元件的额定电压、电流外,还要根据具体条件选择元件的门极参数、通态压降以及断态电压临界上升率dv/dt和通态电流临界上升率di/dt。 | ||||||||||||||||||||||||||||||||||
| 三. | 元件的保护 | |||||||||||||||||||||||||||||||||
| 晶闸管元件的电压和电流过载能力极差,尤其是耐压能力,瞬时的过压就会造成元件永久性的损坏。为了使元件能长期可靠地运行,必须针对过压
和过电流发生的原因采取保护措施。 | ||||||||||||||||||||||||||||||||||
| 1. | 过压保护 | |||||||||||||||||||||||||||||||||
|
晶闸管工作过程中可能承受的过压主要有以下几种:一种是由于装置拉、合闸、负载打火等引起的过压;一种是由于元件关断时产生的关断电压;还有因雷击等原因从电网侵入的浪涌电压。为限制过电压的幅值低于元件的正反向峰值电压,可采取以下保护措施(见图二)。 | ||||||||||||||||||||||||||||||||||
| ||||||||||||||||||||||||||||||||||
| (1) | 在变压器一次侧接上避雷器,在二次侧加装阻容保护、硒堆、压敏电阻等非线性电阻元件进行保护。在整流直流侧采取压敏电阻和泄能保护装置,以防止元件承受过电压。 | |||||||||||||||||||||||||||||||||
| (2) | 在晶闸管阴阳极两端直接进行保护。晶闸管关断过程中主电流过零反向后迅速由反向峰值恢复至零电流,此过程可在元件两端产生达正常工作峰值电压5-6倍的尖峰电压。一般建议在尽可能靠近元件本身的地方接上阻容吸收回路。电阻R选无感电阻,通常取5-30Ω;电容C通常在0.1-1μF,耐压选元件耐压的1.1-1.5倍。具体R、C取值可根据元件型号及工作情况调试决定。注意保证电阻R的功率,尤其在中频逆变电路中,使之不会因发热而损坏。 | |||||||||||||||||||||||||||||||||
| 2. | 过流保护 | |||||||||||||||||||||||||||||||||
| 晶闸管元件在短时间内具有一定的过流能力,但在过流严重时,不采取保护措施,就会造成元件损坏。在线路设计和元件选择时应考虑负载短路和过载情况,确保在异常情况下设备能自动保护。一般有以下几种措施(见图三)。 | ||||||||||||||||||||||||||||||||||
| ||||||||||||||||||||||||||||||||||
| (1) | 在进线中串接电抗器限制短路电流,使其他保护方式切断电流前元件短时间内不致损坏; | |||||||||||||||||||||||||||||||||
| (2) | 线路采用过流检测装置,由过流信号控制触发器抑制过流,或接入过流继电器。 | |||||||||||||||||||||||||||||||||
| (3) | 安装快速熔断器。快速熔断器的动作时间要求在10ms以内,熔断体的额定电流IKR可按以下原则选取:
1.57IT(AV)≥IKR≥IT | |||||||||||||||||||||||||||||||||
| IT(AV)为元件额定电流,IT为元件实际工作电流有效值 | ||||||||||||||||||||||||||||||||||
| 四. | 晶闸管门极触发 | |||||||||||||||||||||||||||||||||
| 参数表中所给晶闸管IGT、VGT为能触发元件至通态的最小值,实际使用中,晶闸管门极触发IGT、VGT应远大于此值。 | ||||||||||||||||||||||||||||||||||
| 应用中门极触发电流波形对晶闸管开通时间、开通损耗以及di/dt承受能力,都有较大影响。为保证元件工作在最佳状态,并增强抗干扰性能,对仪元公司所有晶闸管,建议门极触发脉冲电流幅值:IGM=2~5A(<10A),上升率:diG/dt≥2A/μs,上升时间:tr≤1μs。即采用极陡前沿的强触发脉冲(见图四)。 | ||||||||||||||||||||||||||||||||||
| ||||||||||||||||||||||||||||||||||
| 五. | 元件串并联使用 | |||||||||||||||||||||||||||||||||
|
元件串并联使用时,线路上应采取门极强触发脉冲、均流、均压措施,还须挑选开通、恢复特性一致的元件。特别是元件串联工作于较高di/dt的逆变线路中时,其反向恢复特性对动态均压起主要作用。 | ||||||||||||||||||||||||||||||||||
| 六. | 散热器与元件的安装 | |||||||||||||||||||||||||||||||||
| 元件的冷却方式有加装散热器自然冷却,风冷和水冷等方式,为了使元件充分地发挥其额定性能并加强使用中的可靠性,除必须科学地选择散热器外还需正确地安装。只有正确地安装散热器才能保证其与元件芯片间的热阻Rj-hs满足数据表中的要求。
在元件与散热器的安装时,应注意以下事项: | ||||||||||||||||||||||||||||||||||
| 1. | 散热器的台面必须与元件台面尺寸相匹配,防止压扁、压歪损坏器件。 | |||||||||||||||||||||||||||||||||
| 2. | 散热器台面必须具有较高的平整、光洁度。建议散热器台面粗糙度小于或等于1.6μm,平整度小于或等于30μm。安装时元件台面与散热器台面应保持清洁干净无油污等脏物。 | |||||||||||||||||||||||||||||||||
| 3. | 安装时要保证元件台面与散热器的台面完全平行、同心。安装过程中,要求通过元件中心线施加压力以使压力均匀分布在整个接触区域。用户手工安装时,建议使用扭矩扳手,对所有紧固螺母交替均匀用力,压力的大小要达到数据表中的要求。 | |||||||||||||||||||||||||||||||||
| 4. | 在重复使用水冷散热器时,应特别注意检查其台面是否光洁、平整,水腔内是否有水垢和堵塞,尤其注意台面是否出现下陷情况,若出现了上述情况应予以更换。
水冷散热器安装图见下图(图五): | |||||||||||||||||||||||||||||||||
| 在使用中需注意,风冷方式加装散热器后,一般要求风速不低于6m/s;水冷方式要求水冷散热器水流量不小于4×103 ml/min,进水温度5℃-35℃,水质ρ≤2.5KΩcm。
仪元公司可提供SS水冷系列和SF风冷系列以及各类非标及组件散热器,为元件配套使用。 根据元件通态额定平均电流推荐配置的标准型散热器型号见下表。 | ||||||||||||||||||||||||||||||||||
| ||||||||||||||||||||||||||||||||||
| 其中SF系列风冷散热器是指在强迫风冷(风速≥6m/s)条件下的推荐配置,用户在使用时应根据实际散热条件并考虑可靠性要求进行选择。对于1000A以上元件一般不推荐使用风冷散热器,若使用风冷散热器,则元件额定电流需降额使用。 | ||||||||||||||||||||||||||||||||||
| 用户未作特别要求时,仪元公司所提供的成套元件都按标准配置安装散热器。 | ||||||||||||||||||||||||||||||||||
东芝牌RAC-45NHE型空调机电路图
时间:2026-03-04
杜鹃牌XPB2-3型洗衣机电路图
时间:2026-03-04
干衣机电路图
时间:2026-03-04
古桥牌KC-30DE型牌窗式空调机电路图
时间:2026-03-04
好乐牌KC-42R型窗式空调机电路图
时间:2026-03-04
佳乐牌KCS-12型窗式空调机电路图
时间:2026-03-04
江南牌KC-20型窗式空调器电路图
时间:2026-03-04
江南牌KCD-31型窗式空调器电路图
时间:2026-03-04
金羚牌XQB30-5型全自动洗衣机电路图
时间:2026-03-04
日产AW B310B型洗衣机控制器电路图
时间:2026-03-04
瞬间抑制二极管(TVS)/瞬间抑制二极管(TVS)是...
时间:2026-03-04
常用整流二极管型号大全
时间:2026-03-04
S/HS固态继电器原理简介
时间:2026-03-04
稳压二极管的选用和代换
时间:2026-03-04
TVS器件的电特性有哪些
时间:2026-03-04
TVS二极管的分类/应用,TVS二极管的特点/选用...
时间:2026-03-04
快恢复二极管,快恢复二极管是什么意思
时间:2026-03-04
PN结温度传感器工作原理是什么?
时间:2026-03-04
双向二极管起什么作用?
时间:2026-03-04
半导体材料的主要种类有哪些?
时间:2026-03-04