光电编码器,光电编码器的工作原理
光电编码器,是一种通过光电转换将输出轴上的机械几何位移量转换成脉冲或数字量的传感器。这是目前应用最多的传感器,光电编码器是由光栅盘和光电检测装置组成。光栅盘是在一定直径的圆板上等分地开通若干个长方形孔。由于光电码盘与电动机同轴,电动机旋转时,光栅盘与电动机同速旋转,经发光二极管等电子元件组成的检测装置检测输出若干脉冲信号,其原理示意图如图1所示;通过计算每秒光电编码器输出脉冲的个数就能反映当前电动机的转速。此外,为判断旋转方向,码盘还可提供相位相差90º的两路脉冲信号。

根据检测原理,编码器可分为光学式、磁式、感应式和电容式。根据其刻度方法及信号输出形式,可分为增量式、绝对式以及混合式三种。
(一)增量式编码器
增量式编码器是直接利用光电转换原理输出三组方波脉冲A、B和Z相;A、B两组脉冲相位差90º,从而可方便地判断出旋转方向,而Z相为每转一个脉冲,用于基准点定位。它的优点是原理构造简单,机械平均寿命可在几万小时以上,抗干扰能力强,可靠性高,适合于长距离传输。其缺点是无法输出轴转动的绝对位置信息。
(二)绝对式编码器
绝对编码器是直接输出数字量的传感器,在它的圆形码盘上沿径向有若干同心码道,每条道上由透光和不透光的扇形区相间组成,相邻码道的扇区数目是双倍关系,码盘上的码道数就是它的二进制数码的位数,在码盘的一侧是光源,另一侧对应每一码道有一光敏元件;当码盘处于不同位置时,各光敏元件根据受光照与否转换出相应的电平信号,形成二进制数。这种编码器的特点是不要计数器,在转轴的任意位置都可 读出一个固定的与位置相对应的数字码。显然,码道越多,分辨率就越高,对于一个具有 N位二进制分辨率的编码器,其码盘必须有N条码道。目前国内已有16位的绝对编码器产品。
绝对式编码器是利用自然二进制或循环二进制(葛莱码)方式进行光电转换的。绝对式编码器与增量式编码器不同之处在于圆盘上透光、不透光的线条图形,绝对编码器可有若干编码,根据读出码盘上的编码,检测绝对位置。编码的设计可采用二进制码、循环码、二进制补码等。它的特点是:
1.可以直接读出角度坐标的绝对值;
2.没有累积误差;
3.电源切除后位置信息不会丢失。但是分辨率是由二进制的位数来决定的,也就是说精度取决于位数,目前有10位、14位等多种。
(三)混合式绝对值编码器
混合式绝对值编码器,它输出两组信息:一组信息用于检测磁极位置,带有绝对信息功能;另一组则完全同增量式编码器的输出信息。
光电编码器是一种角度(角速度)检测装置,它将输入给轴的角度量,利用光电转换原理 转换成相应的电脉冲或数字量,具有体积小,精度高,工作可靠,接口数字化等优点。它广泛应用于数控机床、回转台、伺服传动、机器人、雷达、军事目标测定等需要检测角度的装置和设备中。
二、光电编码器的应用电路
(一)EPC-755A光电编码器的应用
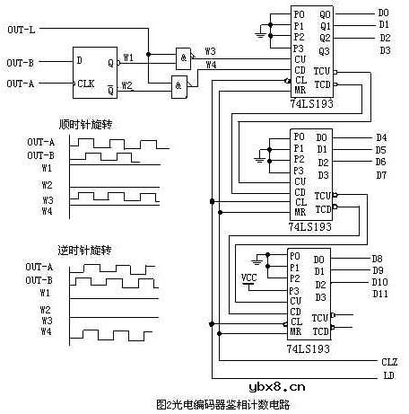
EPC-755A光电编码器具备良好的使用性能,在角度测量、位移测量时抗干扰能力很强,并具有稳定可靠的输出脉冲信号,且该脉冲信号经计数后可得到被测量的数字信号。因此,我们在研制汽车驾驶模拟器时,对方向盘旋转角度的测量选用EPC-755A光电编码器作为传感器,其输出电路选用集电极开路型,输出分辨率选用360个脉冲/圈,考虑到汽车方向盘转动是双向的,既可顺时针旋转,也可逆时针旋转,需要对编码器的输出信号鉴相后才能计数。图2给出了光电编码器实际使用的鉴相与双向计数电路,鉴相电路用1个D触发器和2个与非门组成,计数电路用3片74LS193组成。

当光电编码器顺时针旋转时,通道A输出波形超前通道B输出波形90°,D触发器输出Q(波形W1)为高电平,Q(波形W2)为低电平,上面与非门打开,计数脉冲通过(波形W3),送至双向计数器74LS193的加脉冲输入端CU,进行加法计数;此时,下面与非门关闭,其输出为高电平(波形W4)。当光电编码器逆时针旋转时,通道A输出波形比通道B输出波形延迟90°,D触发器输出Q(波形W1)为低电平,Q(波形W2)为高电平,上面与非门关闭,其输出为高电平(波形W3);此时,下面与非门打开,计数脉冲通过(波形W4),送至双向计数器74LS193的减脉冲输入端CD,进行减法计数。
汽车方向盘顺时针和逆时针旋转时,其最大旋转角度均为两圈半,选用分辨率为360个脉冲/圈的编码器,其最大输出脉冲数为900个;实际使用的计数电路用3片74LS193组成,在系统上电初始化时,先对其进行复位(CLR信号),再将其初值设为800H,即2048(LD信号);如此,当方向盘顺时针旋转时,计数电路的输出范围为2048~2948,当方向盘逆时针旋转时,计数电路的输出范围为2048~1148;计数电路的数据输出D0~D11送至数据处理电路。
实际使用时,方向盘频繁地进行顺时针和逆时针转动,由于存在量化误差,工作较长一段时间后,方向盘回中时计数电路输出可能不是2048,而是有几个字的偏差;为解决这一问题,我们增加了一个方向盘回中检测电路,系统工作后,数据处理电路在模拟器处于非操作状态时,系统检测回中检测电路,若方向盘处于回中状态,而计数电路的数据输出不是2048,可对计数电路进行复位,并重新设置初值。
(二)光电编码器在重力测量仪中的应用
采用旋转式光电编码器,把它的转轴与重力测量仪中补偿旋钮轴相连。重力测量仪中补偿旋钮的角位移量转化为某种电信号量;旋转式光电编码器分两种,绝对编码器和增量编码器。
增量编码器是以脉冲形式输出的传感器,其码盘比绝对编码器码盘要简单得多且分辨率更高 。一般只需要三条码道,这里的码道实际上已不具有绝对编码器码道的意义,而是产生计数 脉冲。它的码盘的外道和中间道有数目相同均匀分布的透光和不透光的扇形区(光栅),但是两道扇区相互错开半个区。当码盘转动时,它的输出信号是相位差为90°的A相和B相脉冲 信号以及只有一条透光狭缝的第三码道所产生的脉冲信号(它作为码盘的基准位置,给计数 系统提供一个初始的零位信号)。从A,B两个输出信号的相位关系(超前或滞后)可判断旋转的方向。由图3(a)可见,当码盘正转时,A道脉冲波形比B道超前π/2,而反转时 ,A道脉冲比B道滞后π/2。图3(b)是一实际电路,用A道整形波的下沿触发单稳态 产生的正脉冲与B道整形波相‘与’,当码盘正转时只有正向口脉冲输出,反之,只有逆向口脉冲输出。因此,增量编码器是根据输出脉冲源和脉冲计数来确定码盘 的转动方向和相对角位移量。通常,若编码器有N个(码道)输出信号,其相位差为π/ N,可计数脉冲为2N倍光栅数,现在N=2。图3电路的缺点是有时会产生误记脉冲造成误差, 这种情况出现在当某一道信号处于“高”或“低”电平状态,而另一道信号正处于“高”和 “低”之间的往返变化状态,此时码盘虽然未产生位移,但是会产生单方向的输出脉冲。例如,码盘发生抖动或手动对准位置时(下面可以看到,在重力仪测量时就会有这种情况)。


图4是一个既能防止误脉冲又能提高分辨率的四倍频细分电路。在这里,采用了有记忆功能 的D型触发器和时钟发生电路。由图4可见,每一道有两个D触发器串接,这样,在时钟脉 冲的间隔中,两个Q端(如对应B道的74LS175的第2、7引脚)保持前两个时钟期的输入 状态,若两者相同,则表示时钟间隔中无变化;否则,可以根据两者关系判断出它的变化方 向,从而产生‘正向’或‘反向’输出脉冲。当某道由于振动在‘高’、‘低’间往复变化 时,将交替产生‘正向’和‘反向’脉冲,这在对两个计数器取代数和时就可消除它们的影 响(下面仪器的读数也将涉及这点)。由此可见,时钟发生器的频率应大于振动频率的可能 最大值。由图4还可看出,在原一个脉冲信号的周期内,得到了四个计数脉冲。例如,原每 圈脉冲数为1000的编码器可产生4倍频的脉冲数是4000个,其分辨率为0.09°。实际上 ,目前这类传感器产品都将光敏元件输出信号的放大整形等电路与传感检测元件封装在一起 ,所以只要加上细分与计数电路就可以组成一个角位移测量系统(74159是4-16译码器)。
三、应用中问题分析及改进措施
(一)应用中问题分析
光电检测装置的发射和接收装置都安装在生产现场,在使用中暴露出许多缺陷,其有内在因素也有外在因素,主要表现在以下几个方面:
1.发射装置或接受装置因机械震动等原因而引起的移位或偏移,导致接收装置不能可靠的接收到光信号,而不能产生电信号。例如;光电编码器应用在轧钢调速系统中,因光电编码器是直接用螺栓固定在电动机的外壳上,光电编码器的轴通过较硬的弹簧片和电动机转轴相连接,因电动机所带负载是冲击性负载,当轧机过钢时会引起电动机转轴和外壳的振动。经测定;过钢时光电编码器振动速度为2.6mm/s,这样的振动速度会损坏光电编码器的内部功能。造成误发脉冲,从而导致控制系统不稳定或误动作,导致事故发生。
2.因光电检测装置安装在生产现场,受生产现场环境因素影响导致光电检测装置不能可靠的工作。如安装部位温度高、湿度大,导致光电检测装置内部的电子元件特性改变或损坏。例如在连铸机送引锭跟踪系统,由于光电检测装置安装的位置靠近铸坯,环境温度高而导致光电检测装置误发出信号或损坏,而引发生产或人身事故。
3.生产现场的各种电磁干扰源,对光电检测装置产生的干扰,导致光电检测装置输出波形发生畸变失真,使系统误动或引发生产事故。例如;光电检测装置安装在生产设备本体,其信号经电缆传输至控制系统的距离一般在20m~100m,传输电缆虽然一般都选用多芯屏蔽电缆,但由于电缆的导线电阻及线间电容的影响再加上和其他电缆同在一起敷设,极易受到各种电磁干扰的影响,因此引起波形失真,从而使反馈到调速系统的信号与实际值的偏差,而导致系统精度下降。
(二)改进措施
1.改变光电编码器的安装方式。光电编码器不在安装在电动机外壳上,而是在电动机的基础上制作一固定支架来独立安装光电编码器,光电编码器轴与电动机轴中心必须处于同一水平高度,两轴采用软橡胶或尼龙软管相连接,以减轻电动机冲击负载对光电编码器的机械冲击。采用此方式后经测振仪检测,其振动速度降至1.2mm/s。
2.合理选择光电检测装置输出信号传输介质,采用双绞屏蔽电缆取代普通屏蔽电缆。双绞屏蔽电缆具有两个重要的技术特性,一是对电缆受到的电磁干扰具有较强的防护能力,因为空间电磁场在线上产生的干扰电流可以互相抵消。双绞屏蔽电缆的另一个技术特点是互绞后两线间距很小,两线对干扰线路的距离基本相等,两线对屏蔽网的分布电容也基本相同,这对抑制共模干扰效果更加明显。
3.利用PLC软件监控或干涉。在连铸生产的送引锭过程要求光电检测装置产生有时序性的电信号,同时,该信号与整个过程不同阶段相对应。如图5。

(1)送引锭过程启动前,光电信号1为“1”。
(2)送引锭过程启动后,在A阶段,辊道启动,引锭杆上送。当引锭杆挡住光电装置发射出的红外光时,光电信号为“0”;当红外光透过引锭杆中部2个小圆孔时,光电装置发出信号2和3,均为“1”。
(3)送引锭过程在B阶段,光电信号为“0”,辊道停下,引锭杆暂停上送,扇形10段压下,启动拉矫机和“同步1”,引锭杆继续上送。
(4)送引锭过程在C阶段,引锭杆上送,并不再挡住红外光,光电信号4为“1”,启动“同步2”,停下“同步1”,引锭杆继续上送。至此光电装置工作过程结束。
根据光检测电装置的工作过程,只要现场测定送引锭过程中各个光电信号发生的时间,结合送引锭过程与光电信号的关系,利用PLC应用程序中的相关数据,编制符合要求的PLC程序,将PLC程序输出信号输入至PLC的输入模块,替代原光电信号的输入信号。其程序框图如图6所示。
body.clientHeight)this.width=body.clientHeight" border=0>
四、结语
光电检测装置本身是由电子元器件构成,它对安装环境有一定的技术要求,特别是在较恶劣环境下使用,要采取相应的保护措施,以使光电检测装置工作在其产品要求的技术条件下,才能发挥装置的技术性能。否则光电检测装置的使用寿命及其工作的可靠性都将受到不同程度的影响。结合光电检测装置在生产过程控制中的应用实践,在控制系统设计中;不宜采用光电检测装置的信号作为重要的控制信号,以避免光电装置突然损坏或工作不稳定(环境高温、湿度大、机械振动、外力碰创等)引起其他设备事故。在控制系统中应用PLC程序实适进行过程控制的监控或干涉,以克服了因系统中采用光电装置而存在的各种缺陷,是提高系统可靠性.
东芝牌RAC-45NHE型空调机电路图
时间:2026-03-04
杜鹃牌XPB2-3型洗衣机电路图
时间:2026-03-04
干衣机电路图
时间:2026-03-04
古桥牌KC-30DE型牌窗式空调机电路图
时间:2026-03-04
好乐牌KC-42R型窗式空调机电路图
时间:2026-03-04
佳乐牌KCS-12型窗式空调机电路图
时间:2026-03-04
江南牌KC-20型窗式空调器电路图
时间:2026-03-04
江南牌KCD-31型窗式空调器电路图
时间:2026-03-04
金羚牌XQB30-5型全自动洗衣机电路图
时间:2026-03-04
日产AW B310B型洗衣机控制器电路图
时间:2026-03-04
瞬间抑制二极管(TVS)/瞬间抑制二极管(TVS)是...
时间:2026-03-04
常用整流二极管型号大全
时间:2026-03-04
S/HS固态继电器原理简介
时间:2026-03-04
稳压二极管的选用和代换
时间:2026-03-04
TVS器件的电特性有哪些
时间:2026-03-04
TVS二极管的分类/应用,TVS二极管的特点/选用...
时间:2026-03-04
快恢复二极管,快恢复二极管是什么意思
时间:2026-03-04
PN结温度传感器工作原理是什么?
时间:2026-03-04
双向二极管起什么作用?
时间:2026-03-04
半导体材料的主要种类有哪些?
时间:2026-03-04