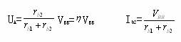
单结晶体管的工作原理和特性曲线
当b1—b2.间加电源VBB,且发射极开路时,A点电位及基极b2的电流为:

式中η称为单结晶体管的分压比,其数值主要与管子的结构有关,一般在0.5~0.9之间。

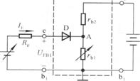
图3 单结晶体管特性曲线的测试
当e一b1电压Ueb1为零或(Ueb1< UA)时,二极管承受反向电压,发射极的电流Ie为二极管的反向电流,记作IEO。
当Ueb1增大,使PN结正向电压大于开启电压时,则IE变为正向电流,从发射极e流向基极b1,此时,空穴浓度很高的P区向电子浓度很低的硅棒的A—b1区注入非平衡少子;由于半导体材料的电阻与其载流子的浓度紧密相关,注入的载流子使rb1减小;而且rb1的减小,使其压降减小,导致PN结正向电压增大,IE随之增大,注入的载流子将更多,于是rb1进一步减小;当IE增大到一定程度时,二极管的导通电压将变化不大,此时UEB1。将因rb1的减小而减小,表现出负阻特性。
负阻特性:是指输入电压增大到某一数值后,输入电流愈大,输入端的等效电阻愈小的特性。
一旦单结晶体管进入负阻工作区域,输入电流IE的增加只受输入回路外部电阻的限制,除非将输入回路开路或将IE减小到很小的数值,否则管子将始终保持导通状态。
单结晶体管的特性曲线
如图3,当 UEB1增大至UP(峰点电压)时,PN结开始正向导通,UP=UA+Uon;UEB1再增大一点,管子就进入负阻区,随着IE增大,rb1减小,UEB1减小,直至UEB1=Uv(谷点电压)。IE=IV谷点电流),IE再增大,管子进入饱和区。单结晶体管有三个工作区域
单结晶体管的负阻特性广泛应用于定时电路和振荡电路之中。除了单结晶体管外,具有负阻特性的器件还有隧道二极管、A双极型晶体管、负阻场效应管等。
相关热词:#单结晶体管的工作原理 #电子电路图
东芝牌RAC-45NHE型空调机电路图
时间:2026-03-04
杜鹃牌XPB2-3型洗衣机电路图
时间:2026-03-04
干衣机电路图
时间:2026-03-04
古桥牌KC-30DE型牌窗式空调机电路图
时间:2026-03-04
好乐牌KC-42R型窗式空调机电路图
时间:2026-03-04
佳乐牌KCS-12型窗式空调机电路图
时间:2026-03-04
江南牌KC-20型窗式空调器电路图
时间:2026-03-04
江南牌KCD-31型窗式空调器电路图
时间:2026-03-04
金羚牌XQB30-5型全自动洗衣机电路图
时间:2026-03-04
日产AW B310B型洗衣机控制器电路图
时间:2026-03-04
瞬间抑制二极管(TVS)/瞬间抑制二极管(TVS)是...
时间:2026-03-04
常用整流二极管型号大全
时间:2026-03-04
S/HS固态继电器原理简介
时间:2026-03-04
稳压二极管的选用和代换
时间:2026-03-04
TVS器件的电特性有哪些
时间:2026-03-04
TVS二极管的分类/应用,TVS二极管的特点/选用...
时间:2026-03-04
快恢复二极管,快恢复二极管是什么意思
时间:2026-03-04
PN结温度传感器工作原理是什么?
时间:2026-03-04
双向二极管起什么作用?
时间:2026-03-04
半导体材料的主要种类有哪些?
时间:2026-03-04