采用MC34063的隔离高压大电流变压器初级线圈驱动电路
图1为采用MC34063芯片构成的隔离高压大电流变压器初级线圈驱动电路。当芯片内部的开关管导通时,MC34063的2脚将呈现高电平,外部P型三极管Q1截止,N型MOSFET管Q2导通。电流经变压器初级线圈和Q2到地,初级线圈储存能量。当内部开关管关断时,MC34063的2脚为低电平,Q1导通,Q2截止,初级线圈回路断开。能量耦合到变压器的次级线圈。从变压器的另一次级线圈对输出电压进行取样,然后经分压后送到MC34063的5脚可保证输出电压的稳定。该电路中次级主输出端为浮地电源输出,非常适合医疗等要求浮地的系统使用。

非隔离、隔离在此指输出信号是否和变压器输入部分相连。
MC34063A在线电源计算器-Online Power calculation
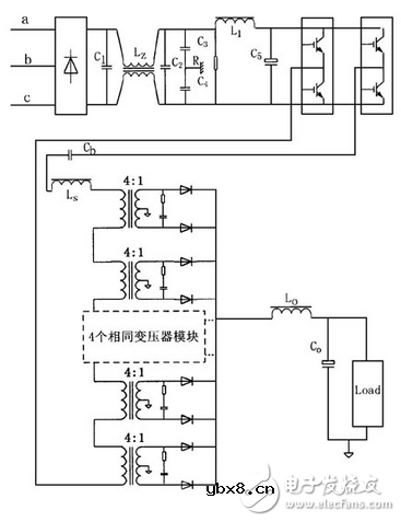
这种变压器是由8 个相同的小变压器构成,变比均为4∶1 ,它们的初级串联,而次级则采用并联结构。该变压器采用初级自冷和次级水冷相结合的冷却方式,这样考虑主要在于它们的热损耗不同,而且可以大大简化变压器的制作工序。高频功率变压器电路:

一文简析变压器原理及接线组别
时间:2026-03-06
TIL601~TIL604 LS600 LS602 LS61
时间:2026-03-06
TIL601~TIL604 LS600 LS602 LS61
时间:2026-03-06
TIL601~TIL604 LS600 LS602 LS61
时间:2026-03-06
TIL601~TIL604 LS600 LS602 LS61
时间:2026-03-06
TIL3009~TIL3012参数测量电路图
时间:2026-03-06
TIL3009~TIL3012管脚电路图
时间:2026-03-06
TIL3009~TIL3012管教封装尺寸电路图
时间:2026-03-06
TIL3009~TIL3012逻辑电路图
时间:2026-03-06
TIL3009-TIL3012电阻负载电路图
时间:2026-03-06
玻璃釉电容器的结构与特点
时间:2026-03-05
关于STM32WL LSE 添加反馈电阻后无法起振的...
时间:2026-03-05
绝缘电阻用什么来测量_绝缘电阻测量方法
时间:2026-03-05
电阻的标称阻值和允许偏差
时间:2026-03-05
使用过滤器电容器和诱导器来抑制受辐射的EM...
时间:2026-03-05
安规电容资料整理(定义/作用/分类)
时间:2026-03-05
如何区分电容的正负极
时间:2026-03-05
耦合电容器的概念、结构及应用
时间:2026-03-05
瓷片电容的意义以及电容抗扰电路设计与分析
时间:2026-03-05
电容电感区别在哪里?特性差异是什么?可编...
时间:2026-03-05