整流堆,什么是整流堆
桥堆的检测
1. 全桥的检测 大多数的整流全桥上,均标注有“+”、“-”、“~”符号(其中“+”为整流后输出电压的正极,“-”为输出电压的负极,“~”为交流电压输入端),很容易确定出各电极。
检测时,可通过分别测量“+”极与两个“~”极、“-”极与两个“~”之间各整流二极管的正、反向电阻值(与普通二极管的测量方法相同)是否正常,即可判断该全桥是否已损坏。若测得全桥内鞭只二极管的正、反向电阻值均为0或均为无穷大,则可判断该二极管已击穿或开路损坏。
2. 半桥的检测 半桥是由两只整流二极管组成,通过用万用表分别测量半桥内部的两只二极管的正、反电阻值是否正常,即可判断出该半桥是否正常。
高压硅堆的检测
高压硅堆内部是由多只高压整流二极管(硅粒)串联组成,检测时,可用万用表的R×10k档测量其正、反向电阻值。正常的高压硅堆,其正向电阻值大于200kΩ,反向电阻值为无穷大。若测得其正、反向均有一定电阻值,则说明该高压硅堆已软击穿损坏。
高压整流堆的标准
本标准适用于工频50Hz,额定正向平均电流为3A及3A以下的ZD型高压整流堆(以下简称整流堆)。
本标准应与下列标准结合使用:
a.GB 4939 普通整流管。
b.GB 4023 半导体器件整流二极管的测试方法。
c.GB 4937 半导体分立器件机械和气候试验方法。
d.GB 4938 半导体分立器件接收和可靠性。
e.GB 2900.32电工名词术语 电力半导体器件。
1 型号与分类
1.1 型号与符号
1.1.1 型号

注:高压整流堆其含义为由许多整流元件的管芯串联组成的整流堆,它的反向耐压由管芯的耐压及所串联的管芯数目决定。
1.1.2 符号

A-阳极;K-阴极;
1.2 外形尺寸
1.2.1 圆形整流堆
圆形整流堆外形尺寸应符合图2、图3及表1的规定。

1.2.2 长条形整流堆
长条形整流堆外形尺寸应符合图4及表2的规定。


1.3 品种、级、组和类的划分
1.3.1 按额定正向平均电流值分品种,见表3。

1.3.2 按反向重复峰值电压分级,见表4。

1.3.3 按正向峰值电压分组,见表5。

1.3.4 按额定结温时的反向重复峰值电流分类,见表6

2 额定值和特性参数
最大额定值(极限值)与特性参数值符合表7规定,并适用于整个工作温度范围。

注:表中A、B为本标准表5中按正向峰值电压所分的A组、B组。
3 逐批检验和周期检验
3.1 逐批检验
产品应按表8进行百分之百的检验,表8项目为非破坏性试验。

注:①USL为表7对应的规范上限值。
②表8中第三项试验,对于级别≤4的整流堆,包括级别4以上的组件中的单件,其级别≤4,都必须进行额定结温下的试验。
3.2 周期检验
3.2.1 正常生产的定型产品,除振动、冲击和热疲劳项目每三年至少对一批进行试验外,表9其它所有项目必须每年对一批进行一次检验。
3.2.2 不经常生产的产品,再次投产时,须进行此项检验。
3.2.3 当工艺改变时,且影响其性能时,须进行此项检验。检验项目按表9进行。

`~33-1#
注:① 抽样方案栏中,n、c分别为抽样数和合格判定数。
② 合格判据栏的USL为表7中对应的规范上限值。
③ 周期检验如第一次抽样检验不合格,可按附录B进行追加抽样的方法再次检验,但只能追加一次。
④ 厂家生产雪崩整流堆时,必须实行表9第三项的反向浪涌功率试验。
⑤ 表9中第7项试验,对于级别≤4的整流堆,包括级别4以上的组件中的单件,其级别≤4,都必须
进行额定结温下的试验。
4 质量类别、标志和定货单
4.1 质量类别
本标准的产品质量评定类别为Ⅰ类。对Ⅱ类的最低要求是:鉴定批准程序应符合GB 4936.1的3.5条,各批都应符合按表8进行的逐批检验要求,每年按表9至少进行一次周期检验(其中的振动、冲击和热疲劳每三年至少对批进行一次试验)。
4.2 标志
4.2.1 产品上的标志包括:
a.产品型号及质量类别。
b.端子识别标志,用符号“ ”表示(箭头指向阴极端子)。
c.制造厂名称或商标。
d.产品应附有合格标记。
4.2.2 包装盒(袋)所附说明书上的标志包括:
a.产品型号及质量类别。
b.制造厂名称或商标。
c.防潮、防雨标志。
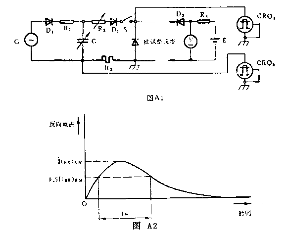
附录A反向浪涌功率试验 (补充件)
整流堆在规定的外壳温度(Tc)或环境温度(Ta)下,反向通以具有规定脉宽和峰值的电流进行试验。试后测量IRRM≤2USL,则被试整流堆通过此项试验。
A1 三角波法
按图1电路,被试整流堆反向流过图2的电流后,测量IRRM并确认无异常。图2波形是反向电流上升到峰值,一半之点至下降到峰值一半之点的时间(tw)为10±1μs、40±4μs,100±10μs的三角形电流波形。
反向浪涌功率(PRSM),由在示波器CRQ1测量的被试整流堆承受的反向电压峰值[V(BR)RN]和由示波器CRO2测量的流过它的电流峰值[I(BR)-M],按下式求出:

注:直流电源E,必要时接入。
A2 正弦波法
按图3电路,被试整流堆反向流过图4那样的电流后,测量IRRM并确认无异常。图4表示的是反向电流上升到峰值一半至下降到峰值一半的时间(tw)为10±1μs,40±4μs,100±10μs的正弦波电流。
反向浪涌功率按前所述的方法求出。

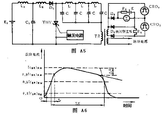
A3 方波法
按图5电路,被试整流堆流过图5那样的反向电流后,测量IRRM并确认无异常,图6表示的是上升时间不大于0.2tw,脉宽(tw)(从上升到峰值一半至下降到峰值一半的时间)为10±1μs,40±4μs、100±10μs的方波反向电流。反向浪涌功率按前所述的方法求出。

附录B追加抽样表(补充件)
追加抽样表
附加说明:
本标准由机械工业部西安整流器研究所提出并归口。
本标准由机械工业部上海电阻厂负责起草。
本标准主要起草人谭济东、单明圣、章映金。
本标准自实施之日起,原JB 2422-78高压整流堆部标作废。
来自"http://baike.eccn.com/eewiki/index.php/%E6%95%B4%E6%B5%81%E5%A0%86"
东芝牌RAC-45NHE型空调机电路图
时间:2026-03-04
杜鹃牌XPB2-3型洗衣机电路图
时间:2026-03-04
干衣机电路图
时间:2026-03-04
古桥牌KC-30DE型牌窗式空调机电路图
时间:2026-03-04
好乐牌KC-42R型窗式空调机电路图
时间:2026-03-04
佳乐牌KCS-12型窗式空调机电路图
时间:2026-03-04
江南牌KC-20型窗式空调器电路图
时间:2026-03-04
江南牌KCD-31型窗式空调器电路图
时间:2026-03-04
金羚牌XQB30-5型全自动洗衣机电路图
时间:2026-03-04
日产AW B310B型洗衣机控制器电路图
时间:2026-03-04
瞬间抑制二极管(TVS)/瞬间抑制二极管(TVS)是...
时间:2026-03-04
常用整流二极管型号大全
时间:2026-03-04
S/HS固态继电器原理简介
时间:2026-03-04
稳压二极管的选用和代换
时间:2026-03-04
TVS器件的电特性有哪些
时间:2026-03-04
TVS二极管的分类/应用,TVS二极管的特点/选用...
时间:2026-03-04
快恢复二极管,快恢复二极管是什么意思
时间:2026-03-04
PN结温度传感器工作原理是什么?
时间:2026-03-04
双向二极管起什么作用?
时间:2026-03-04
集电极开路(OC)/漏极开路(OD)输出的结构
时间:2026-03-04