触发器的分类, 触发器的电路
双稳态器件有两类:一类是触发器,一类是锁存器。锁存器是触发器的原始形式。基本锁存器由一对互耦的逻辑门组成【图4.2.1(b)(c), 图4.2.2(a)(b)】。


图4.2.1 用或非门组成的基本RS触发器
(b)电路结构 (c)图形符号


图4.2.2 用与非门组成的基本RS触发器
(a)电路结构 (b)图形符号
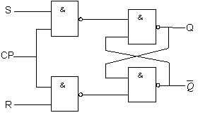
在基本锁存器【图4.2.4(a)(b)】基础上可以形成具有一定抗干扰能力的脉冲选通锁存器。


图4.2.4 同步RS触发器
(a)电路结构 (b)图形符号
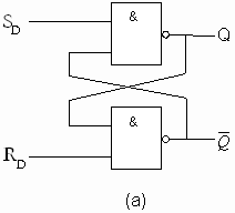
将两个脉冲选通锁存器级联起来可以形成抗干扰能力更强的主从触发器【图4.2.8(a)(b)】。

(a)

b)
图4.2.8 主从结构RS触发器
(a)电路结构 (b)图形符号
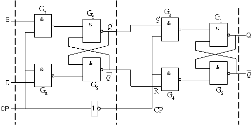
边沿触发器也是在脉冲选通锁存器【图4.2.6(a)(b)】的基础上形成的。由于构思巧妙,在门电路数量与主从触发器相差无几的情况下,边沿触发器具备了无可比拟的抗干扰能力。


图4.2.6 例4.2.2的电压波形图
触发器按逻辑功能分,有RS【图4.3.1】、JK【图4.3.2】、T【图4.3.3】、D【图4.3.4】等若干种。

图4.3.1 RS触发器的状态转换图

图4.3.2 JK触发器的状态转换图


图4.3.3 T触发器的状态转换图和逻辑符号
图4.3.4 D触发器的状态转换图
这几种触发器都有集成电路产品。其中应用最广泛的当数JK触发器和D触发器。不过,深刻理解RS触发器对全面掌握触发器的工作方式或动作特点是至关重要的。事实上,JK触发器和D触发器是RS触发器的改进型,其中JK触发器保留了两个数据输入端,而D触发器只保留了一个数据输入端。T触发器则是一种简化了的JK触发器。
东芝牌RAC-45NHE型空调机电路图
时间:2026-03-04
杜鹃牌XPB2-3型洗衣机电路图
时间:2026-03-04
干衣机电路图
时间:2026-03-04
古桥牌KC-30DE型牌窗式空调机电路图
时间:2026-03-04
好乐牌KC-42R型窗式空调机电路图
时间:2026-03-04
佳乐牌KCS-12型窗式空调机电路图
时间:2026-03-04
江南牌KC-20型窗式空调器电路图
时间:2026-03-04
江南牌KCD-31型窗式空调器电路图
时间:2026-03-04
金羚牌XQB30-5型全自动洗衣机电路图
时间:2026-03-04
日产AW B310B型洗衣机控制器电路图
时间:2026-03-04
瞬间抑制二极管(TVS)/瞬间抑制二极管(TVS)是...
时间:2026-03-04
常用整流二极管型号大全
时间:2026-03-04
S/HS固态继电器原理简介
时间:2026-03-04
稳压二极管的选用和代换
时间:2026-03-04
TVS器件的电特性有哪些
时间:2026-03-04
TVS二极管的分类/应用,TVS二极管的特点/选用...
时间:2026-03-04
快恢复二极管,快恢复二极管是什么意思
时间:2026-03-04
PN结温度传感器工作原理是什么?
时间:2026-03-04
双向二极管起什么作用?
时间:2026-03-04
半导体材料的主要种类有哪些?
时间:2026-03-04