译码器,译码器是什么意思
译码器是组合逻辑电路的一个重要的器件,其可以分为:变量译码和显示译码两类。
变量译码一般是一种较少输入变为较多输出的器件,一般分为2n译码和8421BCD码译码两类。
显示译码主要解决二进制数显示成对应的十、或十六进制数的转换功能,一般其可分为驱动LED和驱动LCD两类。
译码是编码的逆过程,在编码时,每一种二进制代码,都赋予了特定的含义,即都表示了一个确定的信号或者对象。把代码状态的特定含义“翻译”出来的过程叫做译码,实现译码操作的电路称为译码器。或者说,译码器是可以将输入二进制代码的状态翻译成输出信号,以表示其原来含义的电路。
根据需要,输出信号可以是脉冲,也可以是高电平或者低电平。
分类
译码器的种类很多,但它们的工作原理和分析设计方法大同小异,其中二进制译码器、二-十进制译码器和显示译码器是三种最典型,使用十分广泛的译码电路。
译码器是典型的组合数字电路,译码器是将一种编码转换为另一种编码的逻辑电路,学习译码器必须与各种编码打交道。从广义的角度看,译码器有四类:
二进制码译码器,也称最小项译码器,N中取一译码器,最小项译码器一般是将二进制码译为十进制码;
代码转换译码器,是从一种编码转换为另一种编码;
显示译码器,一般是将一种编码译成十进制码或特定的编码,并通过显示器件将译码器的状态显示出来。
编码器,一般是将十进制码转换为相应的其它编码,其实质与代码转换译码器一样,编码是译码的反过程。
译码器
译码器的定义及功能:
译码是编码的逆过程,它的功能是将具有特定含义的二进制码进行辨别,并转换成控制信号,具有译码功能的逻辑电路称为译码器。
译码器可分为两种类型,一种是将一系列代码转换成与之相对应的有效信号。这种译码器可称为惟一地址译码器,它常用于计算机中对存储单元地址的译码,即将每一个地址代码转换成一个有效信号,从而选中对应的单元。另一种是将一种代码转换成另一种代码,所以也称为代码变换器。 图5.3.1表示二进制译码器的一般原理图,它具有n个 输入端,2n个输出端和一个使能输入端。在使能输入端为有效电平时,对应每一组输入代码,只有其中一个输出端为有效电平,其余输出端则为非有效电平。

图5.3.1 二进制译码器一般原理图
下面首先分析由门电路组成的译码电路,以便熟悉译码器的工作原理和电路结构。 2输入变量的二进制译码器逻辑图如图5.3.2所示。由于2输入变量A、B共有4种不同状态组合,因而可译出4个输出信号Y0~Y3,故图5.3.2为2线输入,4线输出译码器,简称2线-4线译码器。 由图可写出各输出端的逻辑表达式
根据上式可列出功能表,如表5.3.1所示。由表可知,对于正逻辑,当EI为1时,无论A、B为何种状态,输出全为1,译码器处于非工作状态。而当EI为0时,对应于A、B的某种状态组合,其中只有一个输出量为0,其余各输出量均为1。比如,AB=00时,输出Y0为0,Y1~Y3均为1。由此可见,译码器是通过输出端的逻辑电平以识别不同的代码。
表5.3.1 2线-4线译码器功能表

图5.3.2 2线-4线译码器逻辑图74138集成电路译码器

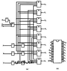
图5.3.3(a)为常用的集成译码器74138的逻辑图,其引脚如图5.3.3(b)所示,它的功能表如表5.3.2所示.由图可知,该译码器有3个输入A、B、C,它们共有8种状态的组合,即可译出8个输出信号Y0~Y7,故该译码器称为3线-8线译码器。与图5.3.2比较,该译码器的主要特点是,设置了G1、G2A和G2B3个使能输入端。由功能表可知,对于正逻辑,当G1为1,且G2A和G2B均为0时,译码器处于工作状态。

图5.3.3 74138集成译码器逻辑图和引脚图(a)逻辑图(b)引脚图
表5.3.2 74138集成译码器功能表

由功能表可得
其他各输出端的逻辑表达式请读者自行推导。不难证明,由功能表推导出的各输出端的逻辑表达式与逻辑图是一致的。
7442二-十进制译码器:
已经讨论过8421BCD码,对应于0~9的十进制数由4位二进制数0000~1001表示。人们虽然不习惯于直接识别二进制数,但可采用二-十进制译码器来解决。这种译码器应有4个输入端,10个输出端。图5.3.4(a)和5.3.4(b)是7442二-十进制译码器的逻辑图和引脚图,它的功能表如表5.3.3所示。其输出为低电平有效。
表5.3.3 7442二-十进制译码器功能表

图5.3.4 7442二-十进制译码器的逻辑图(a)逻辑图(b)引脚图
从逻辑图和功能表都可以得出,当A3A2A1A0=0000时,输出Y0 =0,它对应于十进制数0,其余输出依此类推。
东芝牌RAC-45NHE型空调机电路图
时间:2026-03-04
杜鹃牌XPB2-3型洗衣机电路图
时间:2026-03-04
干衣机电路图
时间:2026-03-04
古桥牌KC-30DE型牌窗式空调机电路图
时间:2026-03-04
好乐牌KC-42R型窗式空调机电路图
时间:2026-03-04
佳乐牌KCS-12型窗式空调机电路图
时间:2026-03-04
江南牌KC-20型窗式空调器电路图
时间:2026-03-04
江南牌KCD-31型窗式空调器电路图
时间:2026-03-04
金羚牌XQB30-5型全自动洗衣机电路图
时间:2026-03-04
日产AW B310B型洗衣机控制器电路图
时间:2026-03-04
瞬间抑制二极管(TVS)/瞬间抑制二极管(TVS)是...
时间:2026-03-04
常用整流二极管型号大全
时间:2026-03-04
S/HS固态继电器原理简介
时间:2026-03-04
稳压二极管的选用和代换
时间:2026-03-04
TVS器件的电特性有哪些
时间:2026-03-04
TVS二极管的分类/应用,TVS二极管的特点/选用...
时间:2026-03-04
快恢复二极管,快恢复二极管是什么意思
时间:2026-03-04
PN结温度传感器工作原理是什么?
时间:2026-03-04
双向二极管起什么作用?
时间:2026-03-04
半导体材料的主要种类有哪些?
时间:2026-03-04