基于磁集成的CDR电路
今天我们来一起研究一下磁集成的CDR电路:
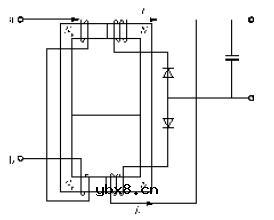
典型的次级倍流整流电路如图1 所示。采用磁集成技术的CDR 与分立磁件的CDR相比,可减少磁件的输入输出脚,这样有效地减少损耗;磁芯的数量也由原来的三个减为一个,所以可减少变换器的体积、质量和成本;采用合理的设计可使纹波电流减为0,这样可以减少磁芯损耗,提高变换器的效率。磁集成的CDR 电路有以下几种,如图2 所示。其中图2(a)是仅把图1 中的各个磁件基于解


(c) 初级绕组采用分裂绕法 图2 几种倍流整流集成方式
(a) 分别绕在EE磁芯的各个磁柱上 (b) 去掉中柱上的次级绕组
图3 磁芯的等效模型 耦思想分别绕在EE 磁芯的各个磁柱上。这是最早的IM-CDR电路。图2(b)中把中柱的次级绕组去掉,两个侧柱上的绕组起到传输能量和滤波的作用。采用这种集成方法可以简化变压器绕制,并
减少线耗[1]。但是这种方法的缺点是:(1)由于初次
级绕组绕在不同的磁柱,所以变压器的漏感很大;
(2)气隙必须设置在侧柱上,这会增加设备成本。为了改进这种方法,研究人员采用图2(c)的集成方法[2]。如图2 所示,这种方法是把初级绕组采用分裂绕组分别绕在两个侧柱上。该方法不仅减少了漏感,并且气隙只需要开在中柱上,方便工业制作。但它也有不足之处,通过建模分析可知,它的输出滤波电感很小,输出端的电流纹波很大,所以变压器的损耗很大,不利于提高效率[4][5]。基于以上三种IM-CDR 的磁芯电阻模型,如
图3 所示,可得三种电路的滤波电感和励磁电感分别如下。

虽然第三种集成方式在有利于简化磁件的设计,并且可减少中心柱的损耗[2],但根据上面分析可知,它的缺点是滤波电感太小,这样使得输出端电流纹波很大。为了解决这个问题,研究人员提出一种改进型IM-CDR。
更详细:新型磁集成倍流整流电路的分析与设计
相关热词:#cdr
继电器几个典型常用的接线图
时间:2026-03-06
为什么直流继电器要并联二极管呢?
时间:2026-03-06
更换或使用继电器时需要注意哪些事项?
时间:2026-03-06
学习PCB设计需要知道的16个原则
时间:2026-03-06
光伏控制器简介
时间:2026-03-06
PLC现场安装和维护的注意事项介绍
时间:2026-03-06
继电器的工作原理以及驱动电路解析
时间:2026-03-06
三菱PLC功能指令介绍(二)
时间:2026-03-06
三菱PLC辅助继电器和定时器介绍
时间:2026-03-06
HTCC:半导体封装的理想方式
时间:2026-03-06
彩灯电路
时间:2026-03-05
三相异步电动机原理
时间:2026-03-04
转角测量电路
时间:2026-03-05
经典的正弦波发生电路
时间:2026-03-05
电度表的工作原理
时间:2026-03-04
电动机单线远程正反转控制电路图
时间:2026-03-04
三相异步电动机的拆装详讲
时间:2026-03-04
三相异步电动机的七种调速方式
时间:2026-03-04
USB转232电路图
时间:2026-03-04
线性可调差动变压器测量计电路图
时间:2026-03-05