JK触发器原理是什么?
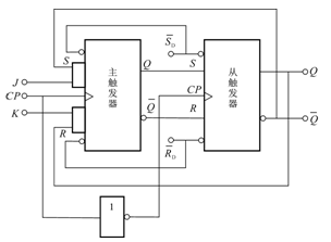
JK触发器是一种功能较完善,应用很广泛的双稳态触发器。图9-5(a)所示是一种典型结构的JK触发器——主从型JK触发器。它由两个可控RS触发器串联组成,分别称为主触发器和从触发器。J和K是信号输入端。时钟CP控制主触发器和从触发器的翻转。


(a)逻辑图 (b)逻辑符号
图9-5 主从JK触发器
当CP=0时,主触发器状态不变,从触发器输出状态与主触发器的输出状态相同。
S当CP=1时,输入J、K影响主触发器,而从触发器状态不变。当CP从1变成0时,主触发器的状态传送到从触发器,即主从触发器是在CP下降沿到来时才使触发器翻转的。
下面分四种情况来分析主从型JK触发器的逻辑功能。
(1) J= l,K= l
设时钟脉冲到来之前(CP=0)触发器的初始状态为0。这时主触发器的R=K=0,S=J=1,时钟脉冲到来后(CP=l),主触发器翻转成1态。当CP从1下跳为0时,主触发器状态不变,从触发器的R=0,S=1,它也翻转成1态。反之,设触发器的初始状态为1。可以同样分析,主、从触发器都翻转成0态。
可见,JK触发器在J=1,K=1的情况下,来一个时钟脉冲就翻转一次,即=,具有计数功能。
(2) J=0,K=0
设触发器的初始状态为0,当CP=1时,由于主触发器的R=0,S=0,它的状态保持不变。当CP下跳时,由于从触发器的R=1,S=0,它的输出为0态,即触发器保持0态不变。如果初始状态为1,触发器亦保持1态不变。
(3) J=1,K=0
设触发器的初始状态为0。当CP=l时,由于主触发器的R=0,S=1,它翻转成1态。当CP下跳时,由于从触发器的R=0,S=1。也翻转成1态。如果触发器的初始状态为1,当CP=1时,由于主触发器的R=0,S=0,它保持原态不变;在CP从1下跳为0时,由于从触发器的R=0,S=1,也保持1态。
(4) J=0,K=1
设触发器的初始状态为1态。当CP=1时,由于主触发器的R=1,S=0,它翻转成0态。当CP下跳时,从触发器也翻转成0态。如果触发器的初始状态为0态,当CP=1时,由于主触发器的R=0,S=0,它保持原态不变;在CP从1下跳为0时,由于从触发器的R=1,S=0,也保持0态。
JK触发器的逻辑功能表如表9-3所示。
表9-3 主从JK触发器的逻辑功能表

上述逻辑关系可用逻辑表达式表示为
(9-1)
这个关系式被称为JK触发器的状态方程,式中、分别为CP下降沿时刻之前和之后触发器的状态。
主从JK触发器逻辑符号如图9-5(b)所示,CP端加小圆圈表示下降沿触发。
东芝牌RAC-45NHE型空调机电路图
时间:2026-03-04
杜鹃牌XPB2-3型洗衣机电路图
时间:2026-03-04
干衣机电路图
时间:2026-03-04
古桥牌KC-30DE型牌窗式空调机电路图
时间:2026-03-04
好乐牌KC-42R型窗式空调机电路图
时间:2026-03-04
佳乐牌KCS-12型窗式空调机电路图
时间:2026-03-04
江南牌KC-20型窗式空调器电路图
时间:2026-03-04
江南牌KCD-31型窗式空调器电路图
时间:2026-03-04
金羚牌XQB30-5型全自动洗衣机电路图
时间:2026-03-04
日产AW B310B型洗衣机控制器电路图
时间:2026-03-04
瞬间抑制二极管(TVS)/瞬间抑制二极管(TVS)是...
时间:2026-03-04
常用整流二极管型号大全
时间:2026-03-04
S/HS固态继电器原理简介
时间:2026-03-04
稳压二极管的选用和代换
时间:2026-03-04
TVS器件的电特性有哪些
时间:2026-03-04
TVS二极管的分类/应用,TVS二极管的特点/选用...
时间:2026-03-04
快恢复二极管,快恢复二极管是什么意思
时间:2026-03-04
PN结温度传感器工作原理是什么?
时间:2026-03-04
双向二极管起什么作用?
时间:2026-03-04
集电极开路(OC)/漏极开路(OD)输出的结构
时间:2026-03-04