反相器(非门)的作用是什么?
无线电小组的同学们在了解了三极管的开关应用之后,开始进行趣味数字电路的实验与制作。这次活动的内容是采用CMOS六反相器CC4069(图1)组装音频电平指示器及仿警笛发生器电路(图5及图7)。调试成功后,由老师解答了同学们提出的问题,并组织大家进行了讨论。
同学:今天我们头一次使用CC4069六反相器集成电路,请问您反相器电路的主要功能是什么呢?
老师:提起反相器电路,大家其实并不陌生。还记得上次讲过的三极管开关电路(图2)吧?哪个同学说说三极管开关是怎样工作的?
同学:在三极管的基极加上高电位,三极管就饱和,相当于开关的接通,集电极输出为低电位。在三极管的基极加上低电位,三极管就截止,相当于开关的断开,集电极输出为高电位。如果输入的是个正的矩形脉冲,输出就是一个负的矩形脉冲。
老师:对了。不过请大家注意,这种电路中,输出脉冲信号的波形总是跟输入脉冲信号的波形相位相反,所以管它叫反相器。反相器在数字系统中是一种最基本的门电路。今天大家使用的CMOS反相器中,开关器件不是三极管,而是MOS场效应管。
同学:什么是CMOS电路呢?CMOS反相器与三极管反相器在结构上有什么不同呢?
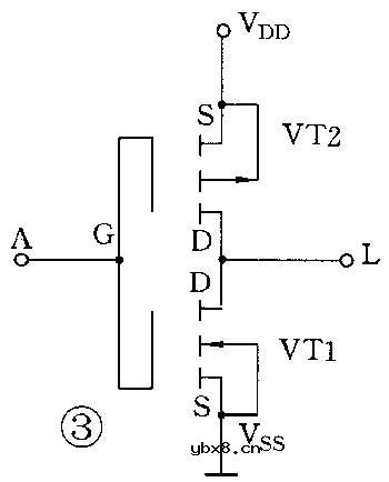
老师:CMOS集成电路又叫互补型场效应管集成电路,它的特点是采用了两种不同导电类型的MOS场效应管,一种是增强型P沟道MOS场效应管(PMOS管),另一种是增强型N沟道MOS场效应管(NMOS管),它们组成了互补结构。在工作中,两个串联的场效应管总是处于一个管子导通,另一个管子截止的状态。CMOS反相器比起三极管反相器要简单得多,现在画出它的电路图(图3),可以看到,VT1是NMOS管,VT2是PMOS管。NMOS管是开关器件,叫输入管。PMOS管取代漏极负载电阻,叫负载管,这种负载称为有源负载。两只管子的栅极连在一起作为反相器的输入端A,漏极也连在一起作为输出端L。负载管的源极接电源正极VDD,输入管的源极接地(VSS端)。当输入信号为低电位0V时,VT1截止,VT2导通,输出为高电位VDD;当输入信号为高电平VDD时,VT1导通,VT2截止,输出为低电位0V。这就实现了输出与输入的反相功能。
同学:您刚才说反相器在数字系统中是一种最基本的门电路。我们很想了解什么是门电路呢?
老师:门电路可以看作是一种条件开关。它有一个或多个输入端和一个输出端。只有当输入信号满足一定的条件时,门才开启,信号才能通过。条件得不到满足,门就关闭,信号就不能通过。换句话说,门电路的输出和输入之间存在着一定的逻辑关系。不同的门电路,输出与输入之间的逻辑关系也不同。
同学:反相器为什么也是一种门电路呢?
老师:反相器是最简单的门电路,它只有一个输入端和一个输出端,输入和输出都只有高电位和低电位(在数字电路中称之为高电平和低电平)两种相反的状态,如果高电平用“1”表示,低电平用“0”表示,反相器输出与输入之间特定的逻辑关系就是“输入为1,则输出为0;输入为0,则输出为1”,输出总是输入的否定,所以反相器称为“非门”。任何一种门电路都可以用逻辑代数式表示输出与输入之间的逻辑关系。如果非门(反相器)的输入逻辑变量为A,输出逻辑变量为L(图4),写成逻辑代数式就是L=A,A读作A反,也就是A为“1”则A为“0”。也可以列成表格(见附表),称为真值表。
同学:在电平指示器电路(图5)中的反相器都是用来控制发光二极管点燃与熄灭的开关吗?
老师:是的。大家可以做一个简单的实验(图6)。在非门的输入端用一个可调稳压电源代替信号源,当输入为低电平“0”状态时,非门关闭,输出为高电平“1”状态,这时发光二极管不亮。当输入电压逐渐增大,达到非门的开门电平,即输入变为高电平“1”状态时,非门开启,输出变为低电平“0”状态,发光二极管被点燃发光。用CC4069的六个非门组成了音频电平指示器电路,哪位同学能分析它的工作原理?
同学:我来试试看。音频功率放大器输出到扬声器的信号电压,同时引到电平指示器输入端的电位器RP上,经RP分压后加到二极管VD1上。当输入信号的幅度逐渐增大到超过VD1的导通电压(约0?6V)时,D1(非门1)的输入端变为高电平“1”,输出端变为低电平“0”,D1开启,VD7发光,其它发光二极管仍不发光。随着输入信号的幅度继续增大,二极管VD2、VD3……依次导通,D2、D3……先后开启,VD8、VD9……逐级点燃。信号幅度大小不同,发光二极管点燃的个数也不同,直观地显示出音频电平的变化情况。
老师:分析得很正确。大家只要把握住非门的逻辑功能,分析由非门组成的各种逻辑电路就比较容易了。
同学:今天组装的仿警笛发生器电路(图7),我们还没分析出来,您能指点一下吗?
老师:这个电路是由三个多谐振荡器组成的。上次大家已经组装过三极管多谐振荡器,哪位同学还能记得多谐振荡器的原理和电路功能?
同学:多谐振荡器是由两个三极管反相器及电阻?电容充放电电路组成的。随着电容器的充电和放电,两只三极管交替地饱和与截止,使两管的集电极周期性地在高电位和低电位之间交替转换,输出连续的矩形脉冲。所以,多谐振荡器是一种矩形脉冲产生电路。
老师:回答得很好。非门(反相器)也是起开关作用的,所以用两个非门外接RC充放电电路也能组成多谐振荡器,现在我们画出它的电原理图(图8)。当电源接通瞬间,如果D1的输入端A点为低电平“0”,则D1的输出端B点为高电平“1”,经D2反相,其输出端E点为低电平“0”,电路处于暂稳状态。下一步请同学们继续分析。
同学:根据您上次讲过的脉冲电路的分析方法,由于电路中有电容C,而B点为高电平,E点为低电平,所以将有一个充电电流由B点经过R2向电容C充电。随着充电过程的进行,D点电位逐渐升高,A点电位也随之上升,经过一定的时间,UA达到非门的开门电平UTR时,D1的输出变成低电平“0”,D2的输出变成高电平“1”。
老师:是这样。电路状态翻转后,B点变成低电平,E点变成高电平,这时候,电容器C就要通过R2放电,然后再反方向充电,使D1输入端A点电位逐渐下降,直到UA
老师:振荡频率主要由电阻R2和电容C的大小决定,与电阻R1也有一定关系。如果取R1=2R2(图8),振荡频率近似为f=1/(1?5R2C)
同学:这种多谐振荡器也可以直接带动发光二极管闪光吗?
老师:可以直接带动一个发光二极管闪光(图8虚线支路)。
同学:现在我对由非门组成的多谐振荡器的工作原理已经清楚了。在仿警笛发生器电路(图7)里,三个多谐振荡器的振荡频率我分别计算了一下,左边的约为2Hz,右上边的为1kHz,右下边的约为330Hz,您看对吗?
老师:你计算的结果都对。由D3与D4组成的振荡器频率比较高,D5与D6组成的振荡器频率比较低,如果它们交替地工作去推动扬声器,就会发出“嘀—、嘟—”模拟警笛的双声音响。我再问问你们,由D1和D2组成的超低频振荡器在电路里起什么作用呢?
同学:从电路图(图7)上看,D1的输出端B通过二极管VD1接高音振荡器,D2的输出端E通过二极管VD2接低音振荡器。D1和D2组成的2Hz超低频振荡器在振荡时,B点和E点在低电平和高电平之间交替转换,0?5s转换一次。当B点为低电平时,E点肯定是高电平,这时VD1导通,D3的输入端被钳位在低电平上,高音振荡器不能启振;VD2截止,低音振荡器开始振荡。当B点变为高电平时,E点变为低电平,VD1截止,高音振荡器工作;VD2导通,低音振荡器停振。这样,超低频振荡器控制高、低音两个振荡器交替工作,使扬声器发出“嘀—、嘟—”仿警笛声响。
老师:很好。你们只要肯动脑筋,不断学习和实践,就能逐步掌握脉冲数字电路的分析方法。大家还有什么问题吗?
同学:请问您非门多谐振荡器(图8)的电阻R1起什么作用呢?
老师:R1叫补偿电阻,它是用来改善由于电源电压波动所引起的振荡频率的不稳定。在对频率稳定度要求不高的场合,R1也可以不用。我再给大家画一个简单电子门铃电路(图9),有兴趣的同学可以自己分析与制作。▲






东芝牌RAC-45NHE型空调机电路图
时间:2026-03-04
杜鹃牌XPB2-3型洗衣机电路图
时间:2026-03-04
干衣机电路图
时间:2026-03-04
古桥牌KC-30DE型牌窗式空调机电路图
时间:2026-03-04
好乐牌KC-42R型窗式空调机电路图
时间:2026-03-04
佳乐牌KCS-12型窗式空调机电路图
时间:2026-03-04
江南牌KC-20型窗式空调器电路图
时间:2026-03-04
江南牌KCD-31型窗式空调器电路图
时间:2026-03-04
金羚牌XQB30-5型全自动洗衣机电路图
时间:2026-03-04
日产AW B310B型洗衣机控制器电路图
时间:2026-03-04
瞬间抑制二极管(TVS)/瞬间抑制二极管(TVS)是...
时间:2026-03-04
常用整流二极管型号大全
时间:2026-03-04
S/HS固态继电器原理简介
时间:2026-03-04
稳压二极管的选用和代换
时间:2026-03-04
TVS器件的电特性有哪些
时间:2026-03-04
TVS二极管的分类/应用,TVS二极管的特点/选用...
时间:2026-03-04
快恢复二极管,快恢复二极管是什么意思
时间:2026-03-04
PN结温度传感器工作原理是什么?
时间:2026-03-04
双向二极管起什么作用?
时间:2026-03-04
半导体材料的主要种类有哪些?
时间:2026-03-04