固态继电器(SOLIDSTATERELAYS,以下简写成“SSR”),是一种全部由固态电子元件组成的新型无触点开关器件,它利用电子元件(如开关三极管、双向可控硅等半导体器件)的开关特性,可达到无触点无火花地接通和断开电路的目的,因此又被称为“无触点开关”。固态继电器是一种四端有源器件,其中两个端子为输入控制端,另外两端为输出受控端。它既有放大驱动作用,又有隔离作用,很适合驱动大功率开关式执行机构,较之电磁继电器可靠性更高,且无触点、寿命长、速度快,对外界的干扰也小,已被得到广泛应用 。
固态继电器是一种两个接线端为输入端,另两个接线端为输出端的四端器件,中间采用隔离器件实现输入输出的电隔离。固态继电器按负载电源类型可分为交流型和直流型。按开关型式可分为常开型和常闭型。按隔离型式可分为混合型、变压器隔离型和光电隔离型,以光电隔离型为最多。
固态继电器由三部分组成:输入电路,隔离(耦合)和输出电路。
输入电路:按输入电压的不同类别,输入电路可分为直流输入电路,交流输入电路和交直流输入电路三种。有些输入控制电路还具有与TTL/CMOS兼容,正负逻辑控制和反相等功能,可以方便的与TTL,MOS逻辑电路连接。 对于控制电压固定的控制信号,采用阻性输入电路。控制电流保证在大于5mA。对于大的变化范围的控制信号(如3~32V)则采用恒流电路,保证在整个电压变化范围内电流在大于5mA可靠工作。
隔离耦合:固态继电器的输入与输出电路的隔离和耦合方式有光电耦合和变压器耦合两种:光电耦合通常使用光电二极管—光电三极管,光电二极管—双向光控可控 硅,光伏电池,实现控制侧与负载侧隔离控制;高频变压器耦合是利用输入的控制信号产生的自激高频信号经耦合到次级,经检波整流,逻辑电路处理形成驱动信 号。
输出电路:SSR的功率开关直接接入电源与负载端,实现对负载电源的通断切换。主要使用有大功率晶体三极管(开关管-Transistor),单向可控硅 (Thyristor或SCR),双向可控硅(Triac),功率场效应管(MOSFET),绝缘栅型双极晶体管(IGBT)。固态继电器的输出电路也可 分为直流输出电路,交流输出电路和交直流输出电路等形式。按负载类型,可分为直流固态继电器和交流固态继电器。直流输出时可使用双极性器件或功率场效应 管,交流输出时通常使用两个可控硅或一个双向可控硅。而交流固态继电器又可分为单相交流固态继电器和三相交流固态继电器。交流固态继电器,按导通与关断的 时机,可分为随机型交流固态继电器和过零型交流固态继电器。


如何配用适当的散热器
除了额定电流1—5A直接安装在印刷线路板上的固态继电器以外,其余都应配置适当的散热器,而且SSR底板与散热器之间要涂上导热硅脂,两者紧密接触,用螺丝拧紧。下面推荐一些规格SSR所用的散热器,给用户做参考。随着使用条件的不同,用户再做适当的调整。
如何保护SSR
A、过流保护。SSR是半导体功率器件,对温度变化极为敏感,过流会使SSR损坏,通常使用快速熔断器。但要了解它的保护特性,知道其熔断电流与时间的关系,正确选择与SSR标称电流相适应的快熔。
B、加RC吸收回路。加RC回路不但有防止过电压的作用,而且对改善dv/dt有好处。建议R为20—100Ω,功率为2—5W,C为0.1—0.47uf,耐压为250—630v. SSR标称电流小R取上限100Ω。
C、取下限0.1uf,反之,R取小值,C取大值。C、过热保护SSR过热,特性下降,轻则失控重则造成永久性损坏,建议在靠近SSR底板处加装温控开关,温控点在75到80℃。
.D、在电感负载中串接电感L。在感应负载里,通常因电流变化率di/dt高而使SSR损坏。L电感量多大,这要根据体积大小和成本高低而定。
SSR按使用场合可以分成交流型和直流型两大类,它们分别在交流或直流电源上做负载的开关,不能混用。下面以交流型的SSR为例来说明它的工作原理,图1是它的工作原理框图,图1中的部件①~④构成交流SSR的主体,从整体上看,SSR只有两个输入端(A和B)及两个输出端(C和D),是一种四端器件 。

工作时只要在A、B上加上一定的控制信号,就可以控制C、D两端之间的“通”和“断”,实现“开关”的功能,其中耦合电路的功能是为A、B端输入的控制信号提供一个输入/输出端之间的通道,但又在电气上断开SSR中输入端和输出端之间的(电)联系,以防止输出端对输入端的影响,耦合电路用的元件是“光耦合器”,它动作灵敏、响应速度高、输入/输出端间的绝缘(耐压)等级高;由于输入端的负载是发光二极管,这使SSR的输入端很容易做到与输入信号电平相匹配,在使用时可直接与计算机输出接口相接,即受“1”与“0”的逻辑电平控制。触发电路的功能是产生合乎要求的触发信号,驱动开关电路④工作,但由于开关电路在不加特殊控制电路时,将产生射频干扰并以高次谐波或尖峰等污染电网,为此特设“过零控制电路”。所谓“过零”是指,当加入控制信号,交流电压过零时,SSR即为通态;而当断开控制信号后,SSR要等待交流电的正半周与负半周的交界点(零电位)时,SSR才为断态。这种设计能防止高次谐波的干扰和对电网的污染。吸收电路是为防止从电源中传来的尖峰、浪涌(电压)对开关器件双向可控硅管的冲击和干扰(甚至误动作)而设计的,一般是用“R-C”串联吸收电路或非线性电阻(压敏电阻器)。
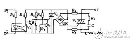
过零触发型AC—SSR为四端器件,其内部电路如图1所示。1、2为输入端,3、4为输出端。R0为限流电阻,光耦合器将输入与输出电路在电气上隔离开,V1构成反相器,R4、R5、V2和晶闸管V3组成过零检测电路,UR为双向整流桥,由V3和UR用以获得使双向晶闸管V4开启的双向触发脉冲,R3、R7为分流电阻,分别用来保护V3和V4,R8和C组成浪涌吸收网络,以吸收电源中带有的尖峰电压或浪涌电流,防止对开关电路产生冲击或干扰。

要指出的是所谓“过零”并非真的必须是电源电压波形的零处,而一般是指在10~25V或-(10~25)V区域内进行触发,如图2所示。图中交流电压分三个区域,Ⅰ区为-10V~+10V范围,称为死区,在此区域中加入输入信号时不能使SSR导通。Ⅱ区为10~25V和-(10~25)V范围,称为响应区,在此区域内只要加入输入信号,SSR立即导通。Ⅲ区为幅值大于25V的范围,称为抑制区在此区域内加入输入信号,SSR的导通被抑制。

当输入端未加电压信号时,光耦合器的光敏晶体管因未接收光而截止,V1饱和,V3和V4因无触发电压而截止,此时SSR关闭。当加入输入信号时,光耦合器中的发光二极管发光,光敏晶体管饱和,使V1截止。此时若V3两端电压在-(10~25)V或10~25V范围内时,只要适当选择分压电阻R4和R5,就可使V2截止,这样使V3触发导通,从而使V 4的控制极上得到从R6→UR→V 3→UR→R7或反方向的触发脉冲,而使V4导通,使负载接通交流电源。而若交流电压波形在图2中的Ⅲ区内时,则因V2饱和而抑制V3和V4的导通,而使SSR被抑制,从而实现了过零触发控制。由于10~25V幅值与电源电压幅值相比可近似看作“零”。因此,一般就将过零电压粗略地定义为0~±25V,即认为在此区域内,只要加入输入信号,过零触发型AC—SSR都能导通。 当输入端电压信号撤除后,光耦合器中的光敏晶体管截止,V1饱和,V3截止,但此时V4仍保持导通,直到负载电流随电源电压减小到小于双向晶闸管的维持电流时,SSR才转为截止。 SSR的输出端器件可分为双向晶闸管和两只单向晶闸管反并联形式。若负载为电动机一类的感性负载,则其静态电压上升率dv/dt是一个重要参数。由于单向晶闸管静态电压上升率(200V/μs)大大高于双向晶闸管的换向指标(10V/μs),因此若采用两只大功率单向晶闸管反并联代替双向晶闸管,一方面可提高输出功率;另一方面也可提高耐浪涌电流的冲击能力,这种SSR称为增强型SSR。
固态继电器是具有隔离功能的无触点电子开关,在开关过程中无机械接触部件,继电器因此固态继电器除具有与电磁继电器一样的功能外,还具有逻辑电路兼容,耐振耐机械冲击,安装位置无限制,具有良好的防潮防霉防腐蚀性能,在防爆和防止臭氧污染方面的性能也极佳,输入功率小,灵敏度高,控制功率小,电磁兼容性好,噪声低和工作频率高等特点。
(1)SSR内部无机械部件,结构上采用了灌注全密封方式,因此,SSR具有耐振、耐腐蚀、长寿命及高可靠等优点,其开关寿命高达1010万次;
(2)低噪声:交流型SSR采用了过零触发技术,因此在线路上有效地降低了电压上升速率dv/dt和电流上升速率di/dt值,使SSR长期工作时对市电的干扰极小;
(3)开关时间短,约为10ms,可应用在频率较高的场合;
(4)输入电路与输出电路之间采用光电隔离,绝缘电压2500V以上;
(5)输入功耗很低,与TTL,COMS电路兼容;
(6)输出端有保护电路;
(7)负载能力强。
7
优点:
(1)高寿命,高可靠:固态继电器没有机械零部件,由固体器件完成触点功能,由于没有运动的零部件,因此能在高冲击,振动的环境下工作,由于组成固态继电器的元器件的固有特性,决定了固态继电器的寿命长,可靠性高。固态继电器。
(2)灵敏度高,控制功率小,电磁兼容性好:固态继电器的输入电压范围较宽,驱动功率低,可与大多数逻辑集成电路兼容不需加缓冲器或驱动器。
(3)快速转换:固态继电器因为采用固体器件,所以切换速度可从几毫秒至几微秒。
(4)电磁干扰小:固态继电器没有输入“线圈”,没有触点燃弧和回跳,因而减少了电磁干扰。大多数交流输出固态继电器是一个零电压开关,在零电压处导通,零电流处关断,减少了电流波形的突然中断,从而减少了开关瞬态效应。
缺点:
(1)导通后的管压降大,可控硅或双向控硅的正向降压可达1~2V,大功率晶体管的饱和压降也在1~2V之间,一般功率场效应管的导通电阻也较机械触点的接触电阻大。
(2)半导体器件关断后仍可有数微安至数毫安的漏电流,因此不能实现理想的电隔离。
(3)由于管压降大,导通后的功耗和发热量也大,大功率固态继电器的体积远远大于同容量的电磁继电器,成本也较高。
(4)电子元器件的温度特性和电子线路的抗干扰能力较差,耐辐射能力也较差,如不采取有效措施,则工作可靠性低。
(5)固态继电器对过载有较大的敏感性,必须用快速熔断器或RC阻尼电路对其进行过载保护。固态继电器的负载与环境温度明显有关,温度升高,负载能力将迅速下降。
(6)主要不足是存在通态压降(需相应散热措施),有断态漏电流,交直流不能通用,触点组数少,另外过电流、过电压及电压上升率、电流上升率等指标差。
齐纳二极管的工作原理
时间:2026-03-06
MUR860为高速整流二级管
时间:2026-03-06
双向触发二极管
时间:2026-03-06
单结晶体管(双基极二极管)原理
时间:2026-03-06
半导体的导电性
时间:2026-03-06
PN结的构成
时间:2026-03-06
半导体二极管的分类
时间:2026-03-06
半导体二极管的型号命名方法
时间:2026-03-06
检波二极管的结构及特性
时间:2026-03-06
锗检波二极管的特性参数
时间:2026-03-06
玻璃釉电容器的结构与特点
时间:2026-03-05
关于STM32WL LSE 添加反馈电阻后无法起振的...
时间:2026-03-05
电阻的标称阻值和允许偏差
时间:2026-03-05
使用过滤器电容器和诱导器来抑制受辐射的EM...
时间:2026-03-05
LED固晶机龙头直面“寒冬”
时间:2026-03-05
浅谈高压贴片电容分类与性能参数
时间:2026-03-05
聚四氟乙烯电容器的结构与特点
时间:2026-03-05
漆膜电容器的结构与特点
时间:2026-03-05
复合介质电容器的结构与特点
时间:2026-03-05
瓷介电容器的结构与特点
时间:2026-03-05