荧光灯电子镇流器方案详解
摘要:提出了一种调光式荧光灯电子镇流器的设计方法。基于该方法设计了一种能调光的高功率因数的电子镇流器。采用荧光灯PSPICE模型做仿真验证,结果表明方案和参数设计合理,调光性能优良。
1 引言
近年来,高频荧光灯电子镇流器以其高效、体积小、重量轻、无频闪、灯寿命长等优点而逐渐为人们所接受。
我国对电子镇流器的研究和发展是在上世纪80年代末到90年代初。在初期,很多厂家为了节约成本,选用的拓扑结构较简单,性能指标往往无法达到国家标准,而且极易损坏,这无疑给电子镇流器的普及造成了更多障碍。目前,一些人直接套用国外先进的电路拓扑,致使设计方法纷繁复杂,甚至有些根本不适于在220V/50Hz电网下工作。随着节能问题越来越受到关注,高性能的荧光灯电子镇流器需要增加调光功能,在不必要满功率输出的场合,降低输出功率,不仅节能,延长灯的使用寿命,而且还能起到变换视觉效果的目的。因此,研究出高性能、更贴近灯特性、且功能齐全的电子镇流器迫在眉睫。
2 设计要点
2.1 概述
调光功能实际上是指具有调节灯上的输出功率的功能。当照明装置并不需要满功率输出时,研究表明,应用调光系统可节能50%。
在传统的无调光系统镇流器设计中,由于灯在高频下且稳定工作时,输出功率也恒定,可以近似认为灯是定常电阻。当电网电压波动,或由于其它原因使灯电流、灯电压发生变化,即灯电压、灯电流RMS值及灯功率发生改变时,只要通过闭环控制就可以使灯稳定地工作在额定点附近,灯电阻就不会发生很大的变化。然而,在调光工作模式下设计变得复杂了,如果仍然把灯等效成纯阻性负载,会产生相当大的偏差,因为在不同的调光等级,荧光灯所表现出的负阻特性是不同的。因此设计调光式电子镇流器不能用简单的电阻负载来等效灯。
近年来,由于采用计算机辅助设计使电力电子装置设计过程大大简化,并且可以得到更多的电路工作信息。常用的仿真软件有PSPICE、MATLAB等等,而在电力电子装置的设计中以使用PSPICE居多。因此,建立荧光灯的PSPICE模型成为迫切需要解决的问题。
2.2 荧光灯的建模
荧光灯的建模主要有两种方法,一种是物理建模,它是基于灯的物理放电现象,然而这种建模方法都要涉及较复杂的方程式和很多变量,不适合电路仿真;另一种是采用曲线拟和的方法,它是利用灯的V-I特性曲线建模,根据实验结果用含有待定系数的曲线方程去近似,其中,有的用立方曲线方程,还有用指数曲线方程、抛物线曲线方程、甚至用线性方程去拟和。
PSPICE模型可以是静态模型也可以是动态模型。静态模型需计算出在不同工作点时灯所表现的阻抗值,再进行分布仿真,通常这类模型建立起来比较简单,但应用十分不便。动态模型需要在工作点变化时,把此时灯所呈现出来的阻抗值直接反映出来,包括它的启动过程,这样的模型通常称之为调光模型,这种模型非常适用于调光式电子镇流器的设计。图1是一个荧光灯PSPICE动态模型[1]。它是基于指数曲线拟和而成的,此模型是针对32W-T8灯建立的。

图1 荧 光 灯PSPICE模 型
2.3 调光方式
调光是指调节传递到灯上的能量,从而改变灯功率。一个调光控制系统中一般通过控制四个参量达到调光目的,即
1)调频
2)调节占空比
3)调节直流母线电压
4)调节谐振阻抗值[2]。
频率控制指的是改变开关频率fs,使工作频率远离谐振网络的自然谐振频率而减少灯功率,此时保持占空比D恒定不变。占空比调制是指在fs恒定的情况下,改变开关的导通时间,导通时间的减少使传递到灯上的能量减少从而使灯上的功率减少。占空比调制范围是从0变化到0.5,因此,限制了调光范围。调节直流母线电压指的是改变直流母线电压的幅值,同时保持fs和D不变,这种控制方式只能用于双级拓扑结构中。阻抗控制是指改变谐振网络的Ls、Cr的参数值,这种控制方式实现起来较复杂。其中,采用调频方式的电路结构较简单,且容易控制,因此,实际应用最多。但它却有着在整个调光范围内,不易实现软开关;在轻载时,器件应力很大;且硬开通和硬关断使电磁骚扰问题严重等缺点。为了扩大调光范围,则需扩大频率变化范围,而频率范围又受电磁元件、门极驱动电路所限制,灯电流近似与逆变器频率成反比,因此设计电感等电磁元件时要考虑这方面的影响。
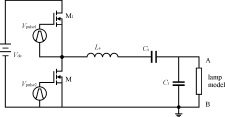
2.4 模型的验证
图2使用一个简单电路验证一下灯模型,拓扑仅由一个CLASS-D逆变器构成。参数为Ls=1.56mH,Cr=5.6nF,fs=45kHz,D=0.45。

图2 CLASS? D型 逆 变 器 电 路 拓 扑
从图3中可以明显地看出,在整个调光范围内灯电压几乎不变,灯电流随着频率的增加而逐渐降低。当fs接近75kHz时,灯电流急剧下降,继续增大频率,灯将会熄灭。由此说明此模型能够很好地反映灯特性。

(a) f=45kHz,D=0.45

(b) f=70kHz,D=0.45

(c) f=75kHz,D=0.45
图3不 同 频 率 下 灯 电 压 、 灯 电 流 仿 真 波 形
3 设计与验证
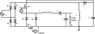
3.1 主电路拓扑
主电路拓扑结构如图4所示。
电子镇流器的主电路由PFC电路和谐振电路两部分组成。考虑到两级结构的成本过高,因此将两级中的功率开关管共用变成单级结构。图4所示主电路拓扑就是将Buck-Boost型PFC电路与并联负载串联谐振电路合成在一起,灯模型采用前面所提到的模型。

图4 调 光 式 荧 光 灯 电 子 镇 流 器 主 电 路 拓 扑
3.2 理论设计
对于上述拓扑,功率因数校正级电感Lo是和频率有关的量,那么调光时,随着频率的升高,电感电流可能要连续,这样会影响功率因数校正的效果,灯上电压、电流也会发生畸变,从而限制了调光范围。因此,它的参数选择至关重要[3]。首先,由于电感电流工作于DCM状态,电感电流的峰值iin(peak)(t)正比于线电压,所以它在半个工频周期(T/2)内为
iin(peak)(t)=
![]()
(0?t
![]()
式中:VI为电网电压的幅值;
ω(=2π/T)为电网电压的角频率;
fs为开关频率,它大大高于电网电压频率;
D为开关的占空比。
而电感电流的平均值iin(m)(t)为
iin(m)(t)=
![]()
![]()
从上式可以看出电感电流的峰值是呈正弦变化的,因此能实现功率因数校正。假设Buck-Boost变换器的效率是100%,功率因数是“1”,一个工频周期内输入功率因数校正级的平均功率为Pi为
Pi=
![]()
![]()
![]()
式(3)表明输入功率Pi在Lo恒定的情况下可以通过改变占空比和频率来控制,如果输入功率等于灯驱动级的功率,电压Vco能够保持恒定。相反,如果输入功率大于灯吸收的功率,则Vco将无限制地增长,造成器件损坏。
所以,应尽量使两者相等,而输出到灯上的功率Po为
Po=
![]()
式中:Vo为灯管两端电压;
Rlamp为灯管等效电阻。
为了保证电感电流工作在DCM状态,占空比D必须满足以下条件
![]()
Lo=
![]()
式中:Pof1,Df1,fsf1分别表示满载时输出功率,占空比和开关频率。保证了整个调光范围内电感电流断续,即功率因数始终为“1”。
选择开关频率fs为45kHz,为了给DCM工作状态留一个裕量,选择D=0.45。功率因数校正极电感Lo=3.37mH。并联负载串联谐振网络参数采用基波近似法得到,参数如下:Cs=1μF,Ls=1.41mH,Cr=5.6nF,模型依然采用前面提及的灯模型。调频调光时直流母线电压、灯电压、灯电流波形如图5所示。

(a) f=45kHz,D=0.45

(b) f=75kHz,D=0.45
图5 提出的单级电子镇流器不同频率下直流母线电压、灯电压、灯电流仿真波形
由图5的仿真波形可以看出,所提出的电路拓扑及参数能够达到设计要求。当频率从45kHz提高到75kHz时,灯功率可以从140%(46W)下降到1%(0.29W)。因此,设计的电路调光范围很宽,调光范围是一项非常重要的性能指标。
调光电子镇流器的频率与功率之间的关系如图6所示。当fs=75kHz时输入电流依然能够跟随输入电压,达到功率因数为“1”。其波形如图7所示。

图6 32W荧 光 灯 调 频 法 调 光 曲 线
图7 输 入 电 压 电 流 波 形
4 结语
应用荧光灯PSPICE动态模型可以方便地设计出一个可调光的电子镇流器,设计者可以采用更少的假设做更深入的研究。对所选拓扑其调光范围可达到满功率的1%,调光范围较宽,其功率因数达到“1”,波峰因数在整个调光范围内始终小于1.7。
东芝牌RAC-45NHE型空调机电路图
时间:2026-03-04
杜鹃牌XPB2-3型洗衣机电路图
时间:2026-03-04
干衣机电路图
时间:2026-03-04
古桥牌KC-30DE型牌窗式空调机电路图
时间:2026-03-04
好乐牌KC-42R型窗式空调机电路图
时间:2026-03-04
佳乐牌KCS-12型窗式空调机电路图
时间:2026-03-04
江南牌KC-20型窗式空调器电路图
时间:2026-03-04
江南牌KCD-31型窗式空调器电路图
时间:2026-03-04
金羚牌XQB30-5型全自动洗衣机电路图
时间:2026-03-04
日产AW B310B型洗衣机控制器电路图
时间:2026-03-04
瞬间抑制二极管(TVS)/瞬间抑制二极管(TVS)是...
时间:2026-03-04
半导体材料的主要种类有哪些?
时间:2026-03-04
数字比较器,数字比较器是什么意思
时间:2026-03-04
常用整流二极管型号大全
时间:2026-03-04
S/HS固态继电器原理简介
时间:2026-03-04
稳压二极管的选用和代换
时间:2026-03-04
TVS器件的电特性有哪些
时间:2026-03-04
TVS二极管的分类/应用,TVS二极管的特点/选用...
时间:2026-03-04
快恢复二极管,快恢复二极管是什么意思
时间:2026-03-04
PN结温度传感器工作原理是什么?
时间:2026-03-04