电子和电气设备的电路隔离技术
摘要:对电子电气电路的各种隔离进行了详尽的分析讨论,提出了抑制干扰而采取的电气隔离的技术措施,从而保证电气设备的正常工作。
关键词:电子;电路;电气隔离;干扰;电磁兼容
1 引言
电路隔离的主要目的是通过隔离元器件把噪声干扰的路径切断,从而达到抑制噪声干扰的效果。在采用了电路隔离的措施以后,绝大多数电路都能够取得良好的抑制噪声的效果,使设备符合电磁兼容性的要求。电路隔离主要有:模拟电路的隔离、数字电路的隔离、数字电路与模拟电路之间的隔离。所使用的隔离方法有:变压器隔离法、脉冲变压器隔离法、继电器隔离法、光电耦合器隔离法、直流电压隔离法、线性隔离放大器隔离法、光纤隔离法、A/D转换器隔离法等。
数字电路的隔离主要有:脉冲变压器隔离、继电器隔离、光电耦合器隔离、光纤隔离等。其中数字量输入隔离方式主要采用脉冲变压器隔离、光电耦合器隔离;而数字量输出隔离方式主要采用光电耦合器隔离、继电器隔离、高频变压器隔离(个别情况下采用)。
模拟电路的隔离比较复杂,主要取决于对传输通道的精度要求,对精度要求越高,其通道的成本也就越高;然而,当性能的要求上升为主要矛盾时,应当以性能为主选择隔离元器件,把成本放在第二位;反之,应当从价格的角度出发选择隔离元器件。模拟电路的隔离主要采用变压器隔离、互感器隔离、直流电压隔离器隔离、线性隔离放大器隔离。
模拟电路与数字电路之间的隔离主要采用模/数转换装置;对于要求较高的电路,除采用模/数转换装置外,还应在模/数转换装置的两端分别加入模拟隔离元器件和数字隔离元器件。
2 模拟电路的隔离
一套控制装置或者一台电子电气设备,通常包含供电系统,模拟信号测量系统,模拟信号控制系统。而供电系统又可分为交流供电系统和直流供电系统,交流供电系统主要采用变压器隔离,直流供电系统主要采用直流电压隔离器隔离。模拟信号测量系统相对来说比较复杂,既要考虑其精度,频带宽度的因素,又要考虑其价格因素;对于高电压、大电流信号,一般采用互感器(电压互感器、电流互感器)隔离法,近年来,又出现了霍尔变送器,这些元器件都是高电压、大电流信号测量常规使用的元器件;对于微电压、微电流信号,一般采用线性隔离放大器。模拟信号控制系统与模拟信号测量系统的隔离类似,一般采用变压器、直流电压隔离器。
2.1 供电系统的隔离
2.1.1 交流供电系统的隔离
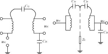
由于交流电网中存在着大量的谐波,雷击浪涌,高频干扰等噪声,所以对由交流电源供电的控制装置和电子电气设备,都应采取抑制来自交流电源干扰的措施。采用电源隔离变压器,可以有效地抑制窜入交流电源中的噪声干扰。但是,普通变压器却不能完全起到抗干扰的作用,这是因为,虽然一次绕组和二次绕组之间是绝缘的,能够阻止一次侧的噪声电压、电流直接传输到二次侧,有隔离作用。然而,由于分布电容(绕组与铁心之间,绕组之间,层匝之间和引线之间)的存在,交流电网中的噪声会通过分布电容耦合到二次侧。为了抑制噪声,必须在绕组间加屏蔽层,这样就能有效地抑制噪声,消除干扰,提高设备的电磁兼容性。图1(a)、(b)所示为不加屏蔽层和加屏蔽层的隔离变压器分布电容的情况。



在图1(a)中,隔离变压器不加屏蔽层,C12是一次绕组和二次绕组之间的分布电容,在共模电压u1C的作用下,二次绕组所耦合的共模噪声电压为u2C,C2E是二次侧的对地电容,则从图可知二次侧的共模噪声电压u2C为:
u2C=u1CC12/(C12+C2E)
在图1(b)中,隔离变压器加屏蔽层,其中C10、C20分别代表一次绕组和二次绕组对屏蔽层的分布电容,ZE是屏蔽层的对地阻抗,C2E是二次绕侧的对地电容,则从图可知二次侧的共模噪声电压u2C为:
u2C=〔u1CZE/(ZE+1/jωC10)〕〔C2E/(C20+C2E)〕
由于C2是屏蔽层的对地阻抗,在低频范围内,ZE《(1/jωC10),所以u2C→0。由此可见,采取屏蔽措施后,通过隔离变压器的共模噪声电压被大大地削弱了。
随着技术的进步,国外已研制成功了专门抑制噪声的隔离变压器(NoiseCutoutTransformer,简称NCT),这是一种绕组和变压器整体都有屏蔽层的多层屏蔽变压器。这类变压器的结构,铁心材料,形状及其线圈位置都比较特殊,它可以切断高频噪声漏磁通和绕组的交链,从而使差模噪声不易感应到二次侧,故这种变压器既能切断共模噪声电压,又能切断差模噪声电压,是比较理想的隔离变压器。
2.1.2 直流供电系统的隔离
当控制装置和电子电气设备的内部子系统之间需要相互隔离时,它们各自的直流供电电源间也应该相互隔离,其隔离方式如下:第一种是在交流侧使用隔离变压器,如图2(a)所示;第二种是使用直流电压隔离器(即DC/DC变换器),如图2(b)所示。


图2 直 流 电 源 系 统 的 隔 离
2.2 模拟信号测量系统的隔离
对于具有直流分量和共模噪声干扰比较严重的场合,在模拟信号的测量中必须采取措施,使输入与输出完全隔离,彼此绝缘,消除噪声的耦合。隔离对系统有如下好处:
——防止模拟系统干扰,尤其是电力系统的接地干扰进入逻辑系统,导致逻辑系统的工作紊乱;
——在精密测量系统中,防止数字系统的脉冲波动干扰进入模拟系统,尤其是前置放大部分,因为前置放大部分的信号非常微弱,较小的骚扰波动信号就会把有用信号淹没。
2.2.1 高电压、大电流信号的隔离
高电压、大电流信号采用互感器隔离,其抑制噪声的原理与隔离变压器类似,这里不再赘述。互感器隔离的应用如图3(a)所示。

(a)互 感 器 隔 离 电 路

(b)线 性 隔 离 放 大 器
图3 模 拟 信 号 输 入 隔 离 系 统
2.2.2 微电压、微电流信号的隔离
微电压、微电流模拟信号的隔离系统相对来说比较复杂,既要考虑其精度,频带宽度的因素,又要考虑其价格因素。一般情况下,对于较小量的共模噪声,采用差动放大器或仪表放大器就能够取得良好的效果,但对于具有较大量的共模噪声,且测量精度要求比较高的场合,应该选择高精度线性隔离放大器,如BB公司的ISO106,其主要参数如下:
——交流耐压3?5kV/1min,60Hz;
——直流耐压4?95kV;
——冲击耐压8kVPK/10s;
——非线性误差0.007%;
——隔离噪声抑制比交流130dB,直流160dB。
ISO106的优秀参数,使其大量地应用于精密测量系统中,线性隔离放大器的应用如图3(b)所示。
2.3 模拟信号控制系统的隔离
如前所述,模拟信号控制系统的隔离与模拟信号测量系统的隔离类似,即交流信号一般采用变压器隔离,直流信号一般采用直流电压隔离器或线性隔离器隔离。
3 数字电路的隔离
与模拟系统类似,一套控制装置,或者一台电子电气设备,通常所包含的数字系统有:数字信号输入系统,数字信号输出系统。数字量输入系统主要采用脉冲变压器隔离,光电耦合器隔离;而数字量输出系统主要采用光电耦合器隔离,继电器隔离,个别情况也可采用高频变压器隔离。
3.1 光电耦合器隔离
这种隔离方法是用光电耦合器把输入信号与内部电路隔离开来,或者是把内部输出信号与外部电路隔离开来,如图4(a)、(b)所示。

(a)外 部 输 入 与 内 部 电 路 的 隔 离

(b)控 制 输 出 与 外 部 电 路 的 隔 离

图4 光 电 耦 合 器 电 路
目前,大多数光电耦合器件的隔离电压都在2.5kV以上,有些器件达到了8kV,既有高压大电流大功率光电耦合器件,又有高速高频光电耦合器件(频率高达10MHz)。常用的器件如:4N25,其隔离电压为5.3kV;6N137,其隔离电压为3kV,频率在10MHz以上。
3.2 脉冲变压器隔离
脉冲变压器的匝数较少,而且一次绕组和二次绕组分别绕于铁氧体磁芯的两侧,这种工艺使得它的分布电容特小,仅为几个pF,所以可作为脉冲信号的隔离元件。脉冲变压器传递输入、输出脉冲信号时,不传递直流分量,因而在微电子技术控制系统中得到了广泛的应用。一般地说,脉冲变压器的信号传递频率在1kHz~1MHz之间,新型的高频脉冲变压器的传递频率可达到10MHz。图5(a)是脉冲变压器的示意图。脉冲变压器主要用于晶闸管(SCR)、大功率晶体管(CTR)、IGBT等可控器件的控制隔离中。图5(b)是脉冲变压器的应用实例。

(a) 脉 冲 变 压 器

(b) 脉 冲 变 压 器 应 用 于 开 关 电 源 中
图 5 脉 冲 变 压 器 的 应 用
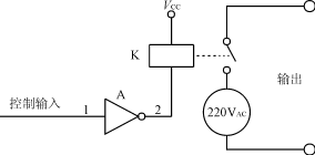
3.3 继电器隔离
继电器是常用的数字输出隔离元件,用继电器作为隔离元件简单实用,价格低廉。图6是继电器输出隔离的实例示意图。在该电路中,通过继电器把低压直流与高压交流隔离开来,使高压交流侧的干扰无法进入低压直流侧。

图6 继电器隔离
4 模拟电路与数字电路之间的隔离
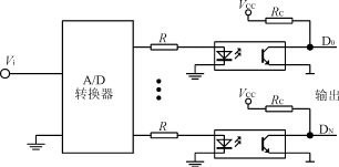
一般地说,模拟电路与数字电路之间的转换通过模数转换器(A/D)或数模转换器(D/A)来实现。但是,若不采取一定的措施,数字电路中的高频振荡信号就会对模拟电路带来一定的干扰,影响测量的精度。为了抑制数字电路对模拟电路带来的高频干扰,一般须将模拟地与数字地分开布线,参见图7(a)。这种布线方式不能彻底排除来自数字电路的高频干扰,要想排除来自数字电路的高频干扰,必须把数字电路与模拟电路隔离开来,常用的隔离方法是在A/D转换器与数字电路之间加入光电耦合器,把数字电路与模拟电路隔离开,参见图7(b)。但这种电路还不能从根本上解决模拟电路中的干扰问题,仍然存在着一定的缺陷,这是因为信号电路中的共模干扰和差模干扰没有得到有效的抑制,对于高精密测量的场合,还不能满足要求。对于具有严重干扰的测量场合,可采用图7(c)所示的电路。在该电路中,把信号接收部分与模拟处理部分也进行了隔离,因为在前置处理级与模数转换器(A/D)之间加入线性隔离放大器,把信号地与模拟地隔开,同时在模数转换器(A/D)与数字电路之间采用光电耦合器隔离,把模拟地与数字地隔开,这样一来,既防止了数字系统的高频干扰进入模拟部分,又阻断了来自前置电路部分的共模干扰和差模干扰。当然,这种系统的造价较高,一般只用于高精度的测量系统中。
数模转换(D/A)电路的隔离与模数转换(A/D)电路的隔离类似,因而所采取的技术措施也差不多,图7(d)是数模转换(D/A)电路的隔离方法之一。

(a)一 点 接 地 (b)单 端 隔 离 的 数 模 转 换 电 路

(d) 单 端 隔 离 的 数 模 转 换 电 路
(c)双 端 隔 离 的 数 模 转 换 电 路
图7 模 拟 电 路 与 数 字 电 路 之 间 的 隔 离
5 结语
以上对电子电路的电气隔离问题作出了概括性的论述,在产品的研制实践中,还要对电子电气设备的内部噪声及外部干扰进行全面的分析,结合“接地问题”,“屏蔽问题”,选择合理的隔离方式及其恰当的隔离部位,进行统一部署,才能设计出满足电磁兼容性要求的合格产品,造福于社会。
东芝牌RAC-45NHE型空调机电路图
时间:2026-03-04
杜鹃牌XPB2-3型洗衣机电路图
时间:2026-03-04
干衣机电路图
时间:2026-03-04
古桥牌KC-30DE型牌窗式空调机电路图
时间:2026-03-04
好乐牌KC-42R型窗式空调机电路图
时间:2026-03-04
佳乐牌KCS-12型窗式空调机电路图
时间:2026-03-04
江南牌KC-20型窗式空调器电路图
时间:2026-03-04
江南牌KCD-31型窗式空调器电路图
时间:2026-03-04
金羚牌XQB30-5型全自动洗衣机电路图
时间:2026-03-04
日产AW B310B型洗衣机控制器电路图
时间:2026-03-04
瞬间抑制二极管(TVS)/瞬间抑制二极管(TVS)是...
时间:2026-03-04
常用整流二极管型号大全
时间:2026-03-04
S/HS固态继电器原理简介
时间:2026-03-04
稳压二极管的选用和代换
时间:2026-03-04
TVS器件的电特性有哪些
时间:2026-03-04
TVS二极管的分类/应用,TVS二极管的特点/选用...
时间:2026-03-04
快恢复二极管,快恢复二极管是什么意思
时间:2026-03-04
PN结温度传感器工作原理是什么?
时间:2026-03-04
双向二极管起什么作用?
时间:2026-03-04
半导体材料的主要种类有哪些?
时间:2026-03-04