场效应晶体管混频器原理及其电路
混频器一般由输入信号回路、本机振荡器、非线性器件和滤波网络等4部分组成,如图1所示。这里的非线性器件本身仅实现频率变换,本振信号由本机振荡器产生。若非线性器件既产生本振信号,又实现频率变换,则图1变为变频器。所谓混频,是将两个不同的信号(如一个有用信号和一个本机振荡信号)加到非线性器件上,取其差频或和频。

图1 混频器的组成部分
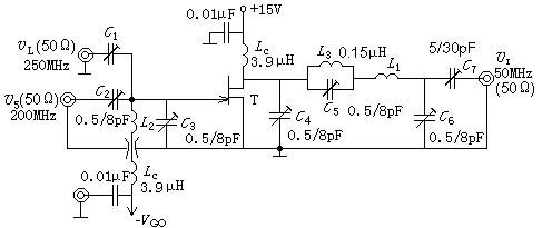
混频器可根据所用非线性器件的不同分为二极管混频器、晶体管混频器、场效应管混频器和变容管混频器等。混频器又可根据工作特点的不同,分为单管混频器、平衡混频器、环形混频器、差分对混频器和参量混频器等。在设计混频器时应注意如下几点:(1)要求混频放大系数越大越好。混频放大系数是指混频器的中频输出电压振幅与变频输入信号电压振幅之比,也称混频电压增益。增大混频放大系数是提高接收机灵敏度的一项有力措施。(2)要求混频器的中频输出电路有良好的选择性,以抑制不需要的干扰频率。(3)为了减少混频器的频率失真和非线性失真以及本振频率产生的各种混频现象,要求混频器工作在非线性特性不过于严重的区域,使之既能完成频率变换,又能少产生各种形式的干扰。(4)要求混频器的噪声系数越小越好,在设计混频器时,必须按设备总噪声系数分配给出的要求,合理地选择线路和器件以及器件的工作点电流。(5)要考虑混频器的工作稳定性,如本机振荡器频率不稳定引起的混频器输出不稳等。(6)注意混频器的输入端和输出端的连接条件,在选定电路和设计回路时,应充分考虑如何匹配的问题。场效应管混频性能比三极管混频好,原因在于场效应管工作频率高,其特性近似平方率,动态范围大,非线性失真小,噪声系数低,单向传播性能好。场效应管混频器实际电路举例(1)有源混频器 1)200MHz场效应管混频器电路(有源混频器) 为提高混频增益,在下列的A、B电路中输入、输出端都有匹配网络完成阻抗匹配,获得大的变频增益;并且L3,C5均谐振ωL,起了抑制本振信号输出的作用。 电路A)υs,υL均从栅极注入(如图2所示)。

图2 υs,υL均从栅极注入电路图
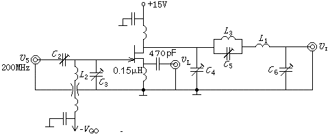
电路B)υs从栅极注入,本振υL从源极注入(如图3所示)。

图3 υs从栅极注入,υL从源极注入电路图
优点:场效应管混频性能比三极管混频好,原因在于场效应管工作频率高,其特性近似平方率,动态范围大,非线性失真小,噪声系数低,单向传播性能好。
2)场效应管平衡混频(如图4所示)

图4 场效应管平衡混频电路图
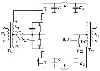
(2)场效应管开关工作时混频器(无源混频器)
例:场效应管环形混频(如图5所示)
图5 场效应管环形混频电路图
1)工作原理: υL加到T1,T2,T3,T4的栅极,控制其开关工作,由于输入电阻很大,所以本振功率不大;υs和中频电路υI接在T1-T4的漏极和源极电路中,所以FET管对υs只起到导通和截止的开关二极管作用(无放大和混频增益);当υL使“a”点为正时,T1,T3导通至低阻区,c点与f点,d点与e点均相连,此时相当T1,T3构成单平衡电路,信号电流按一定的方向和相位流过Tr2;当υL使“b”点为正时,T2,T4导通,c点与f点,d点与e点均相连,T2,T4构成单平衡电路,其电流与T1,T3流过Tr2时正相反。 可见,T1,T3与T2,T4轮流工作,构成双平衡(环形)混频器。
2)优点所需本振功率小,变频损耗小; 动态范围大; 四只场效应管可集中在一个单片上,性能一致,对称性好。
东芝牌RAC-45NHE型空调机电路图
时间:2026-03-04
杜鹃牌XPB2-3型洗衣机电路图
时间:2026-03-04
干衣机电路图
时间:2026-03-04
古桥牌KC-30DE型牌窗式空调机电路图
时间:2026-03-04
好乐牌KC-42R型窗式空调机电路图
时间:2026-03-04
佳乐牌KCS-12型窗式空调机电路图
时间:2026-03-04
江南牌KC-20型窗式空调器电路图
时间:2026-03-04
江南牌KCD-31型窗式空调器电路图
时间:2026-03-04
金羚牌XQB30-5型全自动洗衣机电路图
时间:2026-03-04
日产AW B310B型洗衣机控制器电路图
时间:2026-03-04
瞬间抑制二极管(TVS)/瞬间抑制二极管(TVS)是...
时间:2026-03-04
常用整流二极管型号大全
时间:2026-03-04
S/HS固态继电器原理简介
时间:2026-03-04
稳压二极管的选用和代换
时间:2026-03-04
TVS器件的电特性有哪些
时间:2026-03-04
TVS二极管的分类/应用,TVS二极管的特点/选用...
时间:2026-03-04
快恢复二极管,快恢复二极管是什么意思
时间:2026-03-04
PN结温度传感器工作原理是什么?
时间:2026-03-04
双向二极管起什么作用?
时间:2026-03-04
半导体材料的主要种类有哪些?
时间:2026-03-04