双侧引脚扁平封装(DFP),双侧引脚扁平封装(DFP)是什么意思
双侧引脚扁平封装,是SOP的别称。此前曾用此称法现在已基本不用。
SOP(small Out-Line Package)小外形封装。表面帖装型封装之一,引脚从封装两侧引出呈海鸥翼状(L字形)。材料有塑料和陶瓷两种。另外也叫SOL和DFP。SOP除了用于存储器LSI外,也广泛用于规模不太大的ASSP等电路。在输入输出端子不超过10~40的领域,SOP是普及最广泛的表面帖装封装。引脚中心距1.27mm,引脚数从8~44。
另外,引脚中心距小于1.27mm的SOP也称为SOOP;装配高度不到1.27mm的SOP也称为TSOP。还有一种带散热片的SOP。
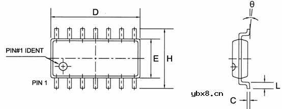
SOP EIAJ TYPE II 14L
SSOP 16L
SSOP
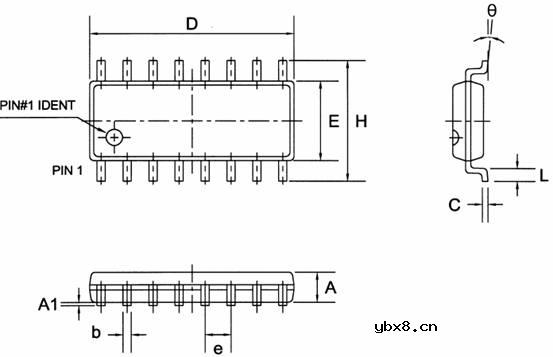
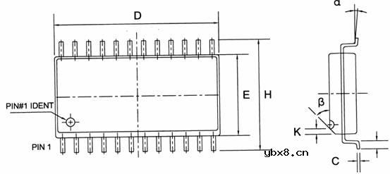
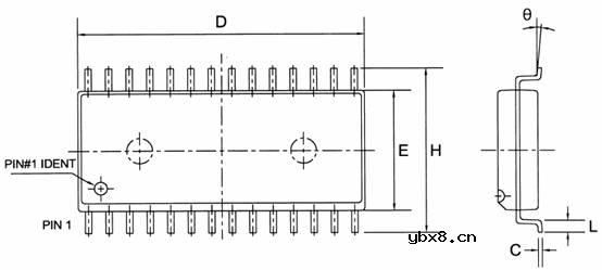
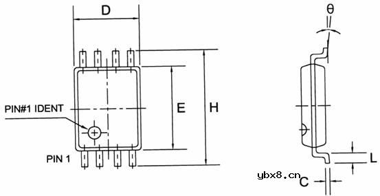
集成电路封装标准芯片封装图:
SOP-8 DIMENSION



SOP-14 DIMENSION



SOP-16 DIMENSION


SOP-20 DIMENSIPON



SOP-24 DIMENSION



SOP-28 DIMENSION



TSSOP-8 DIMENSION


东芝牌RAC-45NHE型空调机电路图
时间:2026-03-04
杜鹃牌XPB2-3型洗衣机电路图
时间:2026-03-04
干衣机电路图
时间:2026-03-04
古桥牌KC-30DE型牌窗式空调机电路图
时间:2026-03-04
好乐牌KC-42R型窗式空调机电路图
时间:2026-03-04
佳乐牌KCS-12型窗式空调机电路图
时间:2026-03-04
江南牌KC-20型窗式空调器电路图
时间:2026-03-04
江南牌KCD-31型窗式空调器电路图
时间:2026-03-04
金羚牌XQB30-5型全自动洗衣机电路图
时间:2026-03-04
日产AW B310B型洗衣机控制器电路图
时间:2026-03-04
瞬间抑制二极管(TVS)/瞬间抑制二极管(TVS)是...
时间:2026-03-04
常用整流二极管型号大全
时间:2026-03-04
S/HS固态继电器原理简介
时间:2026-03-04
稳压二极管的选用和代换
时间:2026-03-04
TVS器件的电特性有哪些
时间:2026-03-04
TVS二极管的分类/应用,TVS二极管的特点/选用...
时间:2026-03-04
快恢复二极管,快恢复二极管是什么意思
时间:2026-03-04
PN结温度传感器工作原理是什么?
时间:2026-03-04
双向二极管起什么作用?
时间:2026-03-04
半导体材料的主要种类有哪些?
时间:2026-03-04