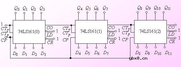
12位二进制计数器

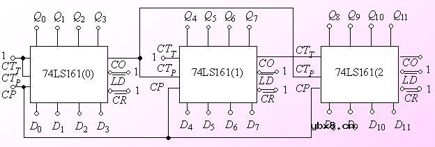
12位二进制计数器(快速计数方式)

在此种接线方式中,只要片1的各位输出都为1,一旦片0的各位输出都为1,片2立即可以接收进位信号进行计数,不会像基本接法中那样,需要经历片1的传输延迟,所以工作速度较高。这种接线方式的工作速度与计数器的位数无关。
计数器是一种应用十分广泛的时序电路,除用于计数、分频外,还广泛用于数字测量、运算和控制,从小型数字仪表,到大型数字电子计算机,几乎无所不在,是任何现代数字系统中不可缺少的组成部分。
计数器可利用触发器和门电路构成。但在实际工作中,主要是利用集成计数器来构成。在用集成计数器构成N进制计数器时,需要利用清零端或置数控制端,让电路跳过某些状态来获得N进制计数器。
相关热词:#计数器
EPROM密码开关电路
时间:2026-03-07
采用GAL器件的电子密码锁电路图
时间:2026-03-07
超级电话密码锁电路图
时间:2026-03-07
随身听的自动选曲电路图
时间:2026-03-07
影碟机增设高画质S端子电路图
时间:2026-03-07
永久记忆型语音的循环放音电路图
时间:2026-03-07
PCM1712U自制音频DAC电路
时间:2026-03-07
望远镜成像原理图
时间:2026-03-07
望远镜棱镜内部结构及原理图
时间:2026-03-07
显微镜成像原理图
时间:2026-03-07
彩灯电路
时间:2026-03-05
三相异步电动机原理
时间:2026-03-04
三相异步电动机的七种调速方式
时间:2026-03-04
转角测量电路
时间:2026-03-05
经典的正弦波发生电路
时间:2026-03-05
电度表的工作原理
时间:2026-03-04
电风扇红外遥控器2
时间:2026-03-04
电动机单线远程正反转控制电路图
时间:2026-03-04
三相异步电动机的拆装详讲
时间:2026-03-04
USB转232电路图
时间:2026-03-04