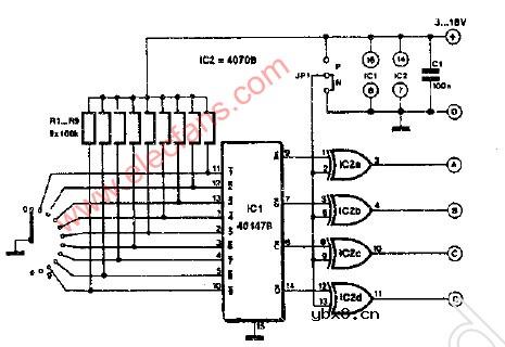
数字式BCD旋转开关

该电路允许用以个旋转开关来模拟BCD开关,它采用一只具有10个开关位置的旋转开关,该电路消耗的电流大约为200ma。
相关热词:#数字式
如何检测和防止变压器局部放电?
时间:2026-03-07
在变压器设计中,如何控制温升?
时间:2026-03-07
在变压器设计中,为什么要考虑温升?
时间:2026-03-07
饱和变压器与非饱和变压器有何不同?
时间:2026-03-07
什么是饱和变压器?饱和变压器的特点有哪些...
时间:2026-03-07
变压器的额定容量是如何确定的?
时间:2026-03-07
如何正确安装和使用灌封变压器?如何降低灌...
时间:2026-03-07
如何减小变压器的损耗?
时间:2026-03-07
变压器的电压调节指的是什么?
时间:2026-03-07
变压器的油浸式和干式指的是什么?
时间:2026-03-07
彩灯电路
时间:2026-03-05
三相异步电动机原理
时间:2026-03-04
三相异步电动机的七种调速方式
时间:2026-03-04
转角测量电路
时间:2026-03-05
经典的正弦波发生电路
时间:2026-03-05
电度表的工作原理
时间:2026-03-04
电风扇红外遥控器2
时间:2026-03-04
电动机单线远程正反转控制电路图
时间:2026-03-04
三相异步电动机的拆装详讲
时间:2026-03-04
USB转232电路图
时间:2026-03-04