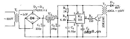
555高压发生器电路原理
本高压发生器电路可产生稳定的8KV以上的高压,它电路简单,稳定可靠。该电路包括降压整流、稳压电路、18kHz多谐振荡器和升压变压器等,其电路如图所示。
降压整流电路由降压变压器T1和全桥整流器及滤波电容器C1等组成,整流出的15V直流电压,经三端稳压器7812稳压后输出+12v的稳定直流电压,为IC2、VT1等提供工作电压。

相关热词:#发生器
彩灯电路
时间:2026-03-05
三相异步电动机原理
时间:2026-03-04
三相异步电动机的七种调速方式
时间:2026-03-04
转角测量电路
时间:2026-03-05
经典的正弦波发生电路
时间:2026-03-05
电动机单线远程正反转控制电路图
时间:2026-03-04
电度表的工作原理
时间:2026-03-04
电风扇红外遥控器2
时间:2026-03-04
三相异步电动机的拆装详讲
时间:2026-03-04
USB转232电路图
时间:2026-03-04