
相关热词:#74LSl92
简易同步电路原理图
时间:2026-03-07
电磁炉VAC检测电路
时间:2026-03-07
电磁炉VCE检测电路
时间:2026-03-07
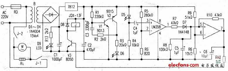
热风干手器电路原理与维修
时间:2026-03-07
5V-USB充电器充电电路图
时间:2026-03-07
空气流量计电路
时间:2026-03-07
静电/负离子探测器电路
时间:2026-03-07
电磁场探测器电路
时间:2026-03-07
分贝仪电路图
时间:2026-03-07
音频分贝仪原理图
时间:2026-03-07
彩灯电路
时间:2026-03-05
三相异步电动机原理
时间:2026-03-04
三相异步电动机的七种调速方式
时间:2026-03-04
转角测量电路
时间:2026-03-05
经典的正弦波发生电路
时间:2026-03-05
电动机单线远程正反转控制电路图
时间:2026-03-04
USB转232电路图
时间:2026-03-04
电度表的工作原理
时间:2026-03-04
电风扇红外遥控器2
时间:2026-03-04
三相异步电动机的拆装详讲
时间:2026-03-04