电子发烧友在这里为您整理了部分电动自行车,希望对您有所帮助!图中给出了元器件的参数等等。
1、

2、

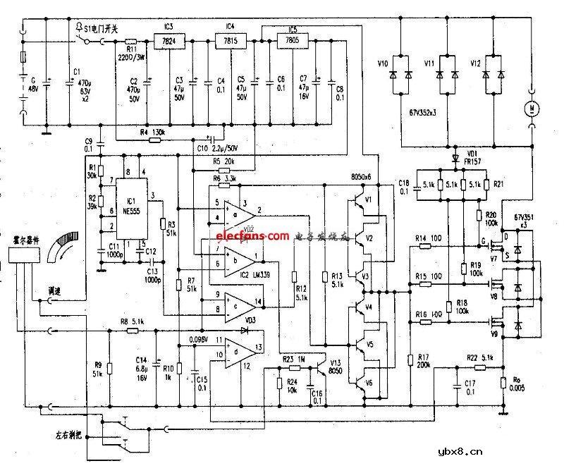
3、电动自行车48v-500w电路图

4、奥文wml36-180g电动自行车电路图

5、zkc3615mz电动自行车电路图

6、三友牌sayo20zhd2电动自行车电路图

相关热词:#电动自行车
自动关机电路,自动关机原理分析
时间:2026-03-07
RC电路简介,RC串并联电路的工作原理及应用
时间:2026-03-07
反极性Buck-Boost为什么输出的是一个负压呢...
时间:2026-03-07
稳压管与普通二极管的区别
时间:2026-03-07
五大电子技术知识详解(逻辑门电路 可控硅 ...
时间:2026-03-07
介绍三种恒流电路的原理图
时间:2026-03-07
二极管的结构和分类
时间:2026-03-07
降压型开关稳压器的工作方式介绍
时间:2026-03-07
什么是开关稳压器?开关稳压器的控制方式
时间:2026-03-07
安世半导体碳化硅肖特基二极管获十大划时代...
时间:2026-03-07
彩灯电路
时间:2026-03-05
三相异步电动机原理
时间:2026-03-04
三相异步电动机的七种调速方式
时间:2026-03-04
转角测量电路
时间:2026-03-05
经典的正弦波发生电路
时间:2026-03-05
电动机单线远程正反转控制电路图
时间:2026-03-04
USB转232电路图
时间:2026-03-04
电度表的工作原理
时间:2026-03-04
电风扇红外遥控器2
时间:2026-03-04
三相异步电动机的拆装详讲
时间:2026-03-04