元件选择:


T1~T3应采用9013型等硅NPN三极管,β≥100,BVceo≥25V。V1为红外光敏二极管,D、D2为IN4148型硅开关二极管,D;~D6为IN4001型等硅整流二极管,D,为1/2W、15V稳压二极管,如2CW20型等。LED可用普通红色发光二极管。
Rp可用WH7型微调电阻器,其余电阻均用RTX-1/8W型碳膜电阻器。C1、C2可采用CD11-25V型电解电容器,C3要用CBB-400V型聚苯电容器。K可用JRX-13F、CD12V小型电磁继电器,要求有两组转换接点。
发射器:LED1、LED2最好采用与V:相配套的红外发光二极管。R为RJ-1/2W金属膜电阻器。SB可用6X6小型轻触按键开关,也可用磷铜皮自制。;
3,安装与调试
自行设计印刷电路,选择合适元件安装在自己制作的印刷电路板上。
全部元器件安装好后,再进行调试。首先将微调电阻器RP的中心端旋到阻值中间位置,在插座X处先接一只40W白炽灯泡作为被控电器,将遥控发射器对准接收器VI,点按一下发射器的按键SB,看灯泡是否能被点亮;再长按一下发射器的按键SB,看灯泡是否立刻熄灭。如符合要求,再逐渐拉开距离试之,要求在8~10m内能可靠控制。如不合要求应检查线路是否有误,并可调整可变电阻Rp试之。调整Rp,可以改变遥控器的接收灵敏度,Rp阻值调得大,光控灵敏度相应要高些,但易受杂光干扰。调试合格后,将两机分别装人两只塑料小盒里,即可投人使用。
红外线遥控控制器:
这种红外线遥控器,只要点按一下红外光发射器,被控电器就通电工作;按动发射器的时间稍长,被控电器就断电停止工作。
遥控控制器的电路如图1所示。D3~D、C2、C3组成简单的电容降压桥式整流稳压电路,接通电源后,C2两端即输出15V左右的稳定直流电压供整个电子线路用电。平时三极管T~T;均处于截止状态,继电器K释放,其常开接点K-、K-2均打开,插在插座X里的被控家用电器无电不工作。
如按一下红外光发射器,红外光接收二极管VI,受红外光照射立刻呈低电阻状态,T,导通,电源一路经T1、D1、R2注人T3的基极,使T,迅速导通,继电器K通电吸合,其常开接点K-。、K-2闭合。K-:使继电器K自锁,K-2接通被控电器电源,电器就通电工作,同时发光二极管LED点亮发光表示遥控器对外送电。电源另-路经T1、R:向电容C1充电,由于红外光照射V1的时间极短,故T很快就恢复截止状态,所以C1两端电压不可能充到T2的开门电平,T2仍能保持截止状态,对线路无任何影响。需要关闭电器时,只要按动发射器的时间长-一些,使C;两端电压充到约0.65V左右,T2就由截止状态进人导通态,T2的集电极输出低电平,T2就由导通态进人截止态,继电器K失电释放,K-K-2打开,线路回复到原来的关机状态。
图2是红外光发射器电路,采用两只红外发光二极管LED,和LED2的目的是增强红外光线,能有效加大遥控距离。为防止可见光的干扰,可在接收器的红外光敏二极管V;前面加装滤色片。此遥控器也可采用普通手电筒取代红外光发射器,但V1前面的滤色片应去除,为防止杂光干扰,可在V1周围加装遮光筒,使只有手电筒发出的直射光线才能照射到V]。
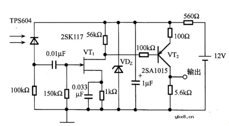
如图所示,图是红外线遥控接收装置实例。红外线传感器有多种,这里选用光电二极管TPS604。工作原理简介如下:光电二极管TPS604接收到被调制的红外线的微弱信号,先经场效应晶体管VT1的前级放大,再经晶体管VT2进行适当的放大,由UT2的集电极输出相应信号控制有关电路。
VDZ稳压管为 +5V、 VT1为3DJ6 VT2为 C8550。

反极性Buck-Boost为什么输出的是一个负压呢...
时间:2026-03-07
稳压管与普通二极管的区别
时间:2026-03-07
五大电子技术知识详解(逻辑门电路 可控硅 ...
时间:2026-03-07
介绍三种恒流电路的原理图
时间:2026-03-07
二极管的结构和分类
时间:2026-03-07
降压型开关稳压器的工作方式介绍
时间:2026-03-07
什么是开关稳压器?开关稳压器的控制方式
时间:2026-03-07
安世半导体碳化硅肖特基二极管获十大划时代...
时间:2026-03-07
电压调压器的定义及工作原理
时间:2026-03-07
为什么二极管会单向导通
时间:2026-03-07
玻璃釉电容器的结构与特点
时间:2026-03-05
电容器入门教程
时间:2026-03-05
关于STM32WL LSE 添加反馈电阻后无法起振的...
时间:2026-03-05
暑期买元器件下单立减还送华为P30pro
时间:2026-03-05
电阻的标称阻值和允许偏差
时间:2026-03-05
使用过滤器电容器和诱导器来抑制受辐射的EM...
时间:2026-03-05
LED固晶机龙头直面“寒冬”
时间:2026-03-05
浅谈高压贴片电容分类与性能参数
时间:2026-03-05
聚四氟乙烯电容器的结构与特点
时间:2026-03-05
漆膜电容器的结构与特点
时间:2026-03-05