当前位置:首页 > 电路图基础 > 正文

制作声光双控延迟节能灯

来源:网络  发布者:电工基础  发布时间:2026-03-07 14:59
  这里介绍的声光双控延迟节电照明灯可以直接取代普通照明开关而不必更改原有照明线路,白天或光线较强的场合即使有较大的声响也能控制灯泡不亮,晚上或光线较暗时遇到声响(如说话声、脚步声等)后灯自动点亮,经

  这里介绍的声光双控延迟节电照明灯可以直接取代普通照明开关而不必更改原有照明线路,白天或光线较强的场合即使有较大的声响也能控制灯泡不亮,晚上或光线较暗时遇到声响(如说话声、脚步声等)后灯自动点亮,经约30多秒(时间可设定)自动熄灭。适用于楼梯,走廊等只需短时照明的地方。

  电路工作原理

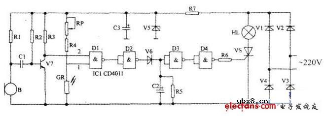
  电路如下图所示,印制板。

制作声光双控延迟节能灯

  二极管Vl.V4组成桥式整流电路将市电变成脉动直流,再经R7限流,V5稳压,C3滤波输出8V直流电,为集成块CD4011及三极管V7提供电源。

  白天光线射到光敏电阻GR上时,其阻值变得很小,使与非门D1输入端的1脚为低电平,输出被锁定为高电平,与2脚的输入电平高低无关,所以电路封锁了声音通道,使声音脉冲不能通过,即灯泡亮灭不受声音控制。这时,门D1输出的高电平经过门D2,D3,D4三次反相后成低电平,晶闸管VS无触发信号不导通,灯不亮。

  夜间,GR因无光线照射呈高阻,使与非门D1的输入端1脚变成高电平,门D1的输出状态受2脚输入电平的控制,这为声音通道开通创造了条件。2脚低电平时门D1输出高电平.2脚高电平时门D1输出低电平。

  没有声音信号时,三极管V7工作在饱和状态.2脚为低电平。当楼梯有人走动或有人谈话时,话筒B拾取了声音信号经V7放大,三极管V7由饱和进入放大状态,V7的集电极由低电平转变成高电平并送至门D1的2脚,门Dl输出低电平,经门D2反相输出高电平对电容C2充电,因充电时间常数很小,很快成高电平经门D3、D4二级反相输出高电平,通过R6触发VS导通,电灯H点亮。声音消失后,门D2输出低电平,因V6的阻断作用,电容C2只能通过R5缓慢放电,门D3的输入仍保持高电平,门D4的输出也保持高电平,灯H维持发亮。经过一段时间,当电容C2两端电压下降到低电平时,门D4输出变为低电平,VS无触发信号而关断,灯H自动熄灭。

  该电路的延迟时间即灯每次点亮的时间,主要由电阻R5与电容C2的放电时间常数决定,当R5为1.5M,C2为22μF时约30多秒,增减R5或C2的数值,可以调整电路的延迟时间。

  元器件选择与制作

  与非门D1—D4可用一块2输入端四与非门CD4011数字集成电路。整流二极管V1—V4可用1N4007型普通硅整流二极管.V5选2CW56型8V稳压二极管,V6可用1N4148型普通硅开关二极管,V7可用9013型等硅NPN三极管。VS为MCR100-8型等小型塑封单向晶闸管。B为CR22-113F型驻极体电容话筒。GR为MG45型光敏电阻器,其余电阻均用RTX-1/8W型碳膜电阻器,其中R122k、R22.2M、R333k、R44.7k、R51.5M、R65.1Q、R7240k、RP取W106-2-2型100k玻璃釉预调电位器。C1用CT1型瓷介电容器,C2、C3用电解电容,且C1取0.1μF、C2取22UF/16V、C3取100UF/16V。

  安装中注意C2、C3及话筒B的极性,话筒的外壳与负极相接。因印制板上带有市电,通电调试应将印制板安装于绝缘盒内,并注意安全。让光敏电阻对准透光部位,BM对准拾音孔。可以根据需要更改R5或C2的数值,选择合适的延迟时间。调整Rl的阻值或三极管V的放大倍数,可以调节声控灵敏度的高低。调整RP的值可以改变光控灵敏度。以上调整均相互独立,互不牵连。本电路适用于100W或100W以下的白炽灯控制。

制作声光双控延迟节能灯

相关热词:#声光双控

热门文章
彩灯电路彩灯电路

时间:2026-03-05

三相异步电动机原理三相异步电动机原理

时间:2026-03-04

三相异步电动机的七种调速方式三相异步电动机的七种调速方式

时间:2026-03-04

转角测量电路转角测量电路

时间:2026-03-05

经典的正弦波发生电路经典的正弦波发生电路

时间:2026-03-05

电动机单线远程正反转控制电路图电动机单线远程正反转控制电路图

时间:2026-03-04

三相异步电动机的拆装详讲三相异步电动机的拆装详讲

时间:2026-03-04

USB转232电路图USB转232电路图

时间:2026-03-04

电度表的工作原理电度表的工作原理

时间:2026-03-04

电风扇红外遥控器2电风扇红外遥控器2

时间:2026-03-04