电路原理:OV9650 与处理器的接口包括SCCB接口、数据输出接口和控制接口等3 部分。SCCB 接口起到传递处理器提供的初始化OV9650内部寄存器参数的作用, 其数据线SIOD 和时钟线SI-OC, 相当于I2C 总线中的SDA 与SCL。也就是说, SC-CB 起到I2C 总线的作用。OV9650 是I2C 总线的从器件, S3C2440 是对应的主器件。I2 C 总线采用串行方式从高位到低位传输字节数据, 每个字节传输完后, 主控制器将SDA 置为高电平并释放, 等待从设备发送确认信号。OV9650 内嵌了一个10 位A/ D 转换器, 对应有10 个数据输出口D[ 0: 9] 。输出图像数据的格式可以为10 位原始RAW, RGB 或经过内部DSP 转换的8 位RGB/ YCbCr。本系统选择的微处理器芯片S3C2440的CAM IF 单元支持8 位的YU V/ YCbCr 格式, 故需将OV9650 的数据接口D[ 9: 2] 与CAM IF 的数据口CAMDAT A[ 7: 0] 相连接。OV9650 的XVCLK 用于接收CPU 输出的24 MHz 的工作时钟。OV9650 内部产生的帧同步信号VSYNC、行同步信号HREF、像素时钟信号PCLK 等3 个时钟信号传入ARM 芯片中, 用于控制图像采集。每一个VSYN C 脉冲表示一帧图像数据采集的开始, HREF 的高电平则表示采集一行图像数据, 图像传感器按从左到右的顺序在每个PCLK脉冲过程中依次采集一个字节的数据, 直到一帧图像数据全部采集完成。摄像头使用的是CAM130 模块, 其中的图像传感器为OV9650, 该部分原理图及接口电路如图2 所示。

图2 CAM130 模块原理图及OV9650 接口电路
相关热词:#传感器
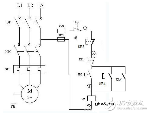
电动机自锁控制电路图大全(三相异步/自锁正...
时间:2026-03-07
电动机启停控制电路图大全(多地控制/间歇式...
时间:2026-03-07
正弦稳态电路的三要素(频率、幅值、初相位...
时间:2026-03-07
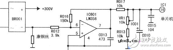
电磁炉电流检测电路图大全(LM358/电流检锅...
时间:2026-03-07
电磁炉温度检测电路图大全(高频/IGBT/传感...
时间:2026-03-07
电磁炉电流采样电路图大全(电流互感器/全波...
时间:2026-03-07
空调温度检测电路图大全(中央空调/传感器温...
时间:2026-03-07
12v延时关闭电路图大全(可控硅/晶闸管/触摸...
时间:2026-03-07
1到10s可调延时电路图大全(CD4060/NE555时...
时间:2026-03-07
最简单直流制动电路图大全(直流电动机/单管...
时间:2026-03-07
彩灯电路
时间:2026-03-05
三相异步电动机原理
时间:2026-03-04
三相异步电动机的七种调速方式
时间:2026-03-04
转角测量电路
时间:2026-03-05
经典的正弦波发生电路
时间:2026-03-05
电动机单线远程正反转控制电路图
时间:2026-03-04
三相异步电动机的拆装详讲
时间:2026-03-04
USB转232电路图
时间:2026-03-04
电度表的工作原理
时间:2026-03-04
电风扇红外遥控器2
时间:2026-03-04