当前位置:首页 > 电路图基础 > 正文

双极性pwm原理图分析 双极性pwm应用详解

来源:网络  发布者:电工基础  发布时间:2026-03-07 16:47
  本文主要是关于双极性pwm的相关介绍,并着重对双极性pwm的控制方式进行了详尽阐述。

  本文主要是关于双极性pwm的相关介绍,并着重对双极性pwm的控制方式进行了详尽阐述。

  双极性pwm原理

  PWM(Pulse Width Modulation)控制就是对脉冲的宽度进行调制的技术。即通过对一系列脉冲的宽度进行调制,来等效地获得所需要的波形。PWM控制技术在逆变电路中的应用最为广泛,对逆变电路的影响也最为深刻,PWM控制技术在逆变电路中的应用也最具代表性。 

  面积等效原理是PWM控制技术的重要理论基础,即在采样控制中,冲量相等而形状不同的窄脉冲加在具有惯性的同一环节上时,其效果基本相同。其中,冲量指的是窄脉冲的面积;效果基本相同是指环节的输出响应波形基本相同。如图1.1.1(1)所示,三个窄脉冲形状不同,但是它们的面积都等于1,当它们分别加在如图1.1.1(2)(a)所示的R-L电路上时,并设其电流i(t)为电路的输出,则其输出响应波形基本相同且如图1.1.1(2)(b)所示。

  

双极性pwm原理图分析 双极性pwm应用详解

  SPWM方法的基本原理

  具有等幅和正弦宽度的PWM波被称为SPWM(正弦PWM)波形。它

  如图1.1.2所示,通过将正弦半波分成N个相等的部分,正弦半波可以看作是由N个脉冲序列组成的波形,这些脉冲序列的脉冲宽度等于N/,但幅度不同,并且脉冲的顶部不是水平线。,而是正弦曲线。如果这些脉冲序列被相同数量的等幅和不等宽的矩形脉冲代替,则矩形脉冲的中点与中点的相应正弦部分重合,并且矩形脉冲的面积和相应的正弦部分相等。图中所示的矩形脉冲序列称为SPWM波形。

  

双极性pwm原理图分析 双极性pwm应用详解

  双极性pwm控制方式

  a)在ru的半个周期内,三角波载波有正有负,所得的PWM波也有正有负,在ru的一个周期内,输出的PWM波只有±dU两种电平。 

  b)在ru的正负半周,对各个开关器件的控制规律相同。当ru》cu时,1V和4

  V导通,2V和3V关断,这时如果oi》0,则1V和4V导通,如果oi《0,则1VD和4VD导通,但不管那种情况都是ou=dU。当ru《cu时,2V和3V导通,1V和4V关断,这时如果oi《0,则2V和3V导通,如果oi》0,则2VD和3VD导通,但是不管哪种情况都是ou= -dU。

  

双极性pwm原理图分析 双极性pwm应用详解

  双极性PWM模式

  双极性PWM控制模式采用的是正负交变的双极性三角载波ut与调制波ur,如图6.3所示,可通过ut与ur,的比较直接得到双极性的PWM脉冲,而不需要倒相电路。

  

双极性pwm原理图分析 双极性pwm应用详解

  与单极性模式相比,双极性PWM模式控制电路和主电路比较简单,然而对比图6.2(d)和图6.3(b)可看出,单极性PWM模式要比双极性PWM模式输出电压中、高次谐波分量小得多,这是单极性模式的一个优点。

  单极性调制方式的特点是在一个开关周期内两只功率管以较高的开关频率互补开关,保证可以得到理想的正弦输出电压:另两只功率管以较低的输出电压基波频率工作,从而在很大程度上减小了开关损耗。但又不是固定其中一个桥臂始终为低频(输出基频),另一个桥臂始终为高频[载波频率),而是每半个输出电压周期切换工作,即同一个桥臂在前半个周期工作在低频,而在后半周则工作在高频,这样可以使两个桥臂的功率管工作状态均衡,对于选用同样的功率管时,使其使用寿命均衡,对增加可靠性有利。

  双极性调制方式的特点是4个功率管都工作在较高频率(载波频率),虽然能得到正弦输出电压波形,但其代价是产生了较大的开关损耗。

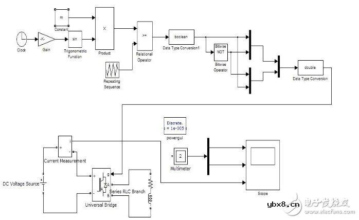
  双极性pwm原理图分析

  

双极性pwm原理图分析 双极性pwm应用详解

  (1)将调制深度m设为0.5,输出基波频率设为50HZ,载波频率设为基频的15倍,即750HZ。将仿真时间设为0.06s,运行后可得仿真结果,输出交流电压、交流电流和直流电流波形如图2.2(1)所示。输出电压为双极性PWM型电压,脉冲宽度符合正弦变化规律。直流电流除含有直流分量外,还含有两倍基频的交流分量以及与开关频率有关的更高次谐波分量。其中的直流部分是向负载提供有功功率,其余部分使得直流电源周期性吞吐能量,为无功电流。

  

  对输出的交流电压和交流电流进行FFT分析,可得频谱图如图2.2(2)(a)和2.2(2)(b)所示。基波幅值增加到299V。其谐波特性也有较大变化,15次谐波明显降低,只有基波的59.81%,但13次谐波有所增大,THD为100.28%交流电流的THD也降低到9.91%。 

  (3)当m=1,fc=1500HZ时, 输出交流电压、交流电流和直流电流仿真波形图如图2.2(3)所示。

  

  通过比较不同载波频率时的波形图得PWM逆变器的谐波特性与载波频率有着密切的关系。通过FFT分析可知,输出电压的最低次谐波增加到28次。交流电流的THD 只有4.93%,负载电流的正弦度更好。若进一步提高载波频率,则负载电流更加接近于正弦波形。

  结语

  关于双极性pwm相关介绍就到这了,希望本文能对你有所帮助。

相关阅读推荐:PWM的基本原理及介绍

相关热词:#PWM