报警器是现在我们生活中比较常见的一种报警设备,而在报警安装时需要严格的进行相关接线,从而保证能够完成报警工作,下面跟随小编一起看下报警电路类型以及原理和相关问题处理吧。
报警电路的类型和原理
1. 防盗报警电路
在一些有重要文件或保密性较大的场合,大都采用保险柜来存放,如果在保险柜上安装一台接触防盗报警器,只要当盗者接触时,就会发出报警信号,促使人们或工作人员及时发现,这是理想的安全措施。

电路原理如上图所示。由晶体管BG1和BG2等组成模拟可控硅开关电路,BG3和BG4等组成互补型音频振荡器。平时,BG1和BG2处于截止状态,振荡器不工作,喇叭无报警信号发出。当盗者碰触电极A时,人体感应的杂波信号经BG2放大后由集电极输出并直接耦合到BG1的基极,放大后又由集电极输出直接耦合到BG2的基极,周而复始,迫使BG1、BG2迅速导通。此时盗者离开A后,BG1、BG2仍能保特导通状态,即将信号记忆下来,这时喇叭Y就会不断地发出报警信号。要使报警信号停止,必须按动一下开关AN,才能停止报警声。
2. 液位报警电路
锅炉里的水位需要保持一定的高度,如果是水位过低,锅炉仍在继续工作,轻时,则有可能烧坏锅炉,重时,则就有可能使锅炉发生爆炸的危险。为了保护好锅炉和不发生事故,这里向大家介绍一种电路简单,制作方便,缺水时能及时发出声光的报警电路。

电路原理如图所示。电路采用5G1555单时基集成电路和一些阻容元件构成。整个电路就是一个单音讯响电路(A、B两端没有放在水里时)当水源超过A、B两端时,电容器C1和A、B两端并联,形成短路状态,就使单音讯响器的振荡条件被破坏,喇叭Y也就无信号发出。当水源低于A、B两端时,电路便立即恢复正常。单音讯响器起振,喇叭便发出缺水报警信号,起到了缺水报警的作用。
3. 综合报警电路
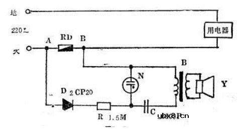
保险丝熔断报警电路:为了电器设备的安全,在电器设备和照明的线路中,都必须按装上保险丝,来保护线路和电气设备。这样一旦设备过载,电源短路,就能将保险丝熔断,起到了保护电器设备和照明线路的安全,否则就有可能损坏电器设备和照明线路。这里介绍一种电路简单,元件易购的实用报警电路。

电路原理如图所示。当保险丝RD一旦因故熔断,报警回路便与用电器相串联,电源电压就经用电器分压加在报警输入端,交流电流通过晶体二极管D半波整流后为单向脉动直流电流,由电阻R限流(兼调整起振电阻),氖管N、电容C、输出变压器B组成弛张振荡器,通过输出变压器B与喇叭Y耦合,这时喇叭便发出报警信号。
误报警问题以及原因
报警系统出现误报、漏报主要有以下几个方面原因。
无线探测器抗干扰能力差表现为同频干扰容易造成误报、漏报。红外探测器对入侵行为判断力不够准确造成误报、漏报。由于主机和探测器都是采用无线编码方式设置编码有重复造成主机和探测器重码导致误报。也有些报警器的质量太差如元器件的损坏和生产工艺不良造成误报,还有跟选择的设备、安装的方式、角度、位置、也有关,比如选用的探测器是震动探测器安装在震源比较大而多的地方(如飞机场、铁路旁等)由于飞机、火车运行时震源大都会产生误报,如蝙蝠常出现的地方选用超声波探测器就容易引起误报,在受环境的影响下如空气流动、宠物行动等,还有人为的因素主要有用户操作不当、不小心触发报警器、误闯、误入已经设防的防区等都会产生误报。产生误报、漏报的原因很多也很复杂。
因此要降低防盗报警器的误报、漏报最重要的是要从多方面的因素加以考虑,比如从技术和性能方面选择探测器、包括传感探头的选择、菲涅尔透镜的外形设计,微处理器程序,多鉴技术、自动跳码的滚动编码技术、生产工艺、使用方法,温度补偿,灵敏度探测距离调整等。这些综合因素都决定了探测器的性能和误报率。

报警电路
以上是关于报警电路的原理和故障具体介绍,电路是一项非常专业的工作,我们需要根据相关的电路图来完成相关接线,这样才能够确保我们的设备可以顺利运转。
相关热词:#报警电路
无线遥控器电路图制作
时间:2026-03-07
无线电遥控门铃电路原理图
时间:2026-03-07
NE555过流保护检测器电路图
时间:2026-03-07
串联谐振升压原理
时间:2026-03-07
谐振回路的工作原理
时间:2026-03-07
电容降压电路原理
时间:2026-03-07
实用的电容降压电路
时间:2026-03-07
低成本的阻容降压电路原理图分析
时间:2026-03-07
阻容降压原理及电路
时间:2026-03-07
阻容降压电路的误区
时间:2026-03-07
彩灯电路
时间:2026-03-05
三相异步电动机原理
时间:2026-03-04
三相异步电动机的七种调速方式
时间:2026-03-04
转角测量电路
时间:2026-03-05
经典的正弦波发生电路
时间:2026-03-05
电动机单线远程正反转控制电路图
时间:2026-03-04
三相异步电动机的拆装详讲
时间:2026-03-04
USB转232电路图
时间:2026-03-04
电度表的工作原理
时间:2026-03-04
电风扇红外遥控器2
时间:2026-03-04