当前位置:首页 > 电路图基础 > 正文

简单的吊灯控制器电路图

来源:网络  发布者:电工基础  发布时间:2026-03-07 17:09
  本款介绍的吊灯控制器电路,可分别控制吊灯3组灯泡的工作状态,使3路灯泡同时点亮或分别独自点亮,独自熄灭。

  本款介绍的吊灯控制器电路,可分别控制吊灯3组灯泡的工作状态,使3路灯泡同时点亮或分别独自点亮,独自熄灭。

  电路工作原理

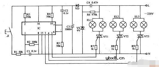
  该吊灯控制电路电源电路、触发控制电路和控制执行电路组成,如图①所示

  

简单的吊灯控制器电路图

  图①3组吊灯变色控制电路图

  1、电源电路由降压电容C4、泄放电阻R6、稳压二极管Ⅴs、整流二极管ⅤD和滤波电容C3组成。

  2、触发控制电路由控制按钮S、计数器集成电路lC(CD4518)、电阻器R1一R5和电容C1、C2组成。見图②

  

  图②CD4518集成块

  3、控制执行电路由电阻器R7一R9和晶闸管ⅤT1一VT3组成。见图③

  

  图③TCL336A双向晶闸管(可控硅

  交流220v电压经C4降压、Vs稳压、VD整流及C3滤波后,为lC4518集成块提供9v直流电压。

  lC在通电后清零复位,其输出端(6脚、5脚、4脚、和3脚)均为输出低电平,使晶闸管ⅤT1一VT3均截止,3组灯泡(EL1、EL2、EL3)均不亮。

  连续按动S时,lC的1脚将不断输入正脉冲信号,其输出端(6脚、5脚、4脚和3脚)将按二进制0001一1000(o为低电平,1为高电平)的顺序输出。lC的3脚、4脚、5脚分别通过R9、R8、R7与ⅤT3、VT2、VT1的门极相接,当lC的某一输出端输出高电平时,受该输出端控制的晶闸管将导通。即IC的3脚输出高电平时,VT3受触发而导通,第3路灯泡EL3点亮,ic的4脚输出高电平时,ⅤT2导通,第2路灯泡EL2点亮,ⅠC的5脚输出高电平时,VT1导通,第一路灯泡EL1点亮。

  ic的6脚与7脚(复位端)相连,当6脚输出高电平时,ⅠC复位,其各输出端均变为低电平,此时ⅤT1一VT3均截止,3路灯泡均熄灭。

  3路灯泡共有7种组合状态,除能分别独自点亮或独自熄灭外,3路灯泡还可以同时点亮。

  元件选择:C4选用耐压值大于400ⅴ的涤沦电容。Ⅴs选用1w硅二极管,ⅤT1一VT3均选用TLE336A400ⅴ双向晶闸管。ⅠC选用CD4518型双二/十进位制计数器集成电路,S选用小型动合按钮。

相关热词:#控制器

最新文章
无线遥控器电路图制作无线遥控器电路图制作

时间:2026-03-07

无线电遥控门铃电路原理图无线电遥控门铃电路原理图

时间:2026-03-07

NE555过流保护检测器电路图NE555过流保护检测器电路图

时间:2026-03-07

串联谐振升压原理串联谐振升压原理

时间:2026-03-07

谐振回路的工作原理谐振回路的工作原理

时间:2026-03-07

电容降压电路原理电容降压电路原理

时间:2026-03-07

实用的电容降压电路实用的电容降压电路

时间:2026-03-07

低成本的阻容降压电路原理图分析低成本的阻容降压电路原理图分析

时间:2026-03-07

阻容降压原理及电路阻容降压原理及电路

时间:2026-03-07

阻容降压电路的误区阻容降压电路的误区

时间:2026-03-07

热门文章
彩灯电路彩灯电路

时间:2026-03-05

三相异步电动机原理三相异步电动机原理

时间:2026-03-04

电动机单线远程正反转控制电路图电动机单线远程正反转控制电路图

时间:2026-03-04

三相异步电动机的七种调速方式三相异步电动机的七种调速方式

时间:2026-03-04

转角测量电路转角测量电路

时间:2026-03-05

经典的正弦波发生电路经典的正弦波发生电路

时间:2026-03-05

三相异步电动机的拆装详讲三相异步电动机的拆装详讲

时间:2026-03-04

USB转232电路图USB转232电路图

时间:2026-03-04

电度表的工作原理电度表的工作原理

时间:2026-03-04

电风扇红外遥控器2电风扇红外遥控器2

时间:2026-03-04