数字压力表是集传感技术、电子技术、微机技术为一体的新型智能化、多功能的测量仪表。它既可以满足工业现场的压力测量,又可以在实验室作标准表使用。数字压力表按结构可分为整体式和分离式。现场用的大多是整体式的,即传感、转换、显示是一体的,安装在一个表壳中:分离式的大多用于实验室作标准表使用,其传感器通过缆线与主机相连、其余元件全安装在主机箱中。
被测介质压力作用于传感器的感压膜片,传感器将感应的电信号经放大、A/D转换,送CPU进行处理,然后以模拟量或数字量输出,从而实现压力显示、控制、变送的目的;微处理器可对仪表的零点漂移、温度漂移、非线性等进行自动补偿,以确保仪表使用条件内的高精度。

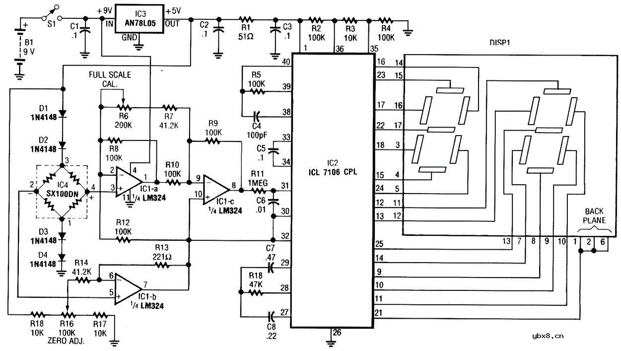
这种电子压力计采用惠斯登电桥型压力传感器,来驱动31/2位A/D转换器和显示器。IC1的是一个泵(四),它把桥传感器接到A/D转换器。RIG提供了零调整,R6提供了全面的校准。通过D4的D1提供了温度补偿。

相关热词:#压力表
无线遥控器电路图制作
时间:2026-03-07
无线电遥控门铃电路原理图
时间:2026-03-07
NE555过流保护检测器电路图
时间:2026-03-07
串联谐振升压原理
时间:2026-03-07
谐振回路的工作原理
时间:2026-03-07
电容降压电路原理
时间:2026-03-07
实用的电容降压电路
时间:2026-03-07
低成本的阻容降压电路原理图分析
时间:2026-03-07
阻容降压原理及电路
时间:2026-03-07
阻容降压电路的误区
时间:2026-03-07
彩灯电路
时间:2026-03-05
三相异步电动机原理
时间:2026-03-04
三相异步电动机的七种调速方式
时间:2026-03-04
转角测量电路
时间:2026-03-05
经典的正弦波发生电路
时间:2026-03-05
电动机单线远程正反转控制电路图
时间:2026-03-04
三相异步电动机的拆装详讲
时间:2026-03-04
USB转232电路图
时间:2026-03-04
电度表的工作原理
时间:2026-03-04
电风扇红外遥控器2
时间:2026-03-04