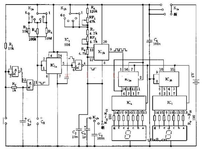
如图所示,电容测试仪包括脉冲产生器、单稳态触发器、直流放大和表头指示电路。本测试仪可测量小至几皮法,大至10微法的电容。量程分为六档:0~100pF,0~1nF,0~10nF,0~100nF,0~1μF,0~10μF。

单结晶体管VT1(BT33C)与R1、R2、R4、C1等组成张弛振荡器,通调开关SW1a接R1时,产生周期为3ms的尖脉冲;接R2时,产生周期为30ms的尖脉冲。IC1(555)与R7~R9和待测电容Cx组成单稳态触发电路。输出脉宽取决于充电时间常数RC值,即t=1.1(R7~R9)Cx。
如开关拨至第三档,则SW1a接通R1,SW1b接通R8,若Cx=0.01μF,则555电路在触发脉冲周期T=3ms内的单稳脉宽:

此输出脉冲经平滑滤波器R11、C2滤波后,经IC2(F007)直流放大后,使表头M的刻度值满偏(通过调节RP2实现)。同样调节其他各档,使555第3脚输出的方波的占空系数约为33%。即由R7(或R8、R9)和Cx决定的时间常数是VT1张弛振荡器脉冲周期的33%。DW稳压二极管用于对输出脉冲箝位,R11、C2用于滤波(积分),使C2上的电压与脉宽成比例,然后经IC2放大后驱动表头。R16用来对表头满偏进行限流。
测试仪是具有发现并解决各种故障特性的硬件或软件设备,这些特性包括特殊协议包的解码、特殊的编程前的故障测试、包过滤和包传输。

相关热词:#测试仪
无线遥控器电路图制作
时间:2026-03-07
无线电遥控门铃电路原理图
时间:2026-03-07
NE555过流保护检测器电路图
时间:2026-03-07
串联谐振升压原理
时间:2026-03-07
谐振回路的工作原理
时间:2026-03-07
电容降压电路原理
时间:2026-03-07
实用的电容降压电路
时间:2026-03-07
低成本的阻容降压电路原理图分析
时间:2026-03-07
阻容降压原理及电路
时间:2026-03-07
阻容降压电路的误区
时间:2026-03-07
彩灯电路
时间:2026-03-05
三相异步电动机原理
时间:2026-03-04
三相异步电动机的七种调速方式
时间:2026-03-04
转角测量电路
时间:2026-03-05
经典的正弦波发生电路
时间:2026-03-05
电动机单线远程正反转控制电路图
时间:2026-03-04
三相异步电动机的拆装详讲
时间:2026-03-04
USB转232电路图
时间:2026-03-04
电度表的工作原理
时间:2026-03-04
电风扇红外遥控器2
时间:2026-03-04