交流调压是把不变的交流电压变换成有效值可调的交流电压,用一只双向晶闸管代替两只反并联晶闸管,可使电路大大简化。被广泛应用于工业加热、灯光控制、感应电动机的调速以及电解电镀的交流侧调压等场合。
用双向晶闸管组成的调光控制电路如图1所示,调节RP可改变灯泡E的亮度大小。

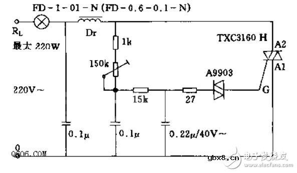
如图是一个最简单的双向晶闸管调光灯电路,双向晶闸管的特点是只要在其控制极上加上适当的触发脉冲或控制电流,无论在交流的正半周还是负半周,均可导通,导通时间与所加的脉冲宽度及门极电流大小有关。调节RP可改变灯泡E的亮度大小。

该电路用于200W以下灯的调光亮度,输出电压自8至218V连续无级调节。更换额定电流值更大的晶闸管和双向触发管可带功率更高(如1kW~2kW)的照明灯。

相关热词:#晶闸管
无线遥控器电路图制作
时间:2026-03-07
无线电遥控门铃电路原理图
时间:2026-03-07
NE555过流保护检测器电路图
时间:2026-03-07
串联谐振升压原理
时间:2026-03-07
谐振回路的工作原理
时间:2026-03-07
电容降压电路原理
时间:2026-03-07
实用的电容降压电路
时间:2026-03-07
低成本的阻容降压电路原理图分析
时间:2026-03-07
阻容降压原理及电路
时间:2026-03-07
阻容降压电路的误区
时间:2026-03-07
彩灯电路
时间:2026-03-05
三相异步电动机原理
时间:2026-03-04
三相异步电动机的七种调速方式
时间:2026-03-04
转角测量电路
时间:2026-03-05
经典的正弦波发生电路
时间:2026-03-05
电动机单线远程正反转控制电路图
时间:2026-03-04
三相异步电动机的拆装详讲
时间:2026-03-04
USB转232电路图
时间:2026-03-04
电度表的工作原理
时间:2026-03-04
电风扇红外遥控器2
时间:2026-03-04