所谓电容触摸感应式控制技术,其核心就是利用张弛振荡器产生数百千赫兹的正弦波,然后将这个正弦波信号加在各个弹簧导电盘上,当用户的手指接触到导电盘的时候(即使有面板隔开,但对于高 频信号而言,玻璃、陶瓷、塑料等材质面板仍相当于导体),相当于给弹簧导电盘对地接了一只电容,利用电容通交隔直的特性,高频信号通过电容分压,弹簧盘上的信号电平将降低。 这个降低的信号电压施加在阈值检测器上(或者被送到比较器内部电路进行处理,使相应输出端输出电平翻转),即可以产生触摸/无触摸的信号。 市场上常见的采用电容触摸感应式控制技术的电磁炉,按控制接口类型分类主要有二种: 第一种是将张弛振荡器产生的数百千赫兹的正弦波加到各个功能键弹簧导电盘上。并将各个功能键与比较器的输人端分别相连,通过比较器内部电路进行比较,在输出端实现高低电平的变化,并且一个按键对应一个 I/O 口,每个I/O 口分别用高或低两种不同的电平来表示按键的开或关。这种方式的优点是:不需改动以往主系统的软硬件,只需单独做一块键盘小板就可以实现触摸按键功能,很适用于老产品改造,因此这种方式在较早电磁炉上较常见,其工作原理示意如图3所示。
图 3 工作原理示意图 第二种方式是键盘输人接口与第一种一样,不同的是输出采用SPI、IIC、UART或是采取有限的几根 I/O 口来输出编码数据,这种方式的优点是所需的I/O 口少,输出一般只需要2~3 个 I/O口即可实现数据 传输。这种控制方式的工作示意图如图 4 所示,但在电磁炉中比较少见。
图 4 控制方式的工作示意图 第三种方式是采用高度整合之后的触摸感应产品方案。该方案需采用专用的CPU 芯片,直接将触摸键产生的电压变化送往CPU内部电路,经内部电路处理后去控制电磁炉主板的工作状态,其工作示意图 如图5所示。这种方案能极大地简化电路结构,降低产品成本。
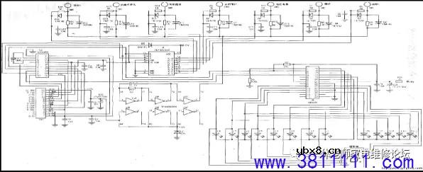
图5采用高度整合之后的触摸感应产品方案工作示意图 二、几种电磁炉触摸控制电路介绍由于电磁炉触摸控制技术采用的接口方式不同,所以其电路有很大的区别, 下面对三款常见的控制电路进行介绍: 1.采用CD4069组成的触摸控制电路该控制电路简图如图6所示,其原理如下:四比较器CD4069与①脚外围的R1、R2 和C1组成一个500kHz左右的方波发生器,从CD4069⑧脚输出,经C2耦合到由 R3、R4、C3、D2 及D3组成的检测电路中,然后 通过R5送往CD4051⑤脚的内部电路。CD4051是一块8选1的译码器,其①、②、④、⑤,(12)-(15)脚为电平输人端,脏污的面板是引发触摸灵敏度降低的常见原因之一。然后拆开电磁炉,取下触摸电路板,观察电路板是否脏污(是否有油渍、水分或蟑螂等杂物,元件引脚是否锈蚀),如果有这些现象,就要用天那水(香蕉水)或无水酒精对电路板进行清洗并烘干。若铜箔或元件引脚有腐蚀开路的情况,要连接铜箔或更 换同规格元件。对于目测没有发现问题的电路板,可以取下电路板直接用手触摸弹簧盘进行试验,看是否能正常控制,如果能控制,就说明电路板正常,故障应为灵敏度不够。 第二步:测量任何电器要正常工作,都得要有正常的工作电源电压,所以首先测量电源电压是否正常至关重要。若测得电源电压偏低或偏高,都要先将其维修正常后,才能进行下一步工作。在电源电压正常的情况下,再测量电路中关键点,比如在图10 中,Q1 的 c 极上必须有12V工作电压,S3F9454B22-0K94 的(20)脚必须有5V 的工作电压,否则电路不可能正常工作。然后用数字万用表的频率挡测量 Q1 的 c 极上是否有 500kHz 的振荡信号。若一时不能确定振荡器的具体部位或元件, 可以直接测量各个弹簧键上是否有 500kHz 的信号;如果各个弹簧键上都没有这个信号,同样可以说明振荡器没有工作或工作失常,导致触摸电路将失效。在500kHz 信号正常的情况下,直接触摸弹簧盘,同时跟踪测量该触摸弹簧上的电压,看是否随触摸而降低,然后测量 S3F9454B22-0K94 的(19)脚电压是否随之变化。正常情况下,这几处电压都会随触摸弹簧而降低。 第三步:代换首先说明,这里的代换并不是平常维修时所说的用正常元件代换怀疑元件, 而是在确定 500kHz 正常的情况下,将 S3F9454B22-0K94 的(11)~(16)脚外接的检测电路整体进行代换试验,比如用美工刀将(11)脚和(12)脚划开,然后将(11)脚外接的检测电路接在(12)脚上,将(12)脚外接的检测电路接在(11) 脚上进行试验。这样做的目的是:由于几个检测电路的元件参数都是一样的,只是接在 S3F9454B22-0K94 上的输人脚不同而已。值得注意的是,如果开机触摸键的检测电路失效,肯定无法进入工作状态,那么其他触摸键也就必然失效,所以在检修时,要首先检修开机键。如果代 换后正常,就对检测电路进行详查,特别是电路中的小瓷片电容,最好用同规格的元件进行更换,不然容易引起触摸灵敏度降低的故障。 【提示】利用其他触摸键的检测电路代换开机触摸键,可以达到快速判断故障部位的目的。 第四步:调整若去掉面板触摸弹簧能正常反应,这并不能说明装入面板后也能正常工作, 这是因为装入面板后,触摸灵敏度将下降很多。此时,首先可以将弹簧适当拉长一点,让弹簧盘能可靠地贴在面板上,但要注意弹簧键在面板上的贴合位置是否准确,最后再进行试验。 【提示】各款电磁炉触摸控制电路的检修方式与此大同小异,其检修的关键测试点就是各个 IC 的工作电源;电磁炉触摸控制电路的核心是 500kHz 左右的高频信号,只有在工作条件具各的前提下,触摸控制电路才可能正常工作。 2.应急处理在实际检修过程中,有时会遇到查出故障元件后,却没有配件更换的尴尬处境。这时在征求用户同意的前提下,可在其他位置安装轻触键以达到应急处理的目的,下面举例说明。 例:一台三星触摸屏电磁炉,故障为指示灯亮,触摸开机键不起作用,整机不能进入工作状态。 分析检修:拆开机壳取出触摸电路板,发现电路板很脏,用香蕉水仔细清洗 并烘干后,直接触摸开机弹簧键,电磁炉能进人工作状态。认为已经修复,于是 将整机装好,等到用户来取机时,却发现又不能开机。再次取出触摸板,直接触 摸开机触摸弹簧仍不能开机。测量 500kHz 的振荡信号正常,开机触摸弹簧处的电压也能随触摸而降低。查看电路后发现,开机键的检测电路是接到 LM393 的⑥ 脚,然后从 LM393 的⑦脚输出送给主板上的 CPU.测量 LM393 的⑥脚电压能变化, 而⑦脚的电压却不能变化 s 直接用镊子将 LM393 的⑦脚对地短路一下,电磁炉立刻能正常王作,试验各个功能键都能“一触即发”,说明该 LM393 电路工作失常。 观察发现 LM393 各脚间有些霉变痕迹,于是拆下 LM393,清洗并烘干后,装机又能正常工作,但冷机 2 小时后故障重现。仔细分析检修过程,怀疑 LM393 相关电路性能不良。于是在冷机状态下,用热风枪直接加热 LM393,然后开机又恢复正常,冷机后故障再次复发。 仔细检查并代换 LM393 外围的所有元件,没有发现问题,只能怀疑是 LM393 性能变坏,或者 LM393 部位的电路板漏电。由于手头暂无 LM393,而用户又等着使用,只能考虑应急维修。 从上述检修过程分析,既然直接对地短接 LM393 的⑦脚,电磁炉均能正常控制,能否外加一只轻触键来代替开机触摸键呢?在征求用户同意的情况下,在电磁炉正前方的底部钻一个小孔,将一只轻触键 的手柄从该孔中伸出,并妥善固定好该轻触键后,再用一只 100Ω的电阻与轻触键串联,然后用导线接在 LM393 的⑦脚与地之间,开机时不用面板上的开/关机键,而用这个新加的轻触键,多次试验使用 一切正常。 【提示】1.一般不提倡改变电路结构和外壳的办法来进行维修,但是没有配件的情况下,若能通过简单的电路改动使损坏的电器起死回生,这也是一种很好的权宜之计。 2.
不同的触控电路,其改动部位和方法是不同的,这需要先搞懂电路原理,然后对症下药。 |
电场激活原位掺杂平面光伏型胶体量子点红外...
时间:2026-03-09
什么是硅片或者晶圆?一文了解半导体硅晶圆
时间:2026-03-09
集成电路的几纳米代表了什么?
时间:2026-03-09
金刚石基GaN问世 化合物半导体行业进入第三...
时间:2026-03-09
实用模拟电路小常识浅析
时间:2026-03-09
寄存器是什么?怎么操作寄存器点亮LED灯?
时间:2026-03-09
一文详解MOS管驱动电路拓扑的设计
时间:2026-03-09
汽车芯片业应汲取的教训
时间:2026-03-09
半导体光刻工艺 光刻—半导体电路的绘制
时间:2026-03-09
电阻的原理和作用 电阻色环识别图 电路中电...
时间:2026-03-09
豆浆机更换电机全过程
时间:2026-03-09
电信 IPTV 常见故障排除方法与检修实例 (三...
时间:2026-03-08
三相电的相序 怎样才能分辨ABC
时间:2026-03-09
九阳电压力锅维修过程
时间:2026-03-09
《洗衣机维修从入门到精通》电子书PPT之三
时间:2026-03-09
别等到连技术工人都没了,但技术工人的待遇...
时间:2026-03-09
电气电工专业就业前景,如果再给你一次机会...
时间:2026-03-09
电工师傅你知道变送器标准信号是多少吗?百...
时间:2026-03-09
二合一电源OB5269CP+AP3041方案----原理与维...
时间:2026-03-09
TCL王牌 LE50D8810型液晶电视图像抖动故障应...
时间:2026-03-09