某电灌站共有14台155kW水泵机组,每台电动机均采用自耦降压起动柜起动。运行多年来,发生了自耦降压起动柜失灵造成电动机直接起动的故障。虽然电动机没有受损,但这也是一起不应发生的严重故障。首先,在检查该自耦降压起动柜的主要元器件时,发现时间继电器KT的延时闭合触点粘连了,所以在未闭合启动按钮SB1的情况下,电动机未经自耦变压器而直接起动了。自耦降压起动柜接线图1。
从图1可以看出,由于KT时间继电器的延时闭合触点粘连而一直处于闭合状态,在未操作按钮SB1的情况下,只要控制开关SA投入自动位置,继电器KA1立刻起动,使接触器KM2励磁,导致电动机直接起动了。 对该柜进行全面检查,也只是发现该时间继电器有故障。检查运行记录,发现该起动柜使用较为频繁,而未按规定进行维护检修、预防性试验,从而导致了时间继电器出现故障。维修时,更换了相同的时间继电器,再次起动正常。为避免此类故障再次发生,除了加强维护检修、预防性试验外,给出了2种控制回路改进方案。
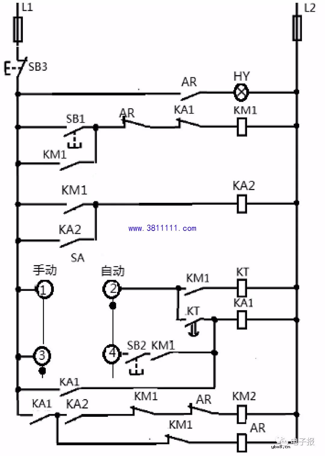
方案1:增加了中间继电器KA2、AR和信号指示灯HY,如图2所示。原理如下: 当出现时间继电器延时闭合触点KT因故导通时,在未闭合按钮SB1之时投入SA于自动位置,继电器KA1起动并自保持,但由于接触器KM1此时未励磁,中间继电器KA2是断电的,故接触器KM2不能励磁,防止了电动机的直接起动。同时,KA1的起动,使故障继电器AR起动,故障信号灯HY亮,告知控制柜有故障。本方案的逻辑比较清楚,构思严密,也较可靠。但增加了多个元件,回路改线的工作量较大,在某种程度上降低了设备整体的可靠性。为此,又提出了图3的改进方案2。
方案2:本方案未增加继电器,只是将控制开关SA更换为LW2型万能转换开关,如图3所示。利用其原用于预备合闸的触点13-14,作检查时间继电器KT的常开延时触点是否接通。若接通,则指示灯RH亮,可知时间继电器有故障,也显示操作不能继续,避免直接启动电动机。与RH串联的电阻的阻值选取,可按在KT延时触点接通情况下,继电器KA1可靠不启动。操作步骤如下: 正常在手动投入状态,操作手柄在水平位置,SA的触点10-11接通。拟投自动时,转动手柄到垂直位置-予投自动,触点13-14接通,如RH指示灯不亮,则说明KT延时触点未导通,可进行投自动操作,搬动手柄向右45度,进入自动状态,触点13-16接通,松开手柄,手柄回到垂直位置,触点13-16仍接通,保持在自动投入状态。方案2与方案1相比,未增加继电器,仅更换了控制开关SA、增加了1只信号灯,改动量较小,不仅简单易行,而且不影响电路的可靠性。 经以上分析,决定采用图3的改进方案对电路进行改进后试机,工作一切正常,故障排除。 |
相关热词:#电工论坛
电工距离保护有几段?这解释合理不?
时间:2026-03-10
PLC是什么?PLC是以微处理器为基础,综合了...
时间:2026-03-10
18个电动机知识,转子转速与旋转磁场的转速...
时间:2026-03-10
图解一灯单控、双控、三控、四控照明灯控制...
时间:2026-03-10
图解电能表的接线大全方法
时间:2026-03-10
星三角降压启动控制线路的接线技巧常见故障...
时间:2026-03-10
为电工朋友总结的电工基础知识和维修经验,...
时间:2026-03-10
建筑电气工程施工质量验收规范,最全面的水...
时间:2026-03-10
专业电工师傅解答:家装改水电线管走地好还...
时间:2026-03-10
功率如何计算电流承受力,2500W用电器用多粗...
时间:2026-03-10
豆浆机更换电机全过程
时间:2026-03-09
电信 IPTV 常见故障排除方法与检修实例 (三...
时间:2026-03-08
三相电的相序 怎样才能分辨ABC
时间:2026-03-09
分享一下解决TV远程各种问题的工具方法,你...
时间:2026-03-09
格兰仕G90F25CN3LV-Q6(GO)变频 微波炉,按启...
时间:2026-03-09
九阳电压力锅维修过程
时间:2026-03-09
《洗衣机维修从入门到精通》电子书PPT之三
时间:2026-03-09
电动车越开电池越不耐用?别急着换!充电注...
时间:2026-03-09
在这3种情况下,最好别安装燃气热水器,别拿...
时间:2026-03-09
安装师傅却说:他只是帮忙的,并表示这个线...
时间:2026-03-09