当前位置:首页 > 维修 > 正文

PLC和变频器都是工业控制中最常用的设备,双恒压无塔供水

来源:网络  发布者:电工基础  发布时间:2026-03-10 12:43
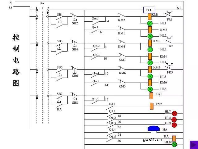
PLC和变频器都是工业控制中最常用的设备,二者可以单独使用,也可以密切配合,都能够达到自动化控制的目的,应用非常的广泛,今天就举一个具体的例子:双恒压无塔供水系统,这个系统是由变频器和PLC密切配合才能完

PLC和变频器都是工业控制中最常用的设备,二者可以单独使用,也可以密切配合,都能够达到自动化控制的目的,应用非常的广泛,今天就举一个具体的例子:双恒压无塔供水系统,这个系统是由变频器和PLC密切配合才能完成的,一般都在大的项目上使用。


PLC和变频器都是工业控制中最常用的设备,双恒压无塔供水


PLC和变频器都是工业控制中最常用的设备,双恒压无塔供水

PLC和变频器都是工业控制中最常用的设备,双恒压无塔供水


PLC和变频器都是工业控制中最常用的设备,双恒压无塔供水


PLC和变频器都是工业控制中最常用的设备,双恒压无塔供水


PLC和变频器都是工业控制中最常用的设备,双恒压无塔供水


PLC和变频器都是工业控制中最常用的设备,双恒压无塔供水


PLC和变频器都是工业控制中最常用的设备,双恒压无塔供水

PLC和变频器都是工业控制中最常用的设备,双恒压无塔供水


PLC和变频器都是工业控制中最常用的设备,双恒压无塔供水


PLC和变频器都是工业控制中最常用的设备,双恒压无塔供水


PLC和变频器都是工业控制中最常用的设备,双恒压无塔供水


PLC和变频器都是工业控制中最常用的设备,双恒压无塔供水


PLC和变频器都是工业控制中最常用的设备,双恒压无塔供水

PLC和变频器都是工业控制中最常用的设备,双恒压无塔供水


PLC和变频器都是工业控制中最常用的设备,双恒压无塔供水


PLC和变频器都是工业控制中最常用的设备,双恒压无塔供水


PLC和变频器都是工业控制中最常用的设备,双恒压无塔供水


PLC和变频器都是工业控制中最常用的设备,双恒压无塔供水


PLC和变频器都是工业控制中最常用的设备,双恒压无塔供水


PLC和变频器都是工业控制中最常用的设备,双恒压无塔供水


PLC和变频器都是工业控制中最常用的设备,双恒压无塔供水


PLC和变频器都是工业控制中最常用的设备,双恒压无塔供水


PLC和变频器都是工业控制中最常用的设备,双恒压无塔供水


PLC和变频器都是工业控制中最常用的设备,双恒压无塔供水


PLC和变频器都是工业控制中最常用的设备,双恒压无塔供水


PLC和变频器都是工业控制中最常用的设备,双恒压无塔供水


PLC和变频器都是工业控制中最常用的设备,双恒压无塔供水


PLC和变频器都是工业控制中最常用的设备,双恒压无塔供水


PLC和变频器都是工业控制中最常用的设备,双恒压无塔供水


PLC和变频器都是工业控制中最常用的设备,双恒压无塔供水

相关热词:#电工论坛