今天我们一起来学习升压型(Boost or Step-up)开关电源。
原理
让我们从下面的这个经典升压型开关电源电路开始:

经典开关电源电路
实际应用中图中的开关一般是场效应管,但为了简单和好理解起见,我们用通用开关符号替代。
假设开始时的开关是断开的,电流从 10 伏电源流过电感、流过二极管,然后给电容充电。二极管两侧会有一个小小的压降,我们假设它是 0.5 伏。因此,输出电容被充电到 9.5 伏。到目前为止,我们还是在降低电压,且让我们耐心点。

开关断开,电容充电
下一步,闭合开关。二极管会阻止电容放电。因此,输出电压维持在 9.5 伏:

开关闭合,电压保持
但是,现在我们有一个从输入电压经过电感到地的电流通路:

电流通路
如果我们一直将开关闭合,我们基本上是在通过电感将输入短路。那样的话,一些很不好的事情将会发生。

电感被烧掉
我们可不想那么做。我们只是在极短的时间内闭合电感。我们仅仅闭合开关一小段时间,以便刚好足够一些电流流过电感。当我们这样做时,我们是在将电能以磁能的形式存储在电感中。

现在我们在电感中以电磁能的形式存储了一些能量,我们迅速地断开开关。

迅速断开开关
因为电感中的电流不会突然改变,电流只能继续流过电感、流过二极管,然后流入输出电容。也就是说,能量从电感传递到电容。随着电感中磁场的崩塌,电容两端的电压被升高了。要注意,电子的流动方向是和传统电流方向相反的,图中电感的左侧会因为电流流动而积累负电荷,相应的,右侧就会因为电子流出而出现高电压。我们的升压转换器(Boost Converter)现在已经提高了电压:

迅速断开开关 电压升高
前面说过,我们不希望闭合开关的时间太长,因为时间太长会导致短路。因此,我们用一个高频的方波(Pulse Width Modulated) 来控制开关的闭合和断开:

高频方波控制
通过增加控制方波的占空比,可以加快电容两端电压抬升的速度,进而提高输出电压。但是, 你如何知道输出电压到底是多少呢?课本中可能会看到这个公式(duty cycle 是指占空比):

不管用的公式
这个公式只在电流很小的时候管用,在实际电路中,输出电压输出电压和方波占空比、电感的大小、开关速度、输出电路等等都相关。因此,同降压型(Buck)开关电源一样,如果我们希望建立一个真实有用的升压电源,我们需用一个一站式控制芯片。该芯片可以自动调节控制方波的占空比,以确保一个稳定的输出电压。
一站式解决方案
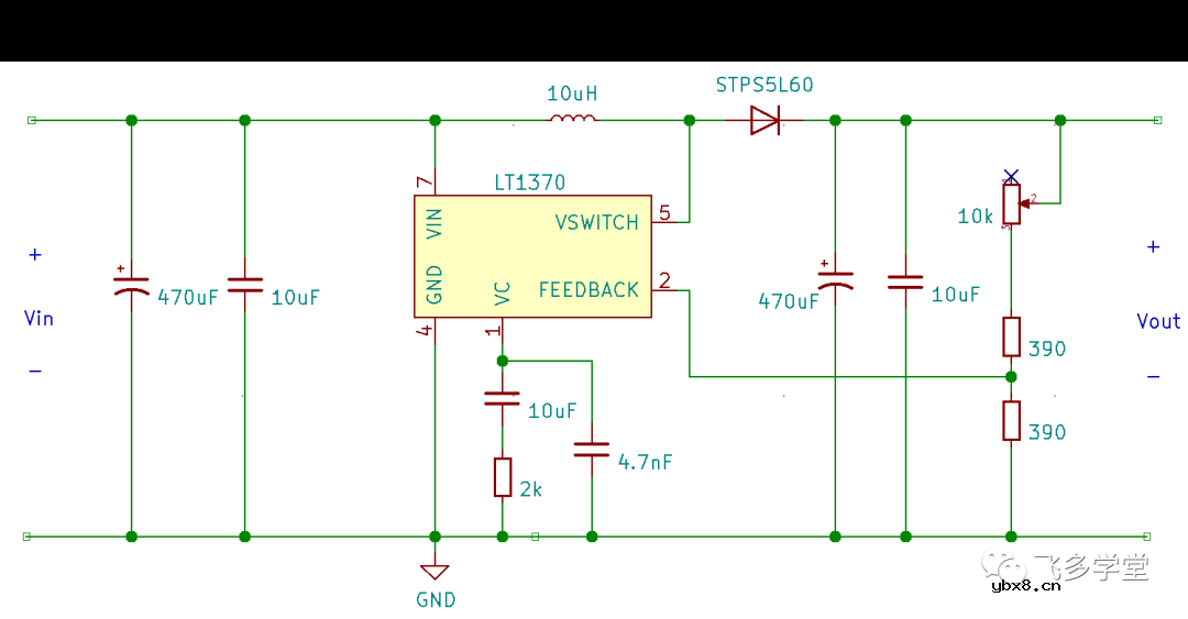
我们使用凌力尔特(Linear Technology)的LT1370这款芯片来制作升压型开关电源:

50瓦电源
电源的输入和输出端都接入了电解电容和陶瓷电容,以滤除电流中的高频信号。这是一种开关电源的常见做法:

滤波电容
为了提高转换效率,我们使用肖特基二极管,正向压降越低越好:

肖特基二极管
下面是可提供最大输出为 30 伏的反馈电阻网络:

反馈电阻
Vout 在可调电阻为最大值(10k)时最大:

下面是一些新花样,这些器件用于控制回路频率补偿,基本上,它们帮助控制器适应输出电压的微小变化,以输出干净的直流电:

频率补偿
学习如何设计补偿电路需要大量复杂的数学运算和控制理论知识,本文不做讨论。好消息是,大多数时候您只需使用芯片数据表(datasheet)中的推荐值,您的电路就会跑起来。

稳定回路的方法
焊起来
从把带有散热片的主控芯片焊接到洞洞板的中间开始,周围留下足够空间,以放置其他器件。保持元件连线短且焊锡足够粗。

再焊接上输出电容:

再焊接上反馈电阻,连线越短越好:

最后,在靠近输入的地方焊接上频率补偿电阻和电容,引脚 3 和 6 悬空即可:

让我们看看板子的底部。请注意我如何安排组件,以便我可以从输入到输出有一个简单的连续接地。

我将陶瓷输入滤波电容直接焊接在控制器的输入引脚上。陶瓷输出滤波电容和输出电解电容平行。

跑起来
现在如果你给设备上电,可以将输入电压提高到 30 伏。

可以提高到 30 伏
它只能输出大约 50 瓦的功率,否则设备会过热。它的输入电流限制在 5 安培。注意我说的是输入电流限制,而不是输出电流限制。比如我们的电源输出 12 伏电压,输出电流为 1安培。因此输出功率为 12 瓦。

当我用 5 伏直流电作为其输入时,它的电流达到 2.99 安培:

也就是说,输入电流高于输出电流。这是因为我们不能凭空创造出能量。为了提高输出电压,我们不得不从输入攫取更多的电流。总体而言,我们的升压开关电源能达到 80% 的效率。

最后,值得注意的是,出于安全原因,电路的设计限制为 30 伏输出,但来自大电容器的 30 伏输出也会造成一些损坏。

审核编辑:刘清
A22: 分立半导体器件知识与应用专题--MOS管...
时间:2026-03-12
一起来学习升压型(Boost or Step-up)开关...
时间:2026-03-12
双极型三极管
时间:2026-03-12
介绍下集成电路MOS管的基础
时间:2026-03-12
第7代1200 V FRED Pt® Hyperfast恢复整流器...
时间:2026-03-12
如何解决共振引起的EMC问题?
时间:2026-03-12
4A额定电流,Vishay汽车级Power DFN系列整流...
时间:2026-03-12
电力晶体管的驱动电路与保护电路
时间:2026-03-12
常用电子元器件的识别
时间:2026-03-12
构建新一代光学计算机的关键!新型纳米激子...
时间:2026-03-12
玻璃釉电容器的结构与特点
时间:2026-03-05
电阻的标称阻值和允许偏差
时间:2026-03-05
变压器并列运行的条件浅析
时间:2026-03-06
电容器入门教程
时间:2026-03-05
关于STM32WL LSE 添加反馈电阻后无法起振的...
时间:2026-03-05
可调电阻怎么接线
时间:2026-03-05
压敏电阻有正负极吗
时间:2026-03-05
压敏电阻坏了怎么替代
时间:2026-03-05
压敏电阻爆裂的原因分析
时间:2026-03-05
暑期买元器件下单立减还送华为P30pro
时间:2026-03-05