
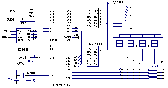
图为IC卡及其读写器硬件电路图。其中读写器由单片机、键盘、显示、监控电路等部分组成。IC卡采用XICOR公司的X76F100Y。
2.1 IC卡及卡座
X76F100为128×8位的保密串行FLASH E2PROM,其中读密码和写密码分别为64位。图2为其智能卡Smart Card封装的引脚图。把芯片封装在一个卡片上,将卡片插入IC卡读写器的卡座中,读写器就可以对它进行读写,实现加密、查询、存款、取款等功能。
IC卡座有8个引脚,当X76F100Y插入时,正好同这几个引脚相连。另外还有两个固定端,其中一个固定端同卡座上一个弹簧片相连,两个触点和簧片就相当于一个常闭开关。当卡未插入时,簧片闭合,P3.2脚保持低电平;当卡插入时,簧片被顶开,P3.2脚变为高电平。当单片机检测到P3.2脚变高,通过P1.3 使X76F100的RST引脚变高,使其复位。
2.2 单片机
单片机采用LG公司的GMS97C52。它有8K字节的ROM,256个字节的RAM以及32个I/O口,P1口与串行器件X25045和X76F100连接,P0、P2口用于键盘和显示,P3口中P3.2用于检测IC卡是否插入,其余7个口,可作其它功能扩充。
2.3 监控电路
监控电路采用X25045芯片,它包括看门狗定时器、电压监控电路和E2PROM存贮器。其功能是:上掉电时对GMS97C52产生RESET信号;看门狗对系统进行监控,防止死机。
2.4 键盘电路
为了方便,键盘接口电路用I/O口实现,它为4×4结构,16个键。其中数字键11个,功能键4个,回车键1个。
数字键:0、1、2、3、4、5、6、7、8、9、←(退格)。
功能键:查询?、存储+、取款-、改密码* 。
查询?:用户通过读密码可以查询卡中所存的款额。
存款+ :用户通过写密码可以将款存入卡中。
取款-:用户通过写密码可以从卡中取款。
改密码*:分为修改读密码和写密码。为方便起见,令读密码和写密码一
致,按此键将同时修改读密码和写密码。
回车键:8位密码或存取款数输入完确认,以及新密码输入完确认。
2.5 显示电路
显示部份采用LED显示器,也用I/O口实现。用于显示系统状态、输入的密码或所要存取的款额以及出错信息等。
由于GMS97C52的驱动电流有限,在P0、P2口加反向器SN74F04,增加驱动能力。它的吸入电流为64mA,输出电流为15mA,可以保证位选所需的吸入电流。
相关热词:#读写器
花盆干湿报警器
时间:2026-03-04
家电红外遥控器电路图
时间:2026-03-04
简易传声门铃电路
时间:2026-03-04
戒烟警告器电路
时间:2026-03-04
煤气熄灭报警器电路
时间:2026-03-04
模拟自然风电扇电路
时间:2026-03-04
闹钟间歇电铃电路
时间:2026-03-04
能记忆的音乐门铃电路
时间:2026-03-04
敲门告知电路
时间:2026-03-04
闪烁指示灯门铃电路
时间:2026-03-04
三相异步电动机原理
时间:2026-03-04
电风扇红外遥控器2
时间:2026-03-04
由三个接触器组成的电动机正反转控制电路图
时间:2026-03-04
电动机单线远程正反转控制电路图
时间:2026-03-04
三相异步电动机的拆装详讲
时间:2026-03-04
三相异步电动机的七种调速方式
时间:2026-03-04
USB转232电路图
时间:2026-03-04
lm324比较器电路图
时间:2026-03-04
二冲程柴油机的工作原理
时间:2026-03-04
涡轮发动机的工作原理
时间:2026-03-04