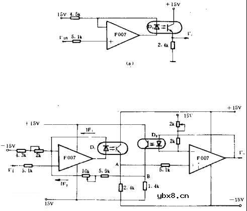
采用反馈提高光电耦合器件线性度的电路图

(a)中,D1处在反馈通路中,流经D1的电流与V1严格成线性关系.这个电路的缺点是没有考虑到光电耦合器件电流传输比与工作电流之间的非线性关系.为此,须精心挑选,调整器件.
(b)中,增加第二级反馈,使线性度大大提高.本电路增益为了,频率为0~30KHZ.动态范围为-8~+8V,非线性失真(±8V时)小于0.5%,哭声小于1mV,共模电压大于250V.
相关热词:#光电耦合器
源极,什么是源极,源极是什么意思
时间:2026-03-04
摩尔定律,摩尔定律是什么意思
时间:2026-03-04
PN结,PN结是什么意思?
时间:2026-03-04
pn结原理是什么
时间:2026-03-04
pn结的形成/多晶硅中PN结是怎样形成的?
时间:2026-03-04
PN结温度传感器及测温电路原理
时间:2026-03-04
什么是PN结型温度传感器及其原理是什么?
时间:2026-03-04
PN结温度传感器工作原理是什么?
时间:2026-03-04
二极管,二极管是什么意思
时间:2026-03-04
肖特基二极管,什么是肖特基二极管,肖特基二...
时间:2026-03-04
三相异步电动机原理
时间:2026-03-04
电风扇红外遥控器2
时间:2026-03-04
由三个接触器组成的电动机正反转控制电路图
时间:2026-03-04
电动机单线远程正反转控制电路图
时间:2026-03-04
三相异步电动机的拆装详讲
时间:2026-03-04
三相异步电动机的七种调速方式
时间:2026-03-04
USB转232电路图
时间:2026-03-04
焊机工作原理方框图
时间:2026-03-04
碰焊机的原理及种类
时间:2026-03-04
电度表的工作原理
时间:2026-03-04