当前位置:首页 > 电工基础 > 正文

网卡电路原理图

来源:网络  发布者:电工基础  发布时间:2026-03-04 17:30
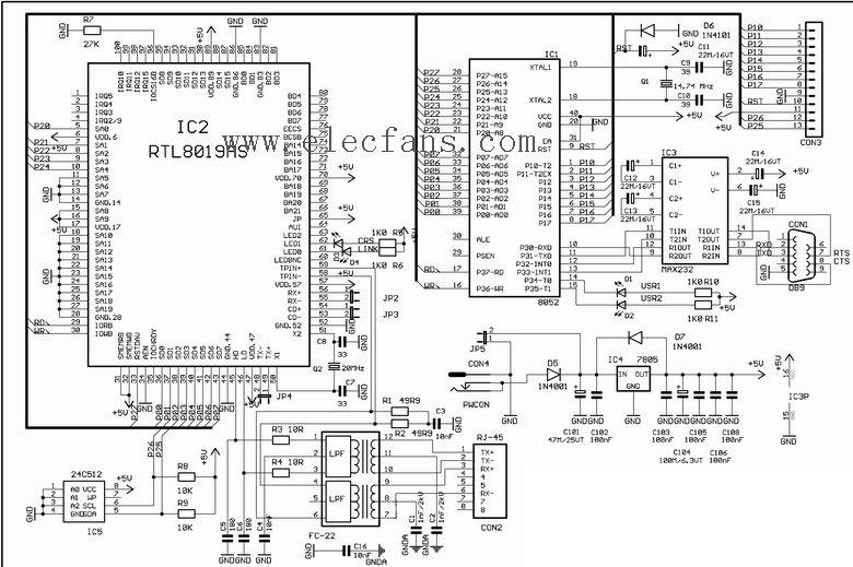
网卡电路原理图RTL8019A9 RTl8019as2网卡电路原理图

网卡电路原理图RTL8019A9

网卡电路原理图

RTl8019as2网卡电路原理图

网卡电路原理图

相关热词:#网卡

最新文章
花盆干湿报警器花盆干湿报警器

时间:2026-03-04

家电红外遥控器电路图家电红外遥控器电路图

时间:2026-03-04

简易传声门铃电路简易传声门铃电路

时间:2026-03-04

戒烟警告器电路戒烟警告器电路

时间:2026-03-04

煤气熄灭报警器电路煤气熄灭报警器电路

时间:2026-03-04

模拟自然风电扇电路模拟自然风电扇电路

时间:2026-03-04

闹钟间歇电铃电路闹钟间歇电铃电路

时间:2026-03-04

能记忆的音乐门铃电路能记忆的音乐门铃电路

时间:2026-03-04

敲门告知电路敲门告知电路

时间:2026-03-04

闪烁指示灯门铃电路闪烁指示灯门铃电路

时间:2026-03-04