洗衣机定时器电路图:一共有三路定时器电路,分别是洗衣机电子定时器电路,发条定时器普通双桶洗衣机电路,和简易555定时器电路


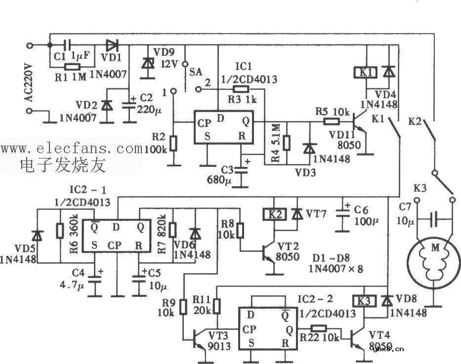
洗衣机电子定时器电路

发条定时器普通双桶洗衣机电路
KT1为脱水定时器,M1为脱水桶电动机,SP是位于脱水桶盖上的安全开关。KT2为洗涤定时器,也属发条支配。SA为洗涤方式选择开关,M2为洗涤电动机。

相关热词:#洗衣机
源极,什么是源极,源极是什么意思
时间:2026-03-04
摩尔定律,摩尔定律是什么意思
时间:2026-03-04
PN结,PN结是什么意思?
时间:2026-03-04
pn结原理是什么
时间:2026-03-04
pn结的形成/多晶硅中PN结是怎样形成的?
时间:2026-03-04
PN结温度传感器及测温电路原理
时间:2026-03-04
什么是PN结型温度传感器及其原理是什么?
时间:2026-03-04
PN结温度传感器工作原理是什么?
时间:2026-03-04
二极管,二极管是什么意思
时间:2026-03-04
肖特基二极管,什么是肖特基二极管,肖特基二...
时间:2026-03-04
三相异步电动机原理
时间:2026-03-04
电风扇红外遥控器2
时间:2026-03-04
由三个接触器组成的电动机正反转控制电路图
时间:2026-03-04
电动机单线远程正反转控制电路图
时间:2026-03-04
三相异步电动机的拆装详讲
时间:2026-03-04
三相异步电动机的七种调速方式
时间:2026-03-04
USB转232电路图
时间:2026-03-04
焊机工作原理方框图
时间:2026-03-04
碰焊机的原理及种类
时间:2026-03-04
电度表的工作原理
时间:2026-03-04